PROJETO – Fonte de alimentação CC profissional 0-40V, 0-4A
Quando queimou minha fonte CC ajustável de bancada, de construção artesanal, pensei em comprar uma nova, mas o custo de um equipamento de qualidade me fez optar novamente pelo “faça você mesmo”. Vasculhei muitos artigos de eletrônica, em busca de uma fonte com boa relação custo-benefício e que utilizasse peças de fácil reposição.
A intenção era dispor de uma fonte melhor, pois a anterior tinha um problema chato, que era a elevação da tensão de saída após o desligamento. Daí lembrei de uma antiga revista Elektor, onde encontrei o projeto desejado.
Conto aqui como foram feitas a montagem e as pequenas alterações no circuito, que entrega de 0 a 40V CC, com controle de corrente de 0 a 4A. Tem proteção total contra curtos-circuitos e compensação para a queda de tensão nos cabos.
É uma fonte de bancada de ótima qualidade, confiável, que utiliza componentes corriqueiros e baratos e dispõe de mais recursos que a maioria das fontes comerciais.
O projeto
No projeto original – revista Elektor nº 24, de julho de 1988, primeira edição brasileira [1] – constavam os valores de 35V e 3A máximos, mas quando reli o texto, percebi que era possível aumentar estes limites, praticamente sem modificar o circuito.
Este artigo fez parte, aparentemente, de todas as edições da Elektor mundo afora, pois o sítio italiano HP6400 [2] disponibiliza a revista com o mesmo texto (em italiano, obviamente). Lá na Itália, o artigo foi publicado na revista 47, de Abril (Aprile) de 1983.
A fonte utiliza componentes extremamente comuns e baratos, fáceis de encontrar em sucata. Mesmo utilizando substitutos mais modernos e equivalentes, como os transistores de saída e os comparadores, o projeto não precisa ser modificado.
Não irei explicar o que aquele texto fez muito bem, sobre o funcionamento da fonte e suas características peculiares. Basta dizer que utiliza o tradicional LM723, auxiliado por dois comparadores LM741 e necessita de transformador(es) com enrolamentos independentes, um para a alimentação dos integrados e outro para a saída da fonte.
Preferi um projeto com controles totalmente analógicos, por causa da simplicidade do circuito e para dispor de ajustes imediatos. Uma fonte com microcontrolador poderia ser mais exata, mas perderia na rapidez para alterar a tensão ou corrente, que normalmente seria feita através de botões.
Apesar de ser um projeto com mais de 30 anos, tive várias e agradáveis surpresas com este circuito. Por exemplo, uma característica difícil de ver em projetos de fontes ajustáveis por aí é a tensão inicial. Esta fonte começa em zero Volt mesmo, com limitação mínima de corrente em torno de 2mA (depende da qualidade do potenciômetro).
Isto permite um recurso muito interessante: a fonte pode servir como testador de diodos zener de até 40V (igual ao valor máximo da tensão de saída da fonte). Ao espetar um zener nos terminais da fonte, ligado corretamente (para zeners, o cátodo é no positivo), deixando a corrente em zero e elevando gradualmente a tensão de saída, ela subirá só até o valor que o zener deixar. Com isso, o voltímetro da fonte indicará a tensão do diodo, como na figura 1, onde o zener testado é de 10V. Chega de espremer as vistas a olhar as letrinhas apagadas nos diodos…
Então, para testar diodos é necessário manter o ajuste da corrente de saída sempre no mínimo. Esta corrente é suficiente para obter uma estimativa de tensão do diodo sob teste. Mas se a corrente subir, no mínimo você poderá queimar o diodo, ou seus dedos…
A figura mostra o display da fonte em zero, enquanto que o multímetro indica 15mA. Logo a seguir conto o que aconteceu.
Os mostradores
O primeiro “progresso” em relação à minha antiga fonte de bancada foi a instalação de mostradores (displays) independentes, para corrente e tensão. Chega de escolher a grandeza com uma chave (figura 2). A medição “on-line” facilita muito os experimentos, pois não há a necessidade de ligar multímetros para medir a corrente e/ou tensão que a fonte entrega, além de diminuir a confusão de fios e instrumentos na área de trabalho. As informações sempre estão à disposição.
Escolhi não utilizar mostradores analógicos para corrente e tensão, como os do artigo original, pois eles são frágeis e necessitam de um tempo para interpretação, ao passo que os instrumentos digitais de hoje são baratos e sua indicação pode ser vista mesmo no escuro. Apesar disso, reconheço que os mostradores analógicos tem como vantagens a rapidez de resposta e a simplicidade de instalação.
Consegui na internet módulos de medição independentes, com LEDs de cores diferentes, para tornar mais cômoda a visualização. As cores foram escolhidas para haver bastante diferença entre corrente e tensão, de modo a diminuir as confusões durante as medidas. O voltímetro comprado mede até 100V e tem LEDs amarelos e o amperímetro alcança 10A, com LEDs azuis.
Só que, em razão do baixo preço dos medidores, sempre vem junto algum problema na qualidade final. Neste caso, a leitura com claridade era muito ruim, tinha pouco contraste e era fácil de confundir os números.
Foi necessário intercalar na frente de cada display um filme plástico colorido. É a conhecida gelatina de iluminação, que tem cores bem definidas e é muito melhor que o celofane colorido. É encontrada em lojas de sonorização e iluminação profissional.

Figura 5 – Comparação dos dois amperímetros, ligados na mesma alimentação. O medidor da direita não tem o filme colorido e está indicando 0.00, mas quase não se percebe.
A característica destas películas é deixar passar somente a cor desejada e filtrar o resto. Isto facilita a leitura e aumenta o contraste, como é possível perceber nas figuras 3, 4 e 5. As cores escolhidas foram iguais às dos LEDs, azul e laranja, para corrente e tensão, respectivamente.
A cor laranja deste filme é tão forte que parece vermelho, como se nota nas figuras 6 e 7. Mesmo assim, nesta cor foram aplicadas duas camadas de gelatina e o contraste não ficou tão bom quanto no display azul.
A lâmina original, incolor, corrugada e transparente, que tem a função de dispersar a luz, foi mantida e ficou na face externa.
No painel, os mostradores foram dispostos afastados um do outro. Cada um tem abaixo dele uma enorme letra, que indica a grandeza medida (V ou A).
Para outro indicador, o LED que indica curto circuito, foi escolhido um tipo que pisca sozinho, o “LED flasher“. Ele tem embutido no invólucro o oscilador (figura 8) e ao ser energizado, começa a piscar. O LED foi colocado ao lado do amperímetro e ajuda a chamar a atenção no caso de ser ultrapassado o limiar (ajustável) da corrente máxima.
Problemas com o amperímetro
A colocação de medidores digitais requer fontes de alimentação independentes. Obrigatoriamente, uma para cada medidor, de modo a evitar influência mútua.
No início, montei somente uma fonte isolada para os dois medidores, mas durante os testes, começaram a aparecer problemas estranhos, que somente desapareceram com a retirada do amperímetro.
Para resolver o problema, foi montada outra fonte, com um pequeno transformador de gravadores K7, com 10VCA, acoplado a uma plaquinha com 4 diodos e um capacitor (figura 9). A tensão não é muito importante, pois estes módulos funcionam bem desde 6 V até além de 20VCC, sem estabilização. Resolvida a questão da alimentação dos mostradores, os desafios continuaram…
O amperímetro conseguido inicialmente e que está em várias das fotos, tinha alcance original de 50A. Como dispunha de somente um dígito após a vírgula, modifiquei o alcance para 10A, com a troca do resistor de “shunt” original, externo, por outro, construído especialmente (figura 10).
Como não seria possível alterar facilmente a posição do ponto decimal (o chip não tem qualquer identificação e teria que alterar as ligações do display), tapei com fita isolante o ponto original e colei uma bolinha branca, uma casa à esquerda. Depois, comprei um módulo para 10A, que tem o shunt interno e vem com o ponto decimal na posição desejada. E aí veio a grande dor de cabeça…
Os dois módulos são do modelo C27D, utilizam a mesma placa, com pequenas diferenças, como é possível perceber na figura 11. Só que no modelo de 10A, a precisão com baixas correntes foi inaceitável.
Para aferição, foi montado um circuito de teste, com a ligação em série de dois multímetros e um resistor de fio de 15 ohm, 5W, na saída da fonte. Os multímetros foram ajustados como amperímetros, na escala adequada. Com a ligação, a corrente que passa pelos 3 amperímetros e a carga (o resistor) é a mesma. É uma forma de minimizar os erros nas medições. A tensão de saída da fonte foi ajustada conforme a corrente desejada de teste.
Para correntes de 0,99A ou maiores, o módulo do amperímetro funciona bem, está correto (figura 12). Mas, abaixo de 200mA, o instrumento aumenta o erro e chega a uma casa decimal: quando a corrente é 100mA, indica 0,01A (figura 13). Deveria indicar 0,10A. Abaixo de 90mA, não indica nada (tinha que mostrar 0,09 e exibe 0,00 – figura 14).
Inicialmente, pensei que poderia haver alguma interação com a fonte de alimentação, que influenciaria a medida, o que não se comprovou. Medi a corrente com o módulo ligado externamente e o problema continuou. Mesmo reajustando o micro-trimpot no amperímetro – as fotos mostram o painel da fonte entreaberto -, ficou tudo na mesma.
Além disso, a precaução de evitar o conector para a corrente, com a solda direta dos fios ao módulo (figura 15), evitou as falhas, mas não ajudou na precisão.

Figura 10 – Shunt original de 50 A e resistores de fio formando um shunt para 10A. Foi trabalhoso construí-lo…

Figura 11 – Amperímetros de 50A e 10A. O shunt é o fio grosso, à direita, embaixo, e corresponde ao modelo de 10A.

Figura 12 – Teste de corrente a 0,99A, com os 2 multímetros, mais o módulo amperímetro da fonte, ligados em série com a carga. Todos estão iguais.
Não me contive e testei novamente o amperímetro antigo, para confirmar se o problema era naquela unidade ou uma característica de fabricação. O outro modelo, de 50A, não mede abaixo de 20mA. Acredito que seja problema na programação do microcontrolador, ou uma simplificação interna na amostragem, que estraga a resolução.
Outra limitação é que estes mostradores não medem com a polaridade invertida, a entrada não é flutuante. Se inverter a polaridade da corrente ou da tensão, o mostrador não exibe corretamente, geralmente fica em zero.
Como só notei isto depois de algum tempo, não tive nem como reclamar ao vendedor. Fico indignado quando compro um produto que não cumpre a função que deveria desempenhar. O preço baixo tem sempre seu contragolpe, apesar dos voltímetros que comprei não terem nenhum problema grave. Inclusive, foi por isto que pensei em converter um voltímetro em amperímetro.
Convertendo um voltímetro para amperímetro
Lembrando, para quem sempre se confunde, que amperímetro é o instrumento que fica em série com a carga e deve ter baixíssima impedância (como um fio – o shunt), ao passo que voltímetro fica em paralelo com a carga e é desejável alta impedância, para não interferir nas leituras.
Em corrente alternada, pode ser necessário voltímetro com impedância ao redor de 3K ohm, para descartar leituras errôneas de tensões fantasma, induzidas em conexões sem qualquer ligação. São os famosos multímetros de eletricistas, com medição VCA Lo-Z. Mas isto é outra história.
Quando conheci os voltímetros e amperímetros modulares, fiquei tão interessado que adquiri um modelo menor, que veio com uma característica inesperada, o ponto flutuante: conforme a tensão de entrada, ele muda o ponto de lugar (figuras 16 e 17).
Desconsiderando a diferença de tamanho, seria um ótimo substituto para o amperímetro de LEDs azuis. Ele somente tem dois fios de ligação, pois foi projetado para ler a própria tensão de alimentação, que deve estar entre 5 e 30VCC.
Foi possível separar a entrada para leitura da tensão de alimentação (figura 18), modificando a posição do resistor de 68K (marcado como 683), como é possível perceber na figura 19.

Figura 17 – Voltímetro miniatura com 10V de tensão na entrada – cuidar a posição do ponto, que mudou.

Figura 18 – Vista da placa do mini voltímetro original, com dois fios. A tensão de alimentação é a que é medida. O resistor de 5K1 (512) está montado sobre outro, de 2K4 (242).

Figura 19 – Vista da placa do mini voltímetro modificado, pode-se notar a mudança de posição do resistor de 68K e a inclusão do fio laranja, que agora é a entrada para medição.
Feita a separação entre medição e alimentação, o instrumento apresentou outro problema. Colocado um divisor resistivo na entrada, feito com um trimpot multivoltas, de modo a adaptar a leitura sobre R21 (que é o shunt original da fonte), tivemos outra decepção: a falta de linearidade.
O voltímetro tinha que receber na entrada aproximadamente 800mV, que foi a tensão medida sobre R21, quando atravessado pela corrente máxima de 4A. O instrumento, com esta tensão na entrada, deveria indicar 4.00, o que o converteria em amperímetro.
Ajustado o trimpot, foi constatado que a leitura das tensões não regrediu linearmente, aumentou o erro conforme diminuia a tensão sobre R21. Ainda por cima, o instrumento não leu correntes menores que 80mA.
É possível que a impedância de entrada exerça alguma influência na medição, mas não há qualquer informação adicional sobre estes módulos, são uma caixa preta. É muito estranho que todos eles, sem exceção, não exibem qualquer inscrição no integrado principal. Parece que foram feitos apenas para bonito, não são precisos.
Sem mais um pingo de paciência, recoloquei o amperímetro anterior, com a lembrança de que não posso me basear nele para correntes menores que 200mA.
Este amperímetro ficará na fonte só até eu encontrar outro melhor. Neste caso, posso dizer que estou um pouco arrependido de não utilizar os galvanômetros tradicionais, que não causariam uma discrepância tão grande. Mas os já citados benefícios dos indicadores digitais ainda superam, ao menos para mim, aqueles antigos instrumentos.
Para quem for montar a fonte com indicadores digitais, poderia adaptar um multímetro comum, vendido a menos de 20 reais e montá-lo no painel da fonte, deixando somente o display à vista. Aliás, foi isto que fiz em minha fonte anterior (rever a figura 2). Só que para chavear de tensão para corrente, foi necessário incluir um relé, que trocava as ligações.
Atualmente, pelo preço que se paga por estes pequenos multímetros é possível até comprar dois, um para tensão e outro para corrente. O espaço ocupado pode ser grande, mas seriam mais confiáveis.
Neste caso, a alimentação dos multímetros deve ser individual e de excelente qualidade, totalmente isenta de ruídos. Parece fácil, mas é trabalhoso. Pode-se procurar na internet o esquema de algum multímetro de bancada e ver como é feito. Ou, mais simples, manter as baterias, desde que exista um modo de desligá-las. Por exemplo, com um relé acionado pela alimentação da fonte.
Há também módulos de LCD de 3 1/2 dígitos à venda na internet, com fundo de escala de 199mV. Provavelmente, são baseados no clássico integrado ICL7106, que é o coração de todo multímetro comum de 3 1/2 dígitos. É uma opção interessante.
Poderia ser útil dispor de módulos com mais casas decimais, como os da fonte da figura 20. Ainda não os encontrei no Brasil, com um preço aceitável e na cor desejada, só em fornecedores estrangeiros.
O transformador
Consegui colocar nesta fonte um transformador toroidal, que era originalmente um autotransformador. Para ver como ele foi adaptado, consulte o post anterior. A vantagem deste componente é, principalmente, a facilidade de adicionar enrolamentos, a qualquer tempo (desde que haja espaço…).
O autotransformador veio a calhar porque permitiu utilizar o enrolamento existente como primário. Foram bobinados 3 secundários: 34VCA para a saída da fonte e 12+12VCA para o circuito de estabilização (figura 10). Também foi incluída uma saída de 7VCA para os medidores digitais. É uma tensão intermediária, não muito baixa nem alta, pois os medidores aceitam desde 5 até 30VCC.
Nota: Já comentei no texto que por características intrínsecas do amperímetro, foi necessário adicionar um enrolamento CA exclusivo para este instrumento. Para isto, foi agregado um pequeno transformador ao gabinete, já que não cabia mais nada no transformador toroidal.
Como o artigo aventava a possibilidade de modificar a tensão e corrente máximas de saída, o transformador foi enrolado com uma tensão um pouco maior que o valor requerido originalmente.
Mas, na prática, a teoria é outra… O transformador, que era para ter 37VCA, ficou com 34VCA. A razão disso é que as medições foram feitas tarde da noite, quando a tensão da rede elétrica sobe para além dos 220VCA.
Na pressa de concluir o enrolamento, não compensei a tensão CA no Variac (um transformador, também toroidal, continuamente ajustável e que forneceu a tensão de teste). Daí, retirei algumas espiras do enrolamento de 37VCA, antes de verificar qual era a tensão na entrada do transformador. Apesar de ter ficado com 34VCA, a fonte entrega tranquilamente os 40VCC, pois a retificação e filtragem aumentam a tensão CC disponível (aproximadamente 1,414 vezes, quando sem carga).
A tensão de saída da fonte abaixa para 38VCC, quando a carga drena 4A, com tensão da rede de 220VCA (figura 23). Isto, sem trocar o capacitor C10, de 4700uF, por outro maior. Para a maioria das minhas aplicações, está bem satisfatório. Daqui a alguns anos, talvez eu troque o transformador, ou o reenrole com mais cuidado…

Figura 23 – Fonte sob carga máxima. Notar o aquecimento do resistor de 10 ohm, que está vermelho e soltando fumaça.
A saída de 12+12VCA do transformador, enrolada em outro momento, ficou 1VCA mais alta que o desejado, resultando em uma alimentação simétrica de +-18,5VCC, aproximadamente. Ela ultrapassa a tensão máxima de trabalho dos amplificadores operacionais utilizados (LM741CN, ver referências [3] a [6]). Aqui, talvez, teria sido mais prudente incluir reguladores de +-15VCC, para evitar problemas de sobretensão. Mas até agora, os comparadores aguentaram bem o excesso. Há uma linha do operacional 741 que tolera até +-22VCC (741, 741A e 741E) e é possível que os componentes com o sufixo CN aceitem tensões um pouco além dos +-18VCC.
Apesar do meu descuido, é certo que faltou um estabilizador de tensão para manter um padrão razoável para os testes. E não estou falando de estabilizadores simples, utilizados em computadores, que arruinam muito mais a energia fornecida do que a melhoram.
Falo de estabilizadores reais, com saída senoidal pura ou próxima disso, como os da CP eletrônica [7], por exemplo. Esta renomada empresa, hoje parte da Schneider Electric, disponibiliza diversos artigos técnicos sobre energia em sua página na internet.
Mas estes equipamentos custam caro, por isto o mais prático – e ainda dispendioso – é utilizar um Variac (variable transformer) e conferir sua tensão de saída a cada medição. Quem quiser conhecer melhor este tipo de transformador, acesse as referências [8] até [11].
Em último caso, ainda poderia ser utilizado um estabilizador para computadores. Mas teria que ser aquele modelo que realiza o chaveamento da tensão de saída com TRIACs, não com relés. São aqueles extremamente silenciosos, que nunca fazem o famoso “tlec-tlec”.
Erro na lista de material
É interessante notar que há um erro que não foi corrigido no projeto da Elektor, tanto no artigo em portugês quanto em italiano, que é o valor de C1 e C2. Na lista de material consta 100uF/25V, mas no esquema aparece 1000uF. Pelo tamanho dos capacitores na placa e pela sua função (filtragem da fonte simétrica interna), obviamente os valores corretos são os do esquema.
O único componente incomum do projeto é o transistor BD241. Como substituto, pode ser empregado o TIP31A ou o TIP41A. O sufixo pode também ser B ou C, que exibem tensões maiores entre coletor e emissor (Vce). É vantajoso escolher o transistor com maior ganho, pois ele irá formar a configuração Darlington de saída.
A placa de circuito impresso
O projeto original da placa não era bem o que eu queria, pois utilizava capacitores axiais, que são difíceis de encontrar. Por isto, redesenhei parte do circuito impresso e fiz pequenas alterações, como a inclusão de fonte para os mostradores e a separação do estágio de potência. Além disso, como a placa foi adaptada para mostradores digitais, foram excluídos R25, R26, P3 e P4. Se o leitor pretender utilizar os indicadores analógicos de corrente e tensão, melhor será montar a placa do artigo original da Elektor.
Para montar uma fonte destas devo lembrar que, com mostradores digitais de corrente e tensão, o circuito precisa de 4 secundários isolados, provenientes de um ou mais transformadores: os originais 33VCA/5A (Tr1) e 12+12VCA/0,4A (Tr2) e outros dois, cada um deles com saída entre 5 e 15VCA, com corrente de 0,5A, para os mostradores. Com galvanômetros, estes dois últimos enrolamentos não são necessários.
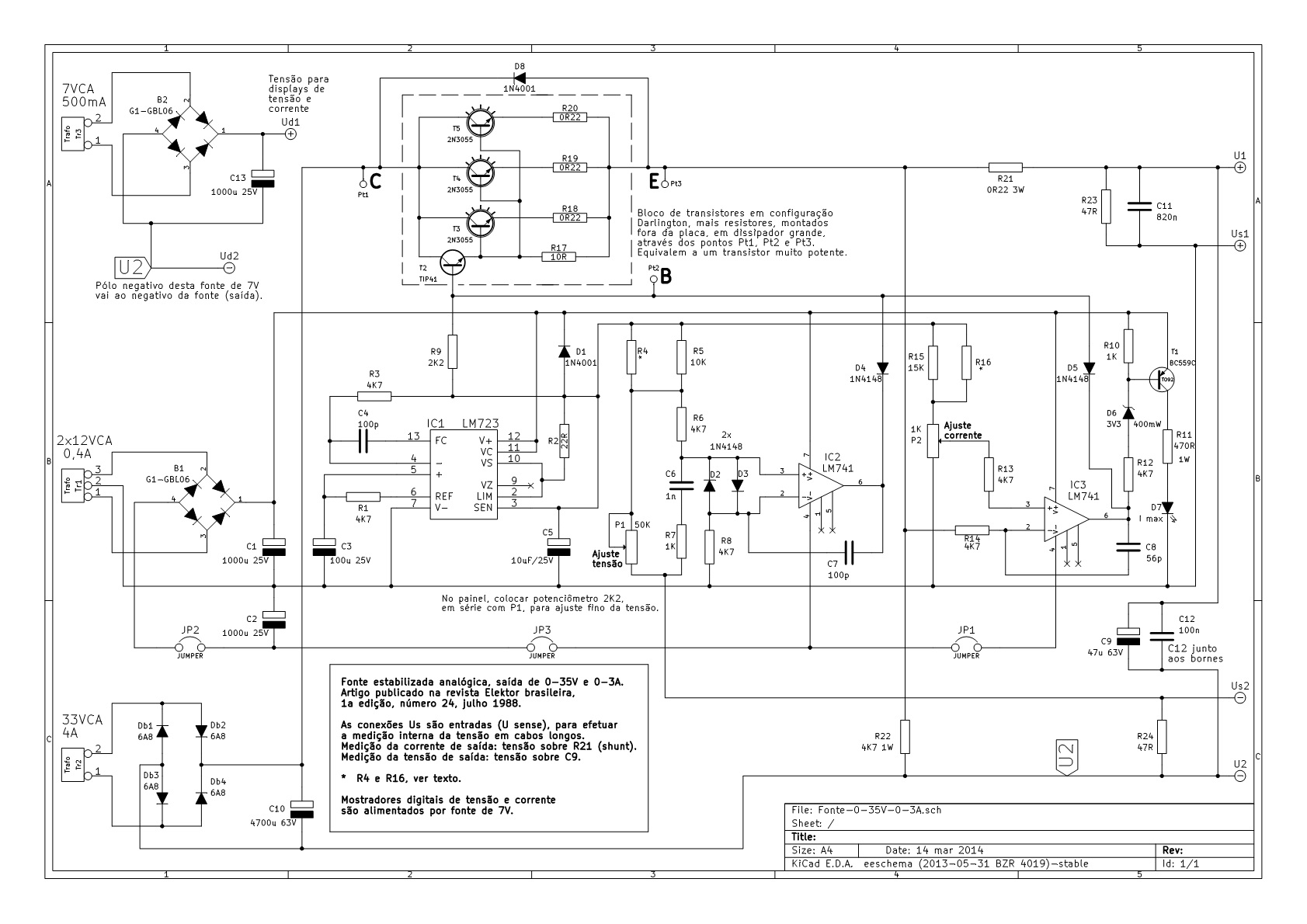
O esquema da fonte está na figura 24. O projeto da placa em pdf está AQUI. O projeto completo, com os arquivos KICAD e todos os pdf, está NESTE LINK.
Os jumpers JP1, JP2 e JP3 foram incluídos no desenho para facilitar o roteamento automático (router) das trilhas, quando se utiliza no KiCad uma só camada de circuito impresso.

Figura 24 – Diagrama esquemático da fonte CC de 0 a 40V e 0 a 4A. Clique na imagem para ampliar em nova aba.
Nem todos os capacitores foram alterados para o formato radial. Como eu tinha em estoque dois eletrolíticos axiais de 1000uF/25V, novos e de ótima qualidade, classe 105ºC, mantive os lugares de C1 e C2. Para C10, de 4700uF/70V, deixei espaço para modelos maiores, pois há grande diferença de uns anos para cá (figura 25). Isto também facilita aumentar a capacitância, que é necessário quando se deseja fornecer correntes acima de 3A.

Figura 25 – Capacitores eletrolíticos de mesmo valor, mesmo modelo e mesmo fabricante, produzidos com 15 anos de diferença.
Os diodos, por sua vez, foram utilizados os disponíveis no estoque. Para a retificação dos 4A, a placa foi modificada para receber 4 diodos 6A8, que aguentam até 6A. Deste modo, fica reduzido o estresse sobre o estágio de retificação. As outras duas fontes foram feitas com pontes retificadoras comuns, de 1 ou 2A.
Outra alteração no projeto original foi a inclusão de um ajuste fino da tensão de saída. Era outra das dificuldades de minha fonte anterior: ajustar exatamente a tensão desejada. Foi adicionado um potenciômetro de 2K2 ohm em série com P1, de 50K. O valor dele foi escolhido para modificar a tensão em torno de 5%. Com os dois potenciômetros em zero, a saída é zero Volt. Com P1 em zero e o ajuste fino no máximo, a saída fica em 2,3VCC.
Pensei em utilizar um potenciômetro multivoltas para o lugar de P1, em vez do ajuste adicional, mas muitas vezes há a necessidade de mudar rapidamente a tensão e rodar 10 voltas não ajuda muito…
Não achei necessário fazer o mesmo para a corrente de saída, pois a exatidão desta grandeza não é tão importante quanto a tensão, ao menos no meu caso. No período de 16 anos em que fiquei com a outra fonte, só senti falta de um controle de corrente, mas nada muito preciso.
Para quem trabalha frequentemente com fontes de corrente constante, como os circuitos com LEDs, o ajuste fino de corrente de poderia ser uma opção interessante. Neste caso, um amperímetro com mais uma casa decimal ajudaria para visualizar um resultado preciso.
Para o desenho do esquema e da placa de circuito impresso, foi utilizado o KiCad. É um excelente aplicativo CAD para eletrônica, totalmente gratuito. CAD quer dizer Computer Aided Design – projeto auxiliado por computador. O KiCad também dispõe de módulo de roteamento automático de trilhas e de visualizador tridimensional da placa montada. Para quem quiser conhecer o KiCad, acesse o link na referência [12].
Só que na hora de repassar o desenho para a placa real e corroê-la, preferi o método tradicional, com a folha impressa espelhada, a caneta para retroprojetor e uma antiga lâmina de barbear (figuras 26 a 34). É que ainda não me acertei com aquele esquema de ferro de passar roupa e papel glossy…

Figura 34 – Placa pronta e montada, faltando apenas R21, R4 e R16. ATENÇÃO: o diodo D1, junto ao LM723, está montado invertido.
O método é simples. Para começar, coloco a placa cortada no tamanho final, sem rebarbas, limpa com palha de aço (o lado cobreado) e fixada pelas bordas à mesa, com o cobre virado para cima. Alinho a ela a folha impressa com o lado cobreado (impressão espelhada do KiCad) e começo a marcar levemente os furos, com um fino punção de aço. Após, retiro o papel e faço as trilhas com a caneta para retroprojetor (ou para CD), sempre cuidando o desenho impresso. Os retoques finais são feitos com uma lâmina de barbear, para remover qualquer curto-circuito. Eventualmente é necessário refazer alguma trilha.
Para apressar a corrosão, costumo deixar exposta a menor quantidade possível de cobre, para ser removido no banho de percloreto de ferro (ou cloreto férrico, é a mesma coisa). Isto também aumenta a durabilidade do líquido corrosivo. A economia de tempo é necessária para evitar que a camada de tinta da caneta comece a levantar. Não é interessante apressar a corrosão com o aquecimento da solução, pois os desenhos feitos a caneta das trilhas, soltarão mais rápido ainda…
Se a placa fosse menor, eu a teria corroído dentro de um frasco de vidro com a tampa lacrada. O lacre é um saco plástico fino, com papel absorvente no interior, colocado entre a tampa e o vidro. Melhor usar vidro do que plástico, para enxergar bem a corrosão.
Derramando (per)cloreto de ferro até a metade da altura da placa, ou pouco mais, é só fechar a tampa e agitar bastante. Para evitar vazamentos, o frasco de vidro fica dentro de um saco plástico. Com isso, é possível corroer uma placa em até 3 minutos, depende da temperatura ambiente e do vigor da agitação.
No KiCad, fica trabalhoso ampliar as áreas de cobre. Na figura 28 aparece a placa projetada, apenas com trilhas finas. As figuras 29 a 31 mostram a placa, antes e depois do banho de percloreto. Se não olharmos bem, parece outro circuito…
A conexão do negativo da fonte foi espalhada para cobrir as áreas livres, mas nunca fazendo loop de terra (ligação vinda de mais de um lugar, formando um anel). Em áudio, este procedimento costuma melhorar muito a relação sinal/ruído e sempre é útil em caso de alterações no projeto. Este método de confecção de placas já foi comentado em post específico.
Comparando o esquema da figura 24 com o desenho da placa (figura 33), nota-se que há várias peças que não estão no circuito impresso. É que C12 é conectado diretamente nos bornes de saída, conforme orientação do artigo da revista. E os componentes T2, T3, T4, T5, R17, R18, R19 e R20 formam o bloco de potência, comentado mais à frente.
Na placa montada (figura 34), pode-se ver que os circuitos integrados utilizam soquetes. Se não for possível conseguir soquetes torneados, de boa qualidade, é melhor soldar direto os circuitos integrados. Porque o equipamento não é para dar defeito pelos próximos 10 ou 20 anos, no mínimo.
A simplificação do circuito
Durante os testes, foi percebido que a fonte pode comportar-se mal se as conexões sensoras (Us) – utilizadas para monitorar e compensar a tensão de saída -, não forem ligadas junto a seus respectivos pólos, em todas as situações de uso. Ou seja, se o leitor montar esta fonte, conforme projetada originalmente, sempre será necessário utilizar os cabos de alimentação compensados (figuras 35 e 36).
Estes cabos tem duas ligações para cada pólo, que são unidas na respectiva garra jacaré. Por isto é que a fonte tem 4 bornes de ligação na saída. Dois fios (um positivo e outro negativo) carregam a tensão de saída da fonte. Os outros dois, devolvem para a fonte a informação da tensão presente nas garras jacaré. Deste modo, o circuito compensa, sempre que necessário, qualquer alteração na tensão de saída.
Assim, teremos lá nos pontos onde as garras tocam, exatamente a tensão desejada. Por isto, sempre é mais correto determinar a tensão de saída ANTES de ligar a carga (sem qualquer consumo de corrente).

Figura 35 – Ligação da saída da fonte Elektor. No painel montado, os terminais +Us1 e -Us2 estão posicionados entre +U1 e -U2.

Figura 36 – Cabos compensados, ligados na fonte com os terminais sensores (Us). Cada pólo tem as ligações U e Us unidas somente na garra jacaré.

Figura 38 – Fonte ajustada para 20V, corrente máxima, com carga. Observar a diferença entre as tensões, na fonte e no multímetro.
Fiz um teste simples para demonstrar o funcionamento deste recurso, nas figuras 37 e 38. Como carga, foram empregadas duas lâmpadas incandescentes de 12V-21W, ligadas em série. São as típicas lâmpadas utilizadas nos pisca-pisca dos automóveis.
O multímetro está conectado às garras jacaré, onde a carga será ligada. Na figura 37 a carga não está conectada à fonte, por isso as tensões do voltímetro da fonte e do multímetro são exatamente iguais (20,0VCC).
Mas quando as lâmpadas são conectadas (figura 38), o voltímetro da fonte informa 20,2VCC, ao passo que o multímetro continua indicando 20,0VCC. Há, portanto, 200mVCC (0,2VCC) de queda de tensão na fiação até a carga. Este valor corresponde a 1% da tensão desejada, quando o consumo de corrente é de somente 1,29A.
Todos os cabos apresentam alguma resistência (e consequente queda de tensão). O efeito é facilmente observável com altas correntes e com cabos finos e/ou longos. Com a elevação da corrente sobre a carga, a queda de tensão aumenta proporcionalmente na fiação, pois é uma típica aplicação da lei de Ohm, onde V=RI (tensão igual a resistência multiplicada pela corrente).
Em nosso caso, os cabos apresentam uma resistência total de 0,155 ohm (R=V/I). Neles, a queda de tensão para uma corrente de 4A, por exemplo, chega a 0,62VCC. Então, se alimentássemos um circuito com 5V, que consumisse 4A, teríamos uma perda de 12%, se não houvesse a compensação da fonte, pois o circuito receberia somente 4,38VCC (5 – 0,62VCC).

Figura 39 – Comparação entre o cabo superflexível para pontas de prova (abaixo) e um cabinho 20 AWG.
Em razão disso, o calibre (bitola) dos cabos de alimentação deverá ser grosso, para evitar o aumento das perdas. No meu caso, utilizei cabos específicos para pontas de prova (extra flexível), comprados em lojas de eletrônica. Montei eles com 100 cm de comprimento. A bitola parece 0,50mm² ou menor, quando comparado com um cabo 20AWG (0,58mm² – figura 39). É uma seção insuficiente para carregar as altas correntes que a fonte pode gerar. Apesar disso, o circuito de compensação resolve por enquanto meu problema.
Para quem tem pouca experiência com eletrônica, talvez seja melhor montar um circuito simplificado, sem a compensação da tensão de saída. Excluindo alguns componentes (R23, R24, C11 e os terminais Us1+ e Us2-), a fonte fica mais simples de montar e utilizar.
Neste caso, R23 e R24 devem ser trocados por jumpers e os cabos de alimentação CC terão que ser mais curtos, com bitola 1,5 mm² ou maior. A figura 40 traz o esquema desta mesma fonte, com as simplificações. O arquivo PDF está AQUI e em formato KiCad, AQUI.
Outra opção seria incluir uma chave de boa qualidade, para escolher entre medir com a compensação de tensão ou não, da maneira que a fonte da figura 20 faz. Isto amplia a versatilidade da fonte. Na prática, o que a chave faz é uma escolha entre unir as entradas sensoras a seus respectivos pólos, junto aos bornes, ou receber as conexões externas de compensação. O artigo da Elektor menciona esta possibilidade.
E eu fiz também… Após escrito o artigo, percebi que era fácil incluir uma chave para colocar os bornes em contato, como é possível ver nas figuras 40A e 40B. A chave só liga cada borne com o seu correspondente, é muito simples. Agora, é possível utilizar cabos comuns, quando desejado. Neste caso, a chave do sensor fica na posição “interno” (figura 40C).

Figura 40A – Chave incluída no painel, para permitir o uso de cabos comuns. As letras entortaram por causa do verniz anterior, que dissolveu quando foi aplicada a nova camada.
O módulo dos transistores de potência
Pensando na durabilidade desta fonte, deixei a maioria dos componentes de potência do lado externo do gabinete. Assim, a convecção natural auxilia o arrefecimento dos transistores, sem precisar de ventoinha. Isto mantém a fonte silenciosa, mas se necessário, poderá ser acoplada uma ventilação forçada para melhorar a troca de calor.
A ligação do bloco foi simplificada ao máximo, pois ele tem apenas 3 fios. É como se fosse um transistor bipolar NPN qualquer, com coletor, base e emissor, mas de alto ganho e com grande capacidade de corrente. Isto facilita mudanças ou substituições futuras.
O bloco conta com 3 transistores 2N3055, um TIP41C e os respectivos resistores de emissor. São os componentes dentro da área pontilhada, no esquema da figura 24.
Este bloco compõe a conhecida configuração Darlington, que é a ligação em cascata de um transistor com outro mais potente. O ganho de corrente da configuração é aproximadamente o resultado da multiplicação dos ganhos dos transistores cascateados. Isto faz com que o conjunto necessite de pouca polarização (corrente) de base, para conseguir conduzir altas correntes entre coletor e emissor. Além disso, a configuração utiliza 3 transistores de potência em paralelo, para garantir o fornecimento de corrente, sem aquecer demais.
O Colégio Parobé [13], tradicional escola técnica de eletrônica, mostra de forma bem prática o funcionamento desta ligação. E a Universidade Federal de Pernambuco – UFPE [14] – disponibiliza slides que explicam diversas configurações de transistores, além de indicar algumas aplicações.
Nas figuras 41 a 55 pode-se acompanhar um passo-a-passo que demonstra as técnicas utilizadas para montar os transistores de potência nos dissipadores.
Foram escolhidos 3 transistores com ganhos bem parecidos, de modo a fazer com que o aquecimento deles seja semelhante. Poderia ter optado por utilizar o 2SC5200, que é mais moderno, mais fácil de montar e de encontrar. Mas como eu dispunha de alguns 2N3055 em ótimas condições e também tinha dissipadores já perfurados para encapsulamento TO-3, fiquei com os transistores metálicos. E o encapsulamento totalmente metálico é mais eficiente na transferência de calor. Além do mais, todos os transistores são originais RCA (um deles fabricado no Brasil), de excelente qualidade e funcionam bem, mesmo após 30 anos guardados…
A montagem destes transistores requer mãos, ferramentas e peças bem limpas, além de paciência e cuidado, pois neste trabalho não são tolerados poeira e outros contaminantes sólidos.

Figura 51 – Parafuso montado no transistor TO-3, com ligação de coletor. A porca é de latão, para melhorar a condutividade e evitar oxidação.

Figura 53 – Fixação do transistor TO-3 no dissipador, após o aperto dos parafusos. Observar que a pasta térmica vazou pelos furos da mica, junto dos terminais de base e emissor.

Figura 55 – Vazamento final de pasta térmica, junto ao transistor e ao dissipador. É preferível que não fiquem sobras excessivas, pois a pasta é úmida e retém partículas.
As figuras acima mostram que a pasta térmica é aplicada em pequena quantidade, apenas suficiente para realizar a função de transferência de calor. Muita pasta tem o efeito contrário e pode estar encobrindo alguma partícula intrusa, que poderá perfurar a mica ou afastar o transistor do dissipador. Não é aconselhável deixar áreas sem pasta térmica.
Após a montagem dos transistores, é necessário aguardar algumas horas e reapertar os parafusos, pois a pasta térmica espalha-se lentamente para os lados, afrouxando o aperto anterior. Este procedimento precisa ser repetido mais uma ou duas vezes, sempre com algumas horas de intervalo, para deixar os transistores estáveis e firmes. Fiz um vídeo curtinho para ilustrar o modo utilizado para apertar os parafusos:
Cada transistor tem seu dissipador individual, que foi unido aos outros com dois perfis de alumínio. Estes perfis contam com um lado arredondado, que deixa os contornos suaves. Resultou num bloco de fácil instalação, como mostram as figuras 57 a 74.

Figura 64 – Resistores de emissor com o segundo espaguete termorretrátil, que protege do contato com superfícies condutoras.
Os transistores não são casados, tem pequenas diferenças de ganho de corrente (beta). Eles ficaram numa sequência em que o ganho vai subindo conforme a altura de montagem. Assim, o transistor que aquece mais (menor ganho) ficará mais embaixo do que os outros. De certa forma, isto ajuda a equilibrar a temperatura de todos eles, pois pela convecção, o calor tende a subir para a parte superior do bloco. Também por este motivo é que o TIP41C, substituto do BD241, foi montado na parte inferior, na aleta mais distante do dissipador (figura 58).
Os resistores de emissor foram isolados e protegidos com espaguete termorretrátil e a fiação foi conduzida em forma de chicote, através das abraçadeiras tipo rabo de rato (figura 67).
Para evitar que partículas caiam nos transistores, foi criada uma capa de alumínio, como mostram as figuras 68 e 69. E as pontas dos dissipadores foram suavizadas, de modo a minimizar as áreas cortantes (figura 70).
Além disso, o bloco ficou montado sobre arruelas grossas, com espessura de 5mm, feitas em latão (mas que poderiam ser de qualquer outro material resistente ao calor). O distanciamento do bloco para o gabinete ajuda a convecção natural e dá espaço para a fiação passar sem apertos (figuras 71 a 74).
A conexão com a rede elétrica
No painel traseiro, fica a conexão da tomada CA da rede elétrica, a chave 110-220V e o porta-fusível. Optei por utilizar uma tomada de 3 pinos macho, muito comum em fontes de computador, ao invés de um cabo ligado diretamente. Ela torna muito prática a troca de cabos e deixa a montagem mais limpa (figura 75).
Esta tomada respeita o conjunto de normas IEC60320, que tratam das interconexões de cabos de energia até 250VCA e estão em vigor desde a década de 1970. Na Wikipedia tem um texto bem legal sobre o assunto, com uma tabela ilustrando os vários modelos existentes [15].
Nas referências [16], [17] e [18] são mostrados diversos tipos de tomadas IEC, com e sem filtro contra IEM (interferência eletromagnética – EMI, em inglês). A Schaffner [19] tem uma área de downloads, com vários artigos técnicos sobre filtragem de interferências.
Em nosso caso, a tomada é modelo C14 (com pinos macho), cuja conexão fêmea é o plugue C13. Lembrando que conectores macho sempre recebem energia e conectores fêmea fornecem energia. É uma regra básica de segurança, que evita tocarmos em pinos energizados.
Minha preferência era colocar uma tomada melhor, com porta-fusível, chave e até filtro de linha embutidos, como as das figuras 76 e 77. Mas como o objetivo maior era a redução dos custos, aproveitei ao máximo o estoque de peças na sucata. O painel traseiro ficou como mostram as figuras 78 e 79.
Na bancada, as tomadas da rede elétrica para os instrumentos estão bem perto deles, o que reduz a necessidade de cabos longos. Por isto, esta fonte recebeu um cabo retirado de computador, que utiliza 3 fios. O cabo foi deixado bem curto, apenas o suficiente para ligar o equipamento (figura 80).
O gabinete
O gabinete que eu pretendia reutilizar para montar a fonte (figura 81) ficou muito pequeno para acomodar a placa, o transformador e as conexões. A única forma de montagem possível era colocá-la de cabeça para baixo, junto à entrada de rede (figura 82).
Mas a perigosa proximidade dos 220VCA com os componentes da placa me obrigou a construir um outro chassis, já que o painel estava pronto. Infelizmente, não foi possível conseguir o alumínio anodizado que o anterior utilizava, mas tudo bem.
A figura 83 mostra a diferença entre os dois chassis: somente a profundidade aumentou em 5cm, o resto é igual.
O padrão “rack“
Percebe-se que a caixa da fonte está destinada para a montagem num quadro do padrão rack 19″. Este padrão é utilizado intensamente no mundo, principalmente em instalações profissionais de som e luz, em informática e na indústria. Refere-se às normas ANSI/TIA/EIA-310-D, IEC 60297-1-2 e DIN 41414-7.
Ele consiste de uma largura padrão máxima de 19 polegadas (48,26cm) para os painéis dos equipamentos e utiliza a denominação U para unidade de rack. O chassis que tem 1U de altura, mede 1 polegada e 3/4 na vertical (o mesmo que 1,75″ ou 44,45mm). Aspas, para quem não lembra, indicam polegadas. Fiz uma tabelinha simples, de 1U até 7U, para ajudar:
A distância entre os furos de fixação dos equipamentos para o padrão rack 19″, na horizontal, é de 18” 1/4 (quase 46,3mm). Na vertical, a distância entre os furos é uma repetição periódica de dois espaçamentos diferentes: 1/2″ (12,7mm) e 3/4″ (19mm). Isto costuma limitar o posicionamento dos aparelhos, podendo causar espaços vazios. Uma solução para isso são os trilhos verticais com porcas deslizantes, que são posicionadas na altura desejada.
Quando um chassis tem metade da largura de 19″, é chamado de half-rack (meio rack). Há também o padrão rack de 23″, que vi em uso num nobreak trifásico, de alta potência.
As unidades de rack são sempre medidas máximas, há uma folga estabelecida de 1/32″ (0,79mm) para acomodar unidades adjacentes, segundo a Wikipedia [20] [21].
Como curiosidade, nas referências [22] a [26] estão links de fabricantes de chassis e componentes no padrão rack.
Voltando à nossa fonte, se prestarmos atenção mais uma vez na figura 81, aparecem outros gabinetes, menores, muito antigos, feitos pela Gradiente nos anos 1960-1970. Era um sistema de sonorização ambiental para prédios, muito versátil, composto de módulos com funções individualizadas. Isto possibilitava adequar o projeto de sonorização para os mais diversos portes.
Cada módulo tem a largura de 5,9cm e no quadro cabem 7 deles. A altura do quadro é de 4U (17,8cm).
Estes módulos mostraram-se muito versáteis para outras finalidades. Como no caso da bancada, que tem um quadro destes e irá receber esta fonte e outros equipamentos, conforme a necessidade.
A fonte ocupa 4 módulos de largura, aproximadamente 22,3cm. Por isto ela tem 8 furos no painel, metade na parte superior e metade na parte inferior.
O painel
O painel foi um dos primeiros a ficar pronto, pois na época eu já tinha recebido os mostradores. Ele foi projetado de maneira simétrica, para demarcar bem o lugar de cada medidor. Tudo foi pensado de modo a evitar qualquer confusão entre corrente e tensão. Tanto que as letras V e A, que indicam a grandeza medida em cada lado, são garrafais.
Ainda não me acostumei com a nova chave de força, localizada no meio do painel. Talvez por hábito, volta e meia ela me confunde. Na fonte anterior ela estava no canto superior esquerdo. Já fui várias vezes com o dedão ali, para encontrar somente o frio alumínio…
Quando projetei o painel, pensei deixá-lo bem simples, só com o essencial. Por exemplo, cogitei não montar o circuito de compensação da tensão dos cabos de saída. Isto economizaria alguns componentes, pois seriam retirados R23, C11 e R24 e os 2 bornes adicionais. Mas é pouca economia, em vista do objetivo de dispor de uma fonte de nível profissional, com mais recursos do que as encontradas habitualmente no comércio.
Assim, mantive fidelidade ao projeto original. Por isto que cada pólo tem dois bornes, um para a saída da energia e outro para o retorno da informação na ponta das garras (Vsense). Entre estes quatro bornes, fica a conexão de aterramento (borne verde), que só tem ligação com a carcaça da fonte e com o fio terra do plugue de energia elétrica. Mais tarde, pretendo instalar uma chave que permita alterar a configuração do circuito sensor, para poder utilizar cabos comuns.
O aterramento
Quem leu o recente post sobre aterramento, sabe como é importante os chassis metálicos ficarem conectados ao terra. Lembrando daqueles casos e pensando sempre num aparelho confiável e seguro, fiz uma ligação de terra para o chassis da fonte, nos moldes das fontes de computadores. Nas figuras 85 a 87, pode-se notar que o parafuso de aterramento é fixado com uma porca e arruela de pressão ao gabinete. O terminal do fio terra que vai à tomada da rede elétrica também tem sua própria porca e arruela, bem como a ligação ao borne do painel frontal. É uma forma de assegurar a passagem de correntes fortes para a conexão de aterramento.
A conexão da carcaça não tem qualquer ligação com o negativo da fonte, pois considerei aqui a necessidade de utilizar, obrigatoriamente, o fio terra.
A montagem
Uma montagem artesanal pode ser melhor ou pior que um aparelho comercial, depende da qualidade do projeto, dos componentes empregados e da qualidade da construção. Este projeto da Elektor, em princípio, tem ótima qualidade, mas como garantir que tudo deu certo?
Inclusive, muitas peças utilizadas na fonte vieram da sucata, o que traz dúvidas quanto a confiabilidade e o desempenho. De todo modo, não costumo guardar tudo que me chega, sempre opto por componentes que realmente poderão ser úteis ou que tem uma qualidade maior, como os da linha industrial, que tem longa vida útil.
Os componentes foram escolhidos a dedo e testados um por um, deixando uma confortável margem de segurança, para evitar que fossem utilizados próximos de seus limites.
As peças reusadas foram inspecionadas minuciosamente, para garantir que suas conexões não dessem problemas. Ocorre que, pelo tempo que ficaram guardados, vários componentes tiveram que ser limpos e reestanhados, pois os terminais oxidaram. Por exemplo, os diodos 6A8 (figuras 88 a 90). Este chato trabalho de limpeza foi recompensado, pois a fonte funcionou sem falhas, desde o primeiro momento.
O único problema foi uma inversão de diodo (rever figura 34), percebida antes da energização da placa e logo corrigida.
Os ajustes de corrente e tensão máximos
Esta fonte necessita só de dois ajustes: a corrente e a tensão máximas. Qualquer um poderá fazê-los, sem problemas, basta dispor de um multímetro.
A corrente máxima é alterada por R16, que fica em paralelo com R15 – rever as figuras 24 e 40. O aumento de R16 causa diminuição da corrente máxima. Em nosso caso, o valor de R16 ficou em 7K5, para 4,2A máximos. Para este ajuste, deve-se colocar a saída de alimentação em curto-circuito, regular o potenciômetro de corrente para o máximo e ir trocando os valores de R16, até encontrar a corrente de saída idealizada. Pode ser colocado um amperímetro de 10A entre os pólos positivo e negativo para medir a corrente.
Já a tensão máxima de saída é ajustada por R4, que fica em paralelo com R5. O valor de 33K ohm para R4 rendeu uma saída de 40,8V máximos. Para determinar a tensão máxima de saída, deixar o potenciômetro de tensão e o ajuste fino totalmente no sentido horário e ir trocando R4 até encontrar o valor desejado da tensão de saída.
Preferi utilizar resistores, como o projeto original indica, ao invés de trimpots, por duas razões: preço e confiabilidade. Resistores são mais robustos que os trimpots, pois não empregam partes mecânicas que podem falhar ao longo dos anos.
No artigo original, havia a calibração para os medidores de tensão e corrente, que agora são comprados prontos e não foram utilizados no projeto desta placa. Se o usuário quiser utilizar mostradores analógicos, recomendo ler o artigo em questão [1].
Os testes
Foram feitos dois tipos de testes. O primeiro deles foi comprovar o funcionamento, antes da montagem definitiva. É a montagem no estilo “sanduíche aberto” (figura 91), momento em que se fez os ajustes de tensão e corrente máximas.
Nesta configuração, foi possível atingir 45V na saída, com pouco consumo de corrente. A corrente máxima chegou a 4,8A, com tensão de 37V. Mas por precaução, ao montar definitivamente a fonte, optei por limitar a tensão máxima em 40V e a corrente a 4A. Até para evitar estresse na fonte, porque não adicionei nenhum transistor de saída, além dos 3 existentes no projeto original. Eles já aquecem bastante a 4A, com esta corrente é necessário ventilação forçada.
O segundo teste utilizou uma carga dinâmica, para comprovar a estabilidade do circuito de regulagem da fonte. Para isto, a Elektor ajudou novamente, através de dois artigos. O primeiro texto [27], mais antigo, que trata da utilização do gerador de pulsos, sugere uma carga dinâmica com transistor BD139 (figura 92).
![Figura 93 – Carga dinâmica para fontes de 12V, 4A, baseada em Circuit Cellar [28]. Para ampliar em nova aba, clique na imagem.](https://dicasdozebio.com/wp-content/uploads/2014/06/fig93-cargadinamicamosfet.jpg?w=595&h=363)
Figura 93 – Carga dinâmica para fontes de 12V, 4A, baseada em Circuit Cellar [28]. Para ampliar em nova aba, clique na imagem.
Já o texto publicado na Circuit Cellar [28], “Testing Power Supplies” (Testando fontes de alimentação), que tem a participação do renomado engenheiro Ton Giesberts, da Elektor, mostra um circuito mais moderno, que utiliza um transistor MOSFET para a mesma função.
Nos dois circuitos, que são muito semelhantes, o controle do chaveamento provém de um gerador de ondas quadradas (gerador de áudio). O transistor coloca (ou não) um resistor a mais em paralelo com a fonte. O consumo de corrente varia entre 90% e 10% da capacidade de corrente da fonte, conforme ele esteja em condução ou em corte, respectivamente.
O primeiro circuito é adequado para testar fontes de 5V. Utiliza um transistor bipolar, que tem queda de tensão importante e que deve ser considerada no cálculo do resistor de coletor.
Já o esquema da figura 93 foi idealizado com base nas informações do artigo de Ton Giesberts. Ele foi projetado para oferecer uma carga de 10% e 90% para 4A, sob 12VCC. Escolhi a tensão de teste de 12V de modo a facilitar os testes para comparação com uma fonte de PC, de alta capacidade.
Assim, para drenar 400mA de corrente (10%) em R1, foram ligados em série dois resistores (3,3 e 27 ohm), num total de 25W. Para a carga de 80% (R2), foram utilizados dois resistores em paralelo (18 ohm/10W e 4R7/25W).
A potência destes resistores é insuficiente para testes prolongados, mas servem ao nosso propósito de identificar o comportamento da fonte com cargas dinâmicas. A figura 94 mostra o dispositivo de teste da fonte, conforme o esquema da figura 93. O transistor está montado sobre um pequeno dissipador de alumínio, que não aparece na foto, pois fica debaixo da placa de fibra.
Não foram utilizadas lâmpadas incandescentes como carga, pois elas alteram demais a resistência quando aquecem o filamento. Isto prejudica o comportamento do circuito, que utiliza diversas frequências de chaveamento, pois deforma a onda vista no osciloscópio.
Mediante adaptações, este circuito poderá testar fontes de qualquer capacidade, especialmente as de computadores. Para isso, poderia ser montado um circuito com vários transistores MOSFET, cada um com o seu resistor. Os transistores MOSFET de até 100V de tensão de trabalho, apresentam baixíssima resistência entre dreno e supridouro (D e S), que permite o cálculo direto do resistor de dreno, sem considerar qualquer queda de tensão.
A configuração das ligações dos transistores poderia ser feita por chave ou microcontrolador, colocando um ou mais transistores em paralelo, de modo a oferecer uma carga condizente com a capacidade da fonte sob teste.
Para os testes, utilizei um gerador de áudio, com saída de 10Vpp a 50 ohm de impedância, em onda quadrada, nas frequências de 40Hz, 400Hz, 4KHz e 40KHZ. O osciloscópio foi calibrado em 2V por divisão no eixo vertical, em leitura AC (CA – corrente alternada). O eixo horizontal foi ajustado para sempre exibir 1 ciclo e meio na tela, conforme a frequência vai subindo: 200ms, 20ms, 2ms e 0,2 milissegundos (200uS).
O comportamento da fonte é observado na tela do osciloscópio. Lembrando que o eixo vertical (Y) da tela mostra a amplitude do sinal (2 Volt em cada quadrinho ou divisão). O eixo horizontal (X) exibe o tempo, que é medido em milissegundos (mS) ou microssegundos (uS), conforme o caso. Um segundo é igual a 1000 milissegundos.
As figuras 95, 97, 99 e 101 apresentam o comportamento da fonte nas frequências citadas, começando pela mais baixa. Já as figuras 96, 98, 100 e 102 mostram as mesmas condições, com a inclusão de um capacitor de 470uF em paralelo com a carga dinâmica.
Conforme o segundo artigo sobre o teste de fontes de alimentação [28], a frequência de avaliação pode variar bastante. Isto ajuda a enxergar para qual tipo de uso a fonte é mais apropriada. Podemos perceber que quando colocamos um capacitor eletrolítico na saída, o comportamento melhora bastante, para quaisquer frequências.
Foram feitos testes com uma fonte de PC (Bestec ATX-300-12Z FDR), que comportou-se melhor (figuras 103 a 105), mas devemos observar que ela trabalhou sob várias condições vantajosas. As principais:
– a tensão de saída é de 12V fixos, o que facilita o controle, pois o projeto todo é em função deste valor;
– o circuito é muito compacto, com fiação curta, o que melhora a velocidade de resposta;
– a capacidade de corrente é amplamente maior (19A), com isso a carga não conseguiu atingir 90% da corrente máxima e não estressou a fonte.
Mas nem tudo é perfeito. Notei que o comportamento da fonte de PC mudou radicalmente conforme a bitola do fio de conexão da carga. Fios muito finos (daquelas garras jacaré prontas, vendidas em maço) estragaram completamente a estabilização, chegando a formar uma onda quadrada (figura 107) de 4Vpp. Ou seja, a tensão da fonte variou 4V, conforme a carga era ligada ou não. Mesmo a adição do capacitor de 470uF não ajudou muito (figura 108), inclusive tendeu a oscilar em frequências maiores.

Figura 107 – Alteração da tensão sobre a carga, com cabos finos na fonte de PC, frequência de teste 40Hz.

Figura 108 – Alteração da tensão sobre a carga, com cabos finos na fonte de PC e capacitor de 470uF em paralelo com a carga, frequência de teste 40Hz.
A fonte montada não é tão rápida quanto a fonte de PC, por isto ocorre o pico inicial da saída, até a estabilização com a carga de 90%. Na verdade, o pico é o mesmo em todas as imagens, só que conforme aumenta a frequência, ele fica mais alargado. Ele se estende por aproximadamente 100uS e soma 12V à tensão de alimentação, com a carga chaveando em 40KHz (pior caso). E seria minimizado se a tensão de entrada do circuito de estabilização não fosse tão diferente da tensão de saída.
Assim, pode não ser grande vantagem uma fonte que consiga entregar de 0 a 40V, talvez um pouco menos fosse melhor. Provavelmente, por isto que a faixa de tensões mais comum em fontes comerciais é de 0 a 30VCC. Outra opção, seria fazer a saída escalonável, como por exemplo 0 a 15V e 10 a 30VCC, através da troca de secundários do transformador.
É possível que, dotando o estágio de potência de transistores mais novos, com maior ganho e aptos a frequências mais elevadas, este problema seja minimizado.
Ou mesmo reprojetando o circuito impresso, cuidando para evitar fiação longa que possa aumentar indutâncias e capacitâncias parasitas. Correntes muito altas exigem mais transistores e impõe maiores dificuldades para o controle deles, pois a capacitância das junções a serem comandadas aumenta, o que causa lentidão na resposta a transientes.

Figura 109 – Teste do circuito de carga dinâmica em uma bateria de 12V, 7Ah, completamente carregada.
Também fiz um teste com uma bateria de 12V, própria para alarmes.
Idealmente, o chaveamento da carga não deveria exercer qualquer influência sobre a tensão de alimentação, mas não é o que ocorre na prática. Nem numa bateria nova e carregada (com impedância muito baixa), com capacidade de 7Ah, o comportamento é ideal (figura 109). Pode-se notar que, momentaneamente, a bateria entrega à carga uma tensão maior que os 12V…
É interessante observar que na figura 109 o osciloscópio está medindo em CC (DC), ao contrário das outras telas vistas até agora. A linha mais inferior da tela serve de referência de 0 Volt, sendo que o eixo vertical está ajustado em 5V por divisão.
O pico, de aproximadamente 9V acima da tensão de 13,8V, mantém-se por cerca de 50uS. Neste pequeno instante, a bateria chega a entregar perto de 22V!
O comportamento da tensão com a bateria piora (aumenta a amplitude das imperfeições da onda) se os cabos forem mais finos. Com isso, percebe-se a importância de respeitar certos limites de comprimento e bitola dos cabos.
Precauções em projetos
Os testes aqui evidenciam a necessitade de controlar o excesso de tensão de alimentação em circuitos sensíveis, pois podem originar erros nas tarefas que deveriam desempenhar ou diminuição da vida útil do aparelho/componente, principalmente quando há mudanças bruscas no consumo de energia. Um exemplo típico são os frequentes erros e falhas do sistema operacional, em computadores com fontes de má qualidade. Outro, o acionamento de LEDs em fiações muito longas, que podem causar sua queima.
Uma forma eficiente de diminuir o problema nos projetos é que o controle de espúrios e a adequada filtragem sejam feitos o mais próximo possível da carga. Se os cabos forem muito longos entre a alimentação e a carga, um estágio adicional de filtragem é obrigatório.

Figura 110 – Circuito de equalização do amplificador de áudio integrado com pré-amplificador Gradiente Model 366. Em destaque, os componentes utilizados para filtrar a alimentação deste estágio.
Em circuitos simples, um resistor (ou indutor, conforme o caso) de valor adequado no ramo positivo, acompanhado de um capacitor eletrolítico para filtragem, podem fazer muita diferença para a estabilidade de funcionamento. Se forem colocados dois capacitores, um antes e outro após o resistor ou indutor, está formada a conhecida (e eficaz) rede Pi de filtragem. A filtragem adicional é uma técnica muito utilizada em áudio, para evitar interferência da etapa de potência nos estágios de pré-amplificação (componentes em destaque na figura 110).
Varistores ou diodos zener, colocados na linha de alimentação, também podem ajudar nesta limitação. A tensão de ativação deles deve ser pouco maior que a de alimentação, para ficarem “invisíveis”, até o surto aparecer e ser absorvido. Uma apostila interessante sobre o uso de varistores é da Siemens [29].
A aparência final
Na figura 111, aparecem todas as peças juntas, antes da montagem no gabinete. A placa de circuito impresso foi montada sobre tocos de mangueira plástica, que serviram como espaçadores, sobrepostos a uma chapa de fibra isolante (figura 112), de modo a evitar qualquer problema de curtos-circuitos. A fibra é um cartão grosso, utilizado em oficinas que enrolam motores elétricos.
Nos furos de fixação da placa de circuito impresso (figura 113), percebe-se que os parafusos não conseguem tocar o cobre das trilhas. É que o furo é escareado levemente, para que exista no seu entorno uma área isolada. Junto com um espaçador feito de material isolante, o isolamento fica garantido. Utilizo esta técnica há mais de 30 anos, nunca deu um só defeito. Mas também nunca foi utilizada para tensões acima de 100VCC.
Na maioria das fotos anteriores, os knobs que aparecem são de alumínio, mas eu não estava contente com este visual. Eu já tinha um knob pequeno de baquelite, da Joto. Numa loja de eletrônica, encontrei dois antigos knobs do mesmo fabricante, também de baquelite. O visual definitivo aparece na figura inicial do artigo.
Referências
[1] Revista Elektor nº 24, julho de 1988, primeira edição brasileira – Elektor-bras-24-fontePB
[2] HP6400 – Vecchie Riviste Elektor – http://www.hp64000.net/page3/page3_2/page3_2.html
[3] Webcindario – Amplificador operacional de propósito general – LM741 – http://electronica.webcindario.com/componentes/lm741.htm
[4] Alldatasheet – LM741CN – http://pdf1.alldatasheet.com/datasheet-pdf/view/66386/INTERSIL/LM741CN.html
[5] Texas – LM741 – http://www.ti.com/lit/ds/symlink/lm741.pdf
[6] Datasheet Catalog – LM741 – http://www.datasheetcatalog.com/datasheets_pdf/L/M/7/4/LM741.shtml
[7] CP Eletrônica – Equipamentos – http://www.cp.com.br/equipamentos.php
[8] Elliot Sound Products – Transformers – The Variac – http://sound.westhost.com/articles/variac.htm
[9] Variac Industria Metalúrgica Ltda. – http://www.variac.com.br/
[10] ISE – Variable Transformer Selector – http://variac.com/staco_Variable_Transformer_Map.htm
[11] Máquinas e Acessórios Gutierrez – Variador ou regulador de tensão – http://www.maqgutierrez.com.br/0/10/393/MaqGutierrez/Mat.+El%C3%A9tricos/Variador+ou+regulador+de+tens%C3%A3o
[12] KiCad EDA Software Suite – http://www.kicad-pcb.org/display/KICAD/kicad+EDA+Software+Suite
[13] Centro Tecnológico Estadual Parobé – Curso de Eletrônica – Laboratório de Eletrônica Analógica I – http://www.taqui-tche.com.br/TRANSISTOR_3.pdf
[14] Universidade Federal de Pernambuco – UFPE – Grupo de Engenharia da Computação – Greco – Eletrônica – Transistor-08 – http://www.cin.ufpe.br/~ags/eletr%F4nica/aula_08.pdf
[15] Wikipedia – IEC60320 – http://en.wikipedia.org/wiki/IEC_60320
[16] Schaffner – IEC Power Entry Modules – http://schaffner.com/en/products/emcemi/category/iec-inlet-filters-power-entry-modules.html
[17] Canford – conector CA IEC – http://www.canford.co.uk/Products/42-050_SCHAFFNER-AC-MAINS-POWER-CONNECTOR-IEC-Male-panel-with-filter
[18] FJMsoft – tomada CA tripolar com porta-fusível – http://www.fjmsoft.com.br/ecommerce_site/produto_11151_9175_Tomada-AC-AS07-tripolar-para-painel-com-porta-fusivel
[19] Schaffner – downloads – http://schaffner.com/en/downloads.html
[20] Wikipedia – Unidades de rack – http://pt.wikipedia.org/wiki/Rack_Unit
[21] Wikipedia – Rack unit – http://en.wikipedia.org/wiki/Rack_unit
[22] PlinkUSA – Rackmount Chassis – http://www.plinkusa.net/
[23] ProAudioStash – 19″ Rack Shelf – http://www.proaudiostash.com/product/19-inch-rack-accessories/rack-shelves/plain-shelves/1u-19-rack-shelf/140.shtml
[24] Nilko – Gabinetes e Racks 19″ – http://nilko.com.br/gabinetes19/?gclid=CKWOuO2w_L0CFSdn7Aod1VkAHA
[25] S4T – Racks para servidores – http://www.s4t.com.br/linhas/racks/?gclid=CJuvx-6w_L0CFUQF7AodeUkAjw
[26] Cemar Legrand – Racks e gabinetes VDI – http://www.cemarlegrand.com.br/sites/cemarlegrand.com.br/files/produtos/recursos/lcs2/lcs2_esp_racks.pdf
[27] Revista Elektor nº 11, junho 1987, primeira edição brasileira – Elektor-UsoGeradorPulsos – p. 22-23
[28] Circuit Cellar – Testing Power Supplies – http://circuitcellar.com/ee-tips/testing-power-supplies-ee-tip-112/
[29] CERN – Apostila Siemens sobre varistores – http://te-epc-lpc.web.cern.ch/te-epc-lpc/components/datasheets/te-epc-lpc%20(converters)/Varistor%20(SIEMENS).PDF
[30] Farnell – Fonte laboratório TTi – http://www.farnell.com/datasheets/1796748.pdf
\ep/













![Figura 20 - Fonte de bancada com displays de maior precisão (4 dígitos). Fonte: Farnell [30].](https://dicasdozebio.com/wp-content/uploads/2014/06/fig20-r6654899-01.jpg?w=595)




























































![Figura 92 – Carga dinâmica para fontes de 5V, 2A. Fonte: Elektor [27].](https://dicasdozebio.com/wp-content/uploads/2014/06/fig92-testedefontes.jpg?w=595&h=393)
















Olá!
Montei esta fonte há muitos anos, ao invés de montar 4c transistores 3055, instalei um ESM 3030DV, da ST, ficou excepcional.
Como você, ignorei os 2 bornes adicionais de compensação.
Reformulei toda placa, instalei um voltímetro digital, com excelente precisão, nada contra, mas não é da RPC, é nacional.
Testei em um amplificador de 40 + 40W, ruído zero, aquele típico de fontes ruins, não é o caso desta fonte.
Resumindo, se alguém tem dúvida, não tem porque, pois é um excelente projeto, testado e aprovado.
Ah, pra corrente, instalei um shunt de 20A 50mV, da Kron, deixei bornes externos para conectar um multiteste em escala VCC mV…
Já montei diversos projetos da Elektor, edição brasileira, os caras são profissionais, como não vimos mais hoje em dia…mais isto é outra história.
Achei pertinente deixar um comentário.
Abraço.
Silvano, muito obrigado pelo seu relato, é bom saber que mais técnicos montaram essa fonte e estão satisfeitos! E realmente, a Elektor era (ainda é) uma excelente referência em eletrônica, pena que não temos mais nada em portugês dela.
Com certeza a melhor fonte que ja montei.
Modifiquei usando a mesma base da publicação original da Elektor.
Tenho uma tensao variavel ate 40VCC e corrente constante.
Voce pode aumentar a tensao de saida trocando o LM 723 pelo L146 ( este tem a tensao maxima de entrada em 80VCC! – pinagem idêntica ao 723), a saida pode variar ate próximo do limite de entrada – porem ha necessidade de modificar o trafo e componentes associados ao mesmo.
Eu nao fiz estas alterações, nao sao teóricas, funciona com certeza absoluta, nao implementei porque para meu uso, a fonte padrao me atende bem.
Fica a dica para quem tiver interesse ou necessidade de mais tensao de saida.
Valeu.
Silvano, excelente dica!!! Isso amplia ainda mais as possibilidades!
Alô alô internautas 05/02/2023 me preparando pra montar uma pra mim. 🙂
Marcelo, seja bem vindo, depois mande fotos e comente o que deu certo ou errado!
Será possível ao invés de utilizar um transformador utilizar uma SMPS de 40V e 5A?
No caso de uma possível substituição elimina os Retificadores (B1 e B2), C1, C2 e C10.
Wando, uma fonte chaveada já é estabilizada, se precisar de ajuste de tensão, pode fazer nela mesmo, é só ver aonde está o TL431, que geralmente é utilzado como referência de tensão.
Um potenciômetro colocado nos terminais já pode resolver o seu problema. Olhe este link:
https://www.homemade-circuits.com/how-to-make-variable-current-smps/
Outra coisa, esse projeto da Elektor usa secundários diferentes, não dará certo se tentar usar uma só fonte de tensão.
Olá amigo Euzébio!
Por ventura os CIs operacionais (Lm723 e os 2 lm741) podem ser alimentados com uma tensão de 12V já retificados ao invés de 16,97 retificados?
Obrigado!
Wando, provavelmente sim, só talvez exista alguma limitação na tensão máxima de saída.
Sou muito grato por este artigo, por muito tempo procurei montar uma fonte com estas características, montei a minha e estou muito satisfeito, ficou bem estável, e com um ajuste muito bom de corrente, foi minha primeira fonte feita do zero! Obrigado Eusébio!
João, fico muito contente que tenha montado essa fonte de qualidade, muito obrigado pelo retorno! É reconfortante saber que meu texto lhe ajudou nisso.
Olá, Eusébio!
Tenho um toroidal aqui com um dos secundários com 35v/7A.. 1v a mais do que usastes… Tem problema não né? Fantástico o documento, estou lendo cada pedacinho dele! Parabéns!!
Thiago, cuide que talvez tenha que limitar a tensão para alimentação dos amplificadores operacionais, para não “fritá-los”. Obrigado pelo apoio, informe se conseguiste montar a fonte e como ficou!
Andei pesquisado sobre fontes e escolhi montar essa.
Vi tambem que o componente critico dessa fonte é o regulador LM723, vi muitas pessoas queixar-se dele.
Cuidado com os LM723 falsos q existem aos montes.
Prefiram o LM723 texas(metálico) ou MC1723 Motorola para evitar problemas.
Cuidado, eles são frágeis pois eles não tem proteção interna contra sobre cargas.
Sejam felizes.
Luiz Carlos, obrigado pelas dicas, e concordo contigo, o LM723 queima facilmente, esta fonte foi a primeira que montei sem ter avariado nenhum LM723. A dica, portanto, é SEMPRE REVISAR BEM as conexões, antes de ligar a montagem.
Eu estava a procurar uma fonte com ajuste de tensao e corrente.
Que fosse linear nos ajustes da saida.
0v a 30v
0A a 4A
Achei essa daqui depois de analuxar diversos circuitos (Alguns bons).
Essa fonte é diferente, ela vem junto com um artigo completo, uma rezenha completa graças aos participantes.
Vale apena ler cada linha desse rico conteúdo.
A todos meu muito obrigado.
Luis Carlos, muito obrigado pelas palavras de apoio, seja bem-vindo!
Eu estava a procurar uma fonte com ajuste de tensao e corrente.
Que fosse linear nos ajustes da saida.
0v a 30v
0A a 4A
Achei essa daqui depois de analuxar diversos circuitos (Alguns bons).
Essa fonte é difetente, ela vem junto com um artigo completo, uma rezenha completa gracaa aos participantes.
Vale apena ler cada linha desse rico conteúdo.
A todos meu muito obrigado.
Luis Carlos, obrigado pelo apoio! Retorne quando tiver terminado o seu projeto!
Boa tarde, o link para os ficheiros do kicad nao está a funcionar, será que poderia atualizar o link?
obg.
Marcelo, desculpe o incômodo, planejava subir os arquivos para o WordPress, mas como não aceita compactados, fiz o upload no Mediafire, segue o novo link:
http://www.mediafire.com/file/8quwc5e5jlr0yfo/Fonte-0-40V-0-4A-KiCad.zip/file
Muito obrigado, agradeço pela disponibilidade.
ola eusebio me interecei muito pelo projeto, vc disse no texto que com poucas modificacoes poderia aumentar a tensao de saida da fonte gostaria de saber como fazer pois preciso de uma saida de 50vdc obg;
Cristian, peço que compare o esquema deste artigo com o esquema original, que está no pdf da revista Elektor. Observe os resistores em torno do comparador que ajusta a tensão de saída.
Quanto tempo… inicialmente eu tinha intenção de fazer uma versão com 3 saídas e adaptar os ajustes “digitais”, porém como já mencionei aqui nos comentários é muito difícil ou impossível de fazer o potenciômetro de ajuste da tensão ser “convertido” para ajuste através de algum microcontrolador devido a tensão ser muito alta na qual o circuito é submetido implicando em um possível circuito complexo demais e possivelmente impreciso.
Então resolvi fazer uma versão mais simples de 1 saída somente com ajustes analógicos e algumas modificações como uso de taps na saída do transformador (troca feita por relé), um CI INA193 para amplificar a tensão do shunt em 20x(shunt de 40mohm), um Arduino, 2 conversores AD ADS1115 (para medir tensão e corrente) e um display gráfico.
estou na fase de testes, como nunca tive uma fonte de bancada não sei o quanto ela pode ficar instável quando a proteção de corrente atua pois para mim ela está bem instável gerando muito ripple nessa condição, talvez por conta de alguma modificação que fiz no circuito original. Seguem os testes, assim aprendo algo a mais com os próprios erros kkkk
Quando ficar pronta e se ficar boa compartilho aqui as modificações que fiz.
Fábio, muito bom saber que fizeste outras alterações no projeto, que modernizaram a fonte. Assim que tiver o material, publique nos comentários!
Bom dia, parabéns pelo posto muito rico em conteudo, maravilhoso.
Mas eu só não consegui baixar os arquivos, os links estão off, alguém poderia ajudar?
Mais uma vez ótimo post, o melhor que já vi sobre fontes, meus parabéns
Alisson, obrigado pelas palavras de apoio, minha conta no 4Shared foi encerrada, assim que eu conseguir colocar os arquivos da fonte em outra plataforma, eu mudo o link do artigo. Talvez eu faça no próprio wordpress, o problema é que não posso colocar arquivos compactados.
Bom dia Zébio, tudo bem? depois de 4 anos namorando esta fonte, consegui fazer a montagem, montei tudo como mostra o esquema original. Ai quando liga ela já entra em modo de proteção ou seja acende o led na hora. Revisei tudo por varias vezes, até que descobri ontem a noite que a alimentação do integrados (lm741) esta em 33vcc, usei para o controle um Trafo novo de 12 0 12, e o integrados aguenta até uns 20vcc no máximo pelo que pesquisei. O que tu me diz? o projeto original esta errado com relação a alimentação destes integrados? Se analisar o esquema original a alimentação é isso.
Aguardo tua colocação!
Abração
Att.
Andriano
Andriano, observe que o projeto original era uma fone 0-30V, eu que aumentei a tensão de saída quando a construí. Como utilizei 741 oriundos de sucata industrial (as especificações são melhores e aguentam mais tensão), nunca tive qualquer problema, a fonte está prestando bons serviços até hoje.
No artigo inclusive eu comento isso, da tensão sobre os amplificadores operacionais. Ela é que no final das contas, possibilita aumentar a tensão da saída.
Bom dia! Eu montei a minha com todo capricho, mas eu acho que pela dificuldade de conseguir os CIs operacionais de qualidade ela nunca funcionou então eu abandonei a montagem. Comprei um kit no Aliexpress de uma fonte 0-30 V 5A que funciona muito bem.
Sílvio, é uma escolha. A fonte Elektor foi montada por técnicos do mundo todo, é um projeto bom e confiável, o problema muitas vezes é que nos deparamos com peças falsas, ou de má qualidade, especialmente em nosso país.
Então Eusebio, eu tinha alguns CIs antigos nos meus guardados e também testei com alguns das lojas de componentes, mas mesmo assim não funcionou.
Sílvio, os CIs comparadores costumam ser bastante robustos, se não ligaste a alimentação invertida, dificilmente eles queimariam. Comprovaste que o LM723 está funcionando? Ele já me deu muita dor de cabeça e queima fácil, se não cuidar um eventual escorregão de uma ponta de prova, por exemplo.
Boa tarde, seria possível postar novamente o arquivo compactado do projeto? O mesmo não está mais disponível no link do 4shared. Aproveito para agradecer por compartilhar esse projeto e as experiências com ele, estou ansioso para montar a minha!
Leonardo, eu tenho os arquivos, mas minha conta no 4shared foi encerrada. Como o WordPress não permite arquivos zipados, eu vou organizar os arquivos e disponibilizarei de alguma outra forma. Pode demorar um pouco, se passar mais de duas semanas, cobre novamente, certo?
muito comentario sobre a fonte e ninguem falou nada com nada só encheram linguiça.
Sílvio, concordo que poderíamos focar mais em assuntos técnicos, mas se houver só comentários técnicos pode ficar um blog chato, sempre é bom espairecer um pouco…
Olá boa noite,sou seu seguidor e assisto a todos os seus comentários de ensino e seus projetos,sou apenas um apaixonado pela eletrónica mas estive alguns anos afastado desta arte e agora que estou com tempo livre decidi tornar este hobby mais aprofundado .
Estou montando a minha bancada e o que me falta é uma fonte regulável,acontece que achei no lixo uma placa de uma caldeira de água quente que vinha com o transformador o qual eu liguei na entrada de 220 e na saida tem uma tensão de 40 v Ac ,fiz a ponte de diodos usei o LM317 e funciona perfeito regulo de 0V a 38 V ,acontece que eu quero ligar um voltimetro amperimetro e o mesmo só aguenta até 30V se for mais ele vai estourar.A pergunta è a seguinte ,tem como baixar a tensão de 38V para os 30V ou terei de comprar um Voltimetro Amperimetro com mais capacidade. OBS: o voltamperimetro é desses baratinhos do Aliexpress que um amigo me ofereceu .
Miguel, primeiro deveria cuidar o transformador, que fornece 40VCA no secundário. Sem carga, a tensão sobe para 56V (40 x raiz de 2), o que ultrapassa o limite suportado pelo LM317, de 40V de diferença entre a entrada e saída (suponha a saída em zero Volt).
Para o seu medidor funcionar em 38V, a forma mais elegante seria pegar um transformadorzinho de 12V, de uns 200mA ou mais, retificar e filtrar essa tensão do secundário, para exclusivamente alimentar o medidor. Isso se o ponto de medição de tensão for diferente do de alimentação do mostrador. Se for o mesmo ponto (alimentação e medição), leia o artigo acima, que explico como separar os fios. Ocorre que mesmo que a tensão ultrapasse os 30V, no ponto de medição, esses displays aguentam até uns 50V, em média (sempre considerando que a alimentação do instrumento é separada da medição de tensão). Até porque se um display consegue mostrar 30V, porque não mostraria até uns 99V, já que existem os caracteres para isso?
Mas, se o fabricante informa que o voltímetro não pode medir acima de 30V, respeite isso.
Você falou que ele é medidor de tensão e corrente. Mais um motivo para alimentá-lo com fonte independente, para não ter erros de leitura.
Outra forma de medir, considerando que exista a fonte independente e exclusiva para o mostrador, seria usar um divisor 10:1, ou seja, se tiver 10V na entrada ele irá ler como 1V. É um saco ler em escala diferente da real, mas seria uma opção. O divisor resistivo seria semelhante ao das entradas de tensão de qualquer multímetro, observando a escala adequada, obviamente.
Obrigado pela dica ,vou deixar esta fonte assim mesmo como está ,pois um amigo acabou de oferecer uma fonte ATX de um computador velho que ele não usa mais , assim dá para eu regular a tensão e usar esse voltamperimetro. Obrigado pela sua dica um bem haja . um abraço desde Lisboa
Igualmente, Miguel, um Grande Abraço!
Bom dia amigo, eu liguei o meu pra fazer alguns testes com carregador de celular velho. Funciona até hoje com tensao de entrada de 5V.
Bom dia Euzebio, duvida: na corrente de 4A e tensao de 40v colocando uma carga que consome 4A quanto cai a tensao?
João, isso depende do transformador, se ele tiver potência suficiente, não cai nada. No meu caso, expliquei isso no texto logo acima da figura 23 (seção chamada “Na prática, a teoria é outra…”).
Valeu pela atencao, e desculpe a falha coisas de principiantes.
Que nada, João, pior seria se não tivesse perguntado, esteja à vontade.
Boa Noite
Estou necessitando de uma fonte ajustável entre 20 a 50 V que suporte uma corrente instantânea de 3 A. Ela será utilizada para carregar capacitores (50.000uF) de uma máquina de solda TIG de descarga capacitiva. Você teria algum esquema que eu possa me basear.
Antecipo agradecimentos.
Rubens
Rubens, a fonte deste projeto fornece, em princípio, a corrente que necessita, apenas precisa ajustar o valor de corrente máxima. Ajustando, por exemplo, a proteção de sobrecorrente em 3A, a fonte irá fontecer até esta corrente, e daí protege. A tensão mais alta também é possível, apenas teria que garantir que os amplificadores operacionais não recebam tensão simétrica maior que +-15V. O ajuste que fiz neste projeto subiu a tensão de saída de 35V para 40V. Se você quiser ir até 50V, altere o resistor conforme descrevo no artigo e escolha transistores de saída que suportem essa tensão, como o 2SC5200 ou equivalente, de boa procedência.
Bom dia “caro mestre”, vc teria este arquivo no protheus?. Quando baixei os arquivos vieram 2 no protheus porem corompidos. Agradeço pela sua atenção e ensinamentos.
João, eu fiz todo o projeto no Kicad, provavelmente ambos os programas usam a mesma extensão, mas cada um grava de um jeito.
BOA NOITE MEU AMIGO , EU TIVE UMA FONTE NO CASO MUITO FRÁGIL , DESSAS FONTES COMPRADA NO MERCADO LIVRE , MAS MEU INTERESSE É DE POSSUIR UMA FONTE MAIS ROBUSTA , ASSIM COM ESSA QUE TIVE LENDO UMA BOA PARTE DAS EXPLICAÇÕES , CONFESSO QUE COPIEI TODAS AS FOTOS , DE ESQUEMA E DE CONFIGURAÇÕES , MAS PREFIRO SUA ORIENTAÇÃO, POIS SOU VELHO NA IDADE , MAS JOVEM NA VERDADE BEBEZINHO EM CONHECIMENTO DE ELETRÔNICA , ESTOU ASSISTINDO TUDO QUE É VÍDEO DE ELETRÔNICA NO YOUTUBE , POIS TENHO INTERESSE EM APRENDER A CONCERTAR CELULARES , MAS NÃO SÓ ISSO , POIS QUERO PODER APRENDER A CONCERTAR MEIO QUE DE TUDO MEU AMIGO ,MAS SEM UMA FONTE REGULÁVEL É DIFÍCIL , POIS PARA OS CELULARES É MUITO BOM TANTO PARA CARREGAR AS BATERIAS DOS CELULARES , COMO QUE PARA TESTAR AS CORRENTES QUE PASSAM PELAS PLACAS DOS MESMOS , ESPERO QUE TU POSSA ME AJUDAR A TER UMA FONTE MAIS SEGURA COM PROTEÇÃO CONTRA CURTOS , POIS ESQUECI A MINHA UM POUQUINHO LIGADA E , ELA NÃO FUNCIONOU A PROTEÇÃO ,E VEIO A TORRAR O TRANSFORMADOR PEQUENINO.
Luiz Carlos, seja bem vindo ao Dicas do Zébio, ainda vai demorar um pouco um artigo que estou preparando de uma fonte bem simples, regulável e com proteção, mas com tensão de saída mais baixa.
Uma boa opção é utilizar uma fonte de PC, separar as conexões de -12V, 3,3V, 5V e 12V e colocá-las num painel de bornes, que seriam ligados conforme a necessidade. As fontes de PC tem uma proteção excelente, elas desligam imediatamente com um curto-circuito, e podem fornecer altíssimas correntes.
Para monitorar a corrente e tensão, pode usar esses mostradores digitais que vêm prontos é só ligar na saída da fonte, conforme instruções que vem neles mesmos.
Outra coisa, para consertar aparelhos pequenos, como os celulares, você precisará uma boa lente de aumento, pois as peças são muito pequenas. O ideal seria utilizar um microscópio estereoscópico, conhecido no meio laboratorial como lupa estereoscópica. Um aparelho desses, com aumento de 20 vezes já seria excelente ferramenta, pois ele fornece uma imagem tridimensional (enxerga-se a profundidade do objeto, usando os dois olhos).
sr euzebio, montei a fonte de 0 a 43v mais não tive sucesso, a fonte fica estabilizada em 43v. Tanto na corrente como na tensao. Os potenciômetros não atuam, já exclui o R23 – R23 e coloquei jumpers e nada. O que devo fazer?
Sebastião, primeiramente teste a tensão entre o negativo da fonte e cada um dos terminais de D8, que fica em paralelo com o coletor e o emissor dos transistores de potência. Se não houver diferença de tensão, algum destes transistores está em curto, largando a tensão máxima para a saída.
Se ali estiver tudo certo, meça as tensões positiva e negativa sobre os amplificadores operacionais, nos pinos 7 e 4 dos 741. Deve haver uma tensão próxima de 15V (positiva no pino 7 e negativa no pino 4). Se houver qualquer anormalidade aí, a tensão de saída pode não ajustar corretamente.
Também precisa certificar-se que os cabos de saída estão em bom estado, e que as ligações “sense” (Us1 e Us2) estão realmente conectadas lá na garra jacaré dos seus respectivos polos (U1 e U2).
Por aí você já deve ter uma ideia do que está errado.
Olá gênio estou fazendo essa fonte , correu quase tudo certo mais na hora que eu coloco o R4 que fica em paralelo com R5 com a tensão ajustada no máximo não consegui elevar a tensão de saída, sendo que fiz vários testes com resitores, a minha está entregando 23.08 v , me dê uma dica oque pode ser obg , e sobre a corrente o meu tramsformador é de 24v por 4,5 AP segundo o fabricante ,ai fecho curto na saída para ajustar a corrente com R16 a fonte frita, principalmente o R21 de 3w , o restante está ok ,”obs meus transistores são 3 Tip 35C original de sucatas” Obg que projeto maravilhoso.
Sakamoto, provavelmente há uma queda de tensão importante nos transistores de saída, meça a tensão em cada pino de D8, que fica em paralelo com os transistores de potência. Como eles estão montados em configuração Darlington, a queda de tensão sobre eles é maior, eu creio que dê uns 2 a 4 Volt, vai depender do ganho do conjunto. Se o seu trafo está entregando uma tensão próxima da máxima desejada, provavelmente o problema é o trafo, não a fonte, precisaria aumentar a tensão dele.
Também podem ser tensões incorretas nos pinos 4 e 7 dos amplificadores operacionais 741, ou mesmo o ajuste de tensão, o potenciômetro com algum problema, observe com cuidado.
Quanto à corrente sobre R21, lembre-se que ele tem 0,33 ohm. Com 4,5A passando, a tensão sobre ele será de 1,485V, o que o fará dissipar quase 7W, mais que o dobro do que ele aguenta…
Montei a fonte mas não ajusta a corrente de 0 a 40v qual o procedimento que deve tomar
Sebastião, precisa colocar a saída em curto e ajustar o valor máximo, eu fiz umas marcas no painel da minha, para dar uma ideia da corrente máxima.
Como é uma fonte analógica, relativamente simples, o ajuste de corrente é sempre “ao vivo”, ou seja, a fonte precisa fornecer a corrente, para que ela possa ser medida e mostrada no display. Sem carga, a corrente será zero.
Euzébio. Gostaria de poder trocar algumas informações com vc referente ao seu projeto da fonte. py3tvi@terra.com.br
Eduardo, se precisar falar comigo, faça pelos comentários, pois eu modero todos (leio antes de publicá-los). Se algo não puder ser publicado, fique tranquilo, não aparecerá aqui nos comentários.
Estou querendo fazer essa fonte mas estou com uma duvida, o GND dos dois transformadores são conectados juntos? no caso o TAP central do Tr1 e conectado no GND do TR2
Maurício, observe que a razão do projeto original utilizar dois secundários separados é em razão da necessidade de fontes de alimentação totalmente independentes. Assim, o tap central do transformador 1 (TR1) vai para o POSITIVO da fonte, enquanto que o negativo da fonte do TR2 vai no NEGATIVO da fonte. Se ligar junto, o resultado certo é fumaça…
Para ajudar, eu costumo colorir as linhas principais do esquema, para não me confundir. Experimente passar um lápis de cor (ou de cera) vermelha na linha do positivo e um azul no negativo. Caneta hidrocor não serve, pois tem cor muito forte. Observe minha técnica de circuito impresso, qua também utiliza as cores para ajudar a desenhar a placa: https://dicasdozebio.com/2012/11/28/tecnica-projeto-confeccao-e-montagem-de-placas-de-circuito-impresso/
Esqueci; complementando: é interessante colocar acoplado na carcaça dos TO3 uns sensores mecânicos tipo termostatos de duas temperaturas, uma de 60 graus para alerta luminoso e outro de 100 graus para alerta acústico e bloqueio ou limitação de corrente máxima, as vezes fazemos sobrecarga, Parabéns pelo capricho do projeto, na minha tinha estes termostatos para acionar as ventoinhas que fazem muito barulho, pode alimentar em tensão baixa e com disparo de termostato de temperatura mais alta aciona as ventoinhas com tensão maior para maior ventilação ex: baixa temperatura 5-6V, alta temperatura aciona a ventoinha com 12-16V.
Flávio, excelente sugestão. Apesar de ver termostatos o tempo todo em equipamentos domésticos, não atinei de fazer algo parecido. É uma forma simples e prática de resolver o problema do aquecimento e evitar dores de cabeça por queimar a fonte. Parabéns!
Parabéns pelo Projeto, tem uma melhoria importante de correção de compensação para cabos longos: Show, fiz uma similar baseada em CI 741 e utilizei um LM1458 (2 x 741) e utilizei dois reguladores para alimentar o comando sendo 7805 e 7905 regulando as tensões dos operacionais, no mais está Show, Parabéns !!!
Flávio, muito obrigado pela dica, se tiver interesse, poderia publicar seu esquema, para ajudar outros que pretendem montar a fonte também.
cara eu fiz umas modificações na minha fonte e ficou bom mais agora está faltando só aumenta amp que é de 2am pra 5am no viso o tráfego dela mesmo era 15v 2am aí eu troque por um de 12v 5am mais como ela era 15v 2am aí quando chega em 2am aí corta a tensão eu queria que cortasse em 4am ou 5am teria como fazer isso
91983137231
Binho, leia neste mesmo artigo a seção com o título “Os ajustes de corrente e tensão máximos”, lá está explicado direitinho como ajustar os valores máximos de corrente e tensão, cada um deles mexendo em um resistor específico.
Se ainda tiver dúvidas, baixe o artigo original, disponível na referência [1].
Olá, bom dia! Posso utilizar TIP147 na saída para 5A?
Júnior, teria que usar o TIP142 (NPN), pois o TIP147 é PNP. Como são para 10A máximos, eu utilizaria uns 4, para garantir. E ainda assim, irão aquecer bastante, quando a tensão de saída for baixa e a corrente, alta.
Consegui terminar a fonte, pedi para montarem um transformador 35V por 5A máximo, montaram um de 35V por 10A, mais deu pra conseguir 5A de saída pelos ajustes, coloquei um fuzível de 6A na saída, caso queime algum transistor, pode proteger o equipamento, bom mesmo seria um monitor de tensão de saída tipo a zener e com SCR acionando um relê, seria bem mais rápido. Más eu não saberia montar um circuito assim rápido, só pesquisando e testando muito.
Interessante, se não ligar os sensores, o máximo de corrente fornecida em 1V por ex, é menos de 1A, a partir de 7V é que vai dar a corrente máxima, já com os sensores ligados, em 1V ja oferece a corrente máxima.
Vou colocar uma chave de corrente baixa e alta, onde baixa, deve chegar a no máximo 2A de corrente de saída.
É isso ai, uma fonte embora um projeto antigo, mais ainda é uma boa alternativa.
José Cláudio, a corrente fornecida pelo transformador não tem problema ser maior, o importante é o resistor shunt que determina a corrente máxima (R21), é ele que precisa controlar exatamente até onde vai. Observe que se não ligar os terminais sensores, a tensão pode variar, daí não terá uma saída estabilizada.
Ola Euzebio, tudo bem?
Estou tendo um problema com uma fonte de 0 a 70v em relação ao anti curto.
Vou tentar explicar.
Fonte de 0 a 70v com corrente que o trafo oferece (vai depender do trafo a corrente).
Preciso de um anticurto que funcione tanto na baixa tensão (corrente alta) como na alta tensão(corrente baixa)
Um anticurto que funcione de 1 a 70v independente de qual seja a corrente .
Se puder me ajudar fico agradecido mais uma vez.
João, fica difícil projetar um circuito muito abrangente, não é uma coisa simples. Para ajudar, olhe este link aqui, em inglês, sobre o que fazer para proteger as fontes:
https://electronics.stackexchange.com/questions/71566/how-to-protect-my-power-supply-output
Obrigado Amigo, eu sei que é dificil por isso pedi socorro aos alucinados e afcionados.
João, se você não encontra a solução, crie uma… O link do artigo que lhe enviei traz um panorama das proteções existentes, se compreender como elas operam, já é meio caminho andado.
Fábio.
Eu montei esse projecto da Elektor faz anos (logo que a revista saiu aqui em Portugal). Imagine que ainda hoje continua funcionando e é a minha fonte de bancada preferida. Para as características originais (Uo=30V e Io=3A) o projecto original é muito simples, fiável e barato. O projectista da Elektor foi feliz naquele seu projecto.
O seu projecto é diferente do da revista Elektor, desde logo pelas características de saída da fonte, nomeadamente a tensão de saída (a corrente de saída mais elevada não é relevante, desde que corrigido o circuito de limite). Repare que para a tensão de saída de 40V as entradas inv e não inversora do operacional ficam submetidas a tensões que superam o seu limite de+- 18V. Em vez dos 36V do projecto original (30V+7V-UBE dos transistores de saída), compatível com os limites do uA741, no seu caso esses limites são claramente ultrapassados (40V+7V-UBE). Assim sendo, não há uA741 que resista sem saturar ou destruir.
Se quiser manter as características de saía de sua fonte (nomeadamente os 40V), terá de usar outro tipo ampop, com Vin superior a 46V (que não será fácil de encontrar, se é que existe). Se a tensão de saída máxima não for uma limitação para você, e poder ser fixada nos 30V do projecto original, então siga o projecto original. Vai ver que correrá tudo bem.
Abraço desde Portugal.
JMC
Saudações JMC, obrigado pelas suas explicações, são de grande valor.
Entendi suas explicações, as entradas do IC2 (741 controle da tensão) em condições normais ficam submetidas a uma tensão bem baixa (menos de 1V em relação ao GND) porém quando há alguma instabilidade (ex.: mau contato no potenciômetro no fim do curso: tensão maior da saída da fonte) causa esse problema que vc mencionou, a tensão em seus terminais de entrada do 741 se eleva muito (momentâneamente) chegando até a -24V (no meu caso – extremo) e isso faz o 741 saturar e “travar” pois a tensão excedeu o seu limite como você explicou.
Estou no momento com o projeto parado a algum tempo, ainda não decidi se faço algo nesse sentido que vc me sugeriu (reduzir a tensão de saída) ou procuro outro projeto, até porque eu inicialmente tinha a ideia de modificar essa fonte para que eu pudesse usar controles de forma digital (mais para aprendizado do que praticidade) usando um microcontrolador, o potenciômetro de corrente é fácil de adaptar para o controle digital, porém o controle de tensão é um caso muito difícil de convertê-lo devido as características de projeto (tensão em seus terminais ser igual a tensão na saída da fonte) e não achei uma solução que seja 100% eficaz sem nenhum efeito colateral. Obrigado.
Olá Luiz Henrique Friedrich, me manda o seu email talvez tenha uma fonte que possa te ajudar, vai de 0 a 50v por 5A joaobatista.marcelo@gmail.com
Boa tarde a todos! Gostaria de uma ajuda se for possível, estou agora projetando minha primeira fonte variável de bancada, desejo uma que possibilite uma tensão máxima de uns 50 Volts. Já li alguns artigos de revistas e mesmo da internet a respeito que apresentam tal projeto, porém muitos contam com certas dificuldades e até pontos duvidosos. Realizei a leitura do artigo da revista Elektor, que serviu de base para a confecção desta fonte, porém não ficou claro pra mim se o projeto pode ser modificado a ponto de possibilitar uma saída de variação linear dentro da minha necessidade. Obrigado desde já e um feliz natal!
Luiz, em caso de dúvidas, releia o artigo original da Elektor e também o meu artigo. Cuide as diferenças entre os esquemas original e o feito por mim, isso deve dar umas pistas para conseguir o seu objetivo. Esta fonte é excelente e muito versátil, certamente poderá alcançar a tensão de saída de 50V, apenas terá problemas com o aquecimento dos transistores, quando a tensão de saída for baixa e o consumo alto.
Olá ,
Não sei se é possivel mas tenho uma duvida: como ligar duas fontes ajustaveis para serem reguladas atraves de um unico potenciometro.
Ex: Você tem 2 fontes ajustaveis (iguais) com potenciometro, como ligar 2 juntas ( paralelo ou serie) e regular num mesmo potenciometro(deixando só 1 potenciometro)?
Agradeço antecipadamente pela sua atenção e ajuda.
João, eu tenho um circuito de fonte simétrica ajustável, também da Elektor, mas não encontro a revista, lembro que era com acopladores ópticos.
As fontes são ligadas em série, assim o terra (GND) será o ponto central, onde o positivo de uma é ligado no negativo de outra.
Para mudar a tensão (e a corrente também) de duas fontes com um só controle, melhor seria comprar potenciômetros duplos (estéreo) e fazer cada fonte ajustar a sua tensão (e corrente). Pode não ficar 100% igual, mas funciona. As duas fontes devem conviver no mesmo gabinete.
De outra forma, seria preciso fazer os comparadores referirem-se às duas saídas, além de cuidar a alimentação deles, que também deveria vir daí. Só vale a pena se você conhece bem como funcionam os comparadores, para fazer essa modificação drástica no circuito de controle.
Agradeço Euzebio pela sua atencao porem vou esperar até achar uma outra solucao.Espero que continue com sua presteza nos ajudando sempre que possivel.
Certamente, volta e meio dou uma fuçada nas revistas, hoje olhei novamente, mas não encontrei aquele esquema. Uma hora aparece!
Olá. parabéns pelo projeto.
Eu tenho esta fonte original da revista elektor montada a anos. Na primeira montagem usei voltímetro e amperímetro analógico. Recentemente substituí os analógicos por um digital que já mostra tanto a tensão e a corrente num mesmo conjunto. O transformador que eu mesmo havia enrolado, refis o mesmo para a inclusão de uma fonte de 9 volts estabilizada, para alimentação deste dispositivo. Substituí o antigo gabinete que eu mesmo havia produzido, por um retirado de um antigo estabilizador de tensão.
Ficou excelente, pois além do mostrador agora ser digital, o gabinete ficou bem menor.
Obrigado pela contribuição, Carlos, é importante que mais pessoas possam dar seu depoimento sobre essa excelente fonte.
Boa tarde!
Como já comentei bastante aqui sobre a montagem desse projeto, deixo um alerta para os que forem montar o projeto quanto ao local onde comprar os componentes pois mesmo comprando de uma loja boa aqui no BR caí no conto do transístor falso… aquelas peças de MJL4281A que comprei para a parte de potência eram todas falsas (consegui reembolso da loja). Eu já estava desconfiado mas não havia ainda aplicado carga na fonte (por falta de dissipador) foi aí que em um grupo do facebook sobre eletrônica que vi alguém postar sobre esse teste [ http://transfal.tripod.com/indexold.html ] devido a alta incidência de transístores falsos. Então acabei fazendo o teste e todos os meus transístores entraram em curto, alguns até sem ao menos “acionar” a base, abri alguns e dentro achei a pastilha um pouco pequena para 230W e com aquela cola de silicone branca característica comum em transístores falsos…. Felizmente ganhei 10 pares de transístores de um amigo que desistiu de montar um amplificador por falta de tempo e interesse com os transístores MJL21193/MDL21194 (similares a esse que eu havia comprado, só que esses são de 200W e não de 230W com a tensão de trabalho um pouco menor e frequência menor da casa de 4MHz), porém minha alegria durou pouco, constatei que haviam peças misturadas da ON e da Fairchild sendo que havia dois tipos de encapsulamento/marcação do mesmo fabricante (ON), já achei estranho o encapsulamento, também não gostei do terminais de alguns que pareciam estanhados para esconder uma possível oxidação…. fiz os testes de ganho e essas peças estranhas (ON) tinham ganho mais alto que o esperado e demais peças…..testei com o teste que citei acima e 7 peças não aguentaram e entraram em curto (algumas sem ao menos “acionar” a base), ainda bem que dessas peças falsas havia apenas uma peça NPN, então poderei usar as outras 9 boas na minha fonte….abri algumas das peças defeituosas e fiquei impressionado com o mísero tamanho da pastilha que é ridículo, sacrifiquei um bom PNP para comparar como pode ver na foto [1].
A minha montagem está andando devagar, estou projetando as modificações para poder ter controles através de um microcontrolador, porém converter o potenciômetro de tensão está sendo bem complicado, ainda não consegui bolar algo 100% eficaz que não comprometa as características originais da fonte (ex.: começar com a tensão do zero e de forma bem linear como um potenciômetro), também pretendo usar um shunt de baixo valor para medir a corrente para evitar mais um resistor aquecendo no interior da fonte, uma vez que o controle de corrente da fonte é mais fácil de fazer modificações devido a fazer referência ao GND da fonte auxiliar diferente do potenciômetro de controle da tensão que ao meu ver é “flutuante” . Eu não queria abrir mão do sistema dessa fonte que é muito eficaz, mas talvez eu terei que migrar para o sistema de regulação de tensão e corrente de uma outra fonte linear ajustável de outro artigo da revista Elektor que encontrei….
[1] https://68.media.tumblr.com/c70f23133378777bf0394524762adf4b/tumblr_owlal6mqzN1t4dkclo1_r1_500h.jpg
Grande Fábio, muito obrigado pela colaboração! É uma vergonha que até componentes corriqueiros sejam falsificados. É um dos motivos pelos quais a eletrônica nunca foi muito para frente no Brasil, pois os projetos não conseguem funcionar a contento!
Boa tarde Euzébio, sou estudante de Engenharia Elétrica e gostaria de saber qual ou quais livros técnicos vc recomenda para o projeto de fontes chaveadas.
Obrigado
Flávio, sou apenas um técnico em eletrônica, mas posso lhe indicar quem realmente sabe do assunto:
Em português, na área de eletrônica de potência, tem duas feras: o professor José Antenor Pomilio, da Unicamp e o engenheiro peruano Armando Cavero Miranda, atualmente na ATM sistemas de energia, olha o link de cada um deles aí:
http://www.fee.unicamp.br/dse/antenor – Ele tem livros gratuitos para download
http://caveromiranda.blogspot.com.br/ – Excelente blog, com muito material para estudo
Em inglês,há muito material, poderia começar com este sítio, que é bem completo:
http://www.smps.us/smpsdesign.html
Tem também um guia de projetos de fontes chaveadas da Microchip:
Clique para acessar o dsPICSMPS%20AC_DC%20Users%20Guide.pdf
A Semikron tem um excelente livro sobre eletrônica de potência:
https://www.semikron.com/service-support/application-manual.html
E na página da Elektor, pode ter alguma coisa interessante, eles sempre tem bons livros, como esta “Trilogia dos magnéticos”, que trata de magnetismo e indutores:
https://www.elektor.com/trilogy-of-magnetics
Com isso, creio que a diversão é garantida…
Olá! Excelente projeto! Gostaria de fazer uma pergunta, com relação às estética: Como você fez as letras e inscrições no painel principal? Serigrafia? Ficou muito bom! Eu utilizo uma rotuladora, mas o acabamento fica um tanto quanto amador.
Ricardo, eu ainda tenho um estoque antigo de folhas da Deca-dry, Decalc, e outras marcas. Eram encontradas em papelarias, para trabalhos escolares e arquitetura, não sei se ainda alguém vende isso hoje. Após decalcar direto no painel de alumínio (que antes foi escovado manualmente), eu passo um verniz em spray. Por isso que a inclusão posterior da chave do sensor “int/ext” ficou torta, pois foi decalcada em cima do verniz, que amoleceu quando foi passada nova demão.
Olá Eusebio, essa fonte é muito, também estou montando uma pra mim, tenho a coleção completa das revistas elektor da década de 1980 se for interessante pra vc e para os leitores do seu blog fique a vontade para indicar.
Olá, Picco, muito bom o seu blog! É excelente o seu trabalho, que disponibiliza as revistas de eletrônica brasileiras.
Se for possível, eu acharia interessante disponibilizar uma miniatura de cada capa, para facilitar as buscas. Mais ou menos ao estilo do American Radio History, que certamente você deve conhecer: http://www.americanradiohistory.com/
Vou tentar colocar o link para seu blog na aba lateral do meu, para facilitar o acesso a quem precisar de revistas antigas. Se tiver um selo do blog que quiser como imagem, mande o endereço.
Parabéns!!
Obrigado Eusébio, podemos trocar links pois seu blog também é muito bom e interessante. Em relação as miniaturas, eu já tentei fazer algo parecido e por duas vezes perdi as imagens pois não achei nenhum servidor gratuito que eu poderia colocar as imagens sem que ele encerasse suas atividades de uma hora pra outra, por isso preferi fazer uma tabela, também para poder adicionar um link fixo do post numa lista para facilitar, o serviço de blogger não da muitas opções nesse sentido.
E também o post ia ficar muito grande com as imagens, mesmo pequenas.
Conheço esse site americano, tenho o link lá no meu blog, assim como outros sites com mais revistas, tem um site que possui uma coleção fantástica de revistas italianas, todos os links diretos.
Quanto a imagem, pode usar essa:
https://get.google.com/albumarchive/112638048181583725194/album/AF1QipNBWiGrXllbcj4crL2QO-it04BBToKcBYcUmcdr/AF1QipNKbvGgrztoHHn_qob02IiiiciWGwj_PU-3BndH?authKey=CLmpo6Hu2v2oYA
Um abraço
Picco, o backup tem que ser uma preocupação constante… Mesmo meus posts, eu mantenho tudo duplicado, pois sabe-se lá, um dia ocorre algum tilt…
Estas ferramentas de blog tem limites mesmo, infelizmente.
Sua imagem, vou usar, mas queria saber se deseja ela melhorada, como deixei abaixo. Fiz o download dela e achei muito esmaecida, daí coloquei no Gimp e fiz uma nivelação automática de contraste. Que tal?
Eusébio, quanto ao backup, sim é extremamente importante o problema que uma coisa é fazer backup das imagens, outra é refazer tudo novamente e ultimamente estou me dedicando mais ao meu canal no youtube na esperança de ter algum retorno financeiro já que estou desempregado a muito tempo e ainda não vejo uma melhora nessa situação tão cedo.
Até um tempo atrás eu fazia backup do blog inteiro quase todo mês, mas faz tempo que não faço.
Quanto a imagem, não tem problema, as cores da imagem são assim mesmo, eu retirei da capa de um livro antigo para usar como minha imagem na net, se você quiser usar essa imagem mais clara tudo bem
Resolvi o problema do ajuste de tensão. Estou muito grato pela sua disposição e dicas.
Como eu suspeitava muito do uA741 fiz uns testes com o mesmo fora do circuito usando protoboard e a alimentação da placa de controle do projeto da fonte (+/-15,8Vcc), fiz um experimento no modo inversor e não inversor com ganho bem baixo (entre 2 e 3) e ele se comportou bem[1] (não repare muito o meu instrumento de teste tabajara e descalibrado). Então sempre que eu tinha uma folguinha eu ficava “maquinando” novos testes e possíveis modificações que poderiam mudar o cenário e sanar o defeito… o circuito já foi conferido várias vezes, os componentes são novos, o artigo e explicações também já perdi a conta de quantas vezes li e fiquei olhando para o esquema… então comecei a suspeitar da única coisa que mudei que foram os transístores de potência que no projeto original eram BD241 e 2N3055 eu havia usado transístores mais modernos (TIP41C e MJL4281A) que tem ganho maior que os originais do projeto… durante os testes eu até cheguei a trocar os 3 MJL4281A por um 2N3055 sem sucesso, até troquei o TIP41C por um antigo (de uma TV Telefunken) e nada… mas durante o início dessa semana pensei em possíveis testes que ainda não tinha feito para detectar se o conjunto darlington estava funcionando adequadamente (excitação da base)….foi quando eu tive a ideia de medir a corrente de base do TIP41C (T2) e planejar algo para atenuar a corrente de base para teste e assim diminuir um pouco o ganho do conjunto darlington e talvez evitar aquela saturação da saída da fonte que ocorria nos testes. Então ao medir a corrente de base do T2 usei um multímetro velho que de vez em quando apresenta um defeito na chave comutadora e não mede corrente direito e ainda insere uma resistência grande entre as ponteiras que estão fazendo o teste… foi só colocar o multímetro em série com a base do T2 fazer esse teste e de cara o ajuste da fonte funcionou, antes mesmo de eu colocar o resistor em série com a base do T2 como no teste que eu queria fazer, então usei um potenciômetro[2] e constatei que com uma resistência de pelo menos 600R o circuito passa a funcionar direito (pelo menos com uma carga de 220R na saída da fonte) não fiz mais testes com cargas maiores pois o dissipador do protótipo é muito pequeno…mas irei fazer logo, e reinserir o circuito de limitação de corrente que já foi testado e funciona e por questões de pesquisa do defeito e redução do circuito foi “desativado”.
Então depois de tudo isso chego a duas conclusões:
1 – O ganho muito alto do conjunto darlington (com os transístores que usei) precisa da adição de um resistor na base de T2, para evitar as instabilidades que impediam de o ajuste da tensão de saída (P1) funcionar como deveria e causando a saturação da saída da fonte.
2 – Um fato é que se por ventura as tensões nas entradas do uA741 forem maiores que a tensão de alimentação do mesmo ele satura a saída no valor máximo negativo (-15V), não é a tensão diferencial entre as entradas e sim a tensão entre uma das entradas e GND da fonte que o alimenta (o datasheet deixa bem claro que isso não deve ocorrer), essa condição durante os testes e com a fonte com defeito ocorria e essa tensão em ambas as entradas chegava a casa dos 23V que era bem acima dos +/-15,8V da alimentação. Esse problema ainda pode acontecer (agora com a fonte boa) se o potenciômetro P1 (da tensão) estiver no mínimo (saída da fonte em 0V) e por ventura houver um mau contato momentâneo no P1 levando a tensão em seus terminais ao valor máximo (aproximadamente 50V no meu caso) e logo voltando a zero, nessa condição a saída da fonte satura no máximo e permanece assim, para ela voltar ao normal é necessário ajustar o potenciômetro para subir a tensão (subir um pouco) e depois baixar para que a fonte volte a operar normalmente, isso ao meu ver é um malefício de projeto ou característica do método de controle da fonte que faz com que se exceda os limites do uA741 e depois precise-se dar um “reset” nele.
O projeto segue, quero montar essa fonte com 3 saídas independentes e se possível (e na medida do meu tempo livre) usar uma tela para os controles e monitoramento…por isso fiz a montagem em módulos em forma de protótipo (não é a versão definitiva). Espero que esse longo relato sirva para quem mais for montar o circuito não cometer o mesmo erro que eu(substituir componentes por outros sem o devido cuidado/comparação)…kkkkk.
Mais uma vez obrigado pela sua ajuda e dicas.
[1] https://68.media.tumblr.com/0c42f122d4defcf860cd0f95d75dc626/tumblr_oslgpnrAaE1t4dkclo1_1280.png
[2] https://computeiromaluco.tumblr.com/post/162650189956/its-works-teste-do-ajuste-da-tens%C3%A3o-problema/embed
Olá, Fábio, parabéns: é assim que aprendemos eletrônica, fritando a cabeça… Muito obrigado pelo retorno, é importante para outros que também pretendem montar a fonte.
Obs: Fiz a correção que pediste no comentário.
Boa noite! Estou montando essa fonte (em forma de protótipo) e estou enfrentando dificuldades para fazer com que funcione corretamente o ajuste de tensão (estou analisando o defeito ainda), o que eu gostaria de perguntar é sobre o 741 que você usou, qual o fabricante e se é novo ou reutilizado pois na minha montagem aparentemente a possível causa do funcionamento anormal acaba incidindo nele (IC2), eu soube que existem 741 com 20 ou 24 transístores internos dependendo do fabricante…, ajustando no offset do 741 os resultados mudam mas ainda o funcionamento é bem anormal e não fica adequado.
Só complementando, fiz uns testes hoje substituindo o IC2 por um uA714 (ultra low offset) retirado de sucata, e os resultados fcaram melhores, o ajuste de tensão funciona bem, apenas quando uso o tap maior do transformador (36Vca dentre opções: 9,18, 27 e 36) que ocorre um comportamento bem anormal: subindo-se a tensão no P1 (iniciando do zero) a tensão na saída vai subindo até um valor perto de 33V e não aumenta mais (deveria ir até 47Vcc), depois ao se diminuir o ajuste de P1 a tensão na saída aumenta até os 47V (máximo) e aí o P1 digamos funciona ao contrário com 47V no mínimo e 33 no máximo, para sair dessa condição somente desligando a fonte e ligando novamente com P1 no mínimo. Então presumo que seja algo relacionado as características do uA714 que nas condições extremas apesar de existir os diodos D2 e D3 para impedir que a tensão entre as entradas não seja alta, o valor individual da tensão de uma das entradas não deve ser maior que o valor da alimentação e pelo que medi quando ocorre a “inversão” e o ajuste de P1 fica no mínimo há cerca de 17V entre o GND da fonte de 12V e a entrada não inversora, sendo que a fonte simétrica de 12V após a filtragem fica com algo em torno de 16V e isso não é bom para o operacional pois segundo o datasheet a tensão nas entradas não deve ser maior que a tensão da fonte “quebrando essa regra”, acredito que isso seja algo relacionado a “misturar” fontes apesar de que o texto da revista diz que “…nada impede, em princípio, que outros valores sejam obtidos…” . Então irei ver se consigo outro 741 ou equivalente (estou pensando no TL081) e ver como o ajuste se comporta.
Fábio, quando você troca de amplificador operacional e o defeito fica quase o mesmo, é bem provável que o circuito integrado esteja bom (a probabilidade de você pegar 2 componentes com defeito é bem remota). No meu caso, utilizei 741 de sucata e acho que posso contar nos dedos de uma mão os 741 que troquei com defeito, em todo meu tempo de eletrônica. São componentes muito robustos, desde que seus limites sejam respeitados. Por exemplo, não vá retirar um 741 de um aparelho que pegou raio…
Quando os ajustes ficam loucos, a primeira coisa é saber se as conexões “sense” da fonte estão ligadas aos respectivos polos positivo e negativo, pois são elas que fazem as referências para os ajustes.
Um amplificador operacional sempre compara as tensões entre as suas entradas, a saída refletirá o resultado disso. Inclusive, tentar medir a tensão na entrada inversora e não inversora dos operacionais é uma tarefa ingrata, pois pelas características desses circuitos, os operacionais exibem o chamado “curto-circuito virtual”, onde a tensão de uma entrada sempre tende a ser igual à outra. Procure sobre isso na internet, ou em livros, como o “Estude e Use Amplificadores Operacionais”, de Antonio Carlos Seabra (Editora Érica).
Você também pode ter potenciômetros com mau contato, eles já foram inspecionados?
Bom dia! Obrigado por responder, irei verificar suas orientações, ressalto que usei somente componentes novos, a única coisa diferente que fiz no projeto foi substituir os 2N3055 (rei dos componentes falsificados) por MJL4281A e é claro usar taps na saída do transformador de (9, 18, 27 e 36). Testei os componentes idividualmente e está tudo aparentemente certo, a tensão de referência está com 7,1V estáveis. O que acontece é que o IC2 se comporta de forma muito estranha (por isso que irei atrás do livro que você sugeriu buscar mais informações) pois esse substituto que usei para testes(UA714) quando faço ajustes a tensão nas entradas dele fica quase zero (conforme o esperado – ele compensa a saída conforme propósito original do projeto de modo a manter em zero ou próximo disso as entradas) o tempo todo, enquanto que no 741 isso quase não acontece pois ele não “mantém” essa tensão próximo de zero compensando a saída, ele até “move” a saída para o lado certo mas não o suficiente e com um certo “atraso(desvio)”… o uA714 bateu na trave pois só não se comportou direito quando a tensão da fonte principal foi mais alta( 36Vca >>>47Vcc). Estou usando as entradas com compensação ligadas a carga conforme projeto. Esse projeto é um pouco “chato” por causa da mistura de fontes, já perdi a conta de quantos testes e medições já fiz, quando encontrar/resolver o defeito acredito que terei aprendido algo a mais com esse projeto.
Fábio, outras dicas: chegaste a baixar o artigo original da fonte, com as explicações do funcionamento? Olhe a referência [1]. Com aquele texto, fica mais fácil compreender onde pode estar o problema.
Uma coisa que me ocorreu foi a tensão de alimentação dos amplificadores operacionais, talvez seja melhor estabilizar em +-12 ou +-15V, para evitar problemas.
Para evitar confusões num projeto como esse, comece fazendo o básico, testando cada estágio separadamente, e só então faça as modificações que pretende, como a seleção de taps do transformador. Por exemplo, as fontes são provenientes de secundários separados? Eles tem que ser isolados galvanicamente, senão o circuito não funciona.
Realmente, componentes falsificados são uma dor de cabeça, pois dificilmente funcionam bem. Neste caso, nas sucatas de equipamentos industriais pode-se encontrar componentes de alta qualidade, e boa parte deles em bom estado (exceto em caso de incêndios e raios).
Quanto ao 741, há circuitos na internet que você pode montar numa plaquinha, que servem para testá-lo. Procure no São Google, algo como “741 tester DIY”.
Bom dia, e mais uma vez muito obrigado pelas suas sábias respostas. O artigo original eu já perdi a conta de quantas vezes abri e li a parte que fala sobre o funcionamento até entender direito como funciona o circuito, e para mim o funcionamento apesar de “não muito ortodoxo” como diz no texto está entendido (pelo menos eu acho kkkk). Já tirei todos os componentes que compõe o circuito regulador e testei fora (menos o 741), confesso que até pensei em regular a alimentação auxiliar, no momento até desativei a parte de ajuste de corrente para não influenciar, até peguei a etapa de potência e coloquei apenas um 2n3055 (substituindo os MJL4281A que tem ganho maior)…. ontem pensei em usar um trafo separado para alimentar o circuito auxiliar uma vez que uso o mesmo transformador para todos os enrolamentos apesar de as alimentações auxiliares possuírem enrolamentos separados. Infelizmente não tenho muita sucara e não tenho um desmanche/ferro velho perto para garimpar um 741 das antigas… O estranho é que quanto usei o uA714 o comportamento do circuito foi melhor e ele realmente equilibrou a tensão em suas entradas (mantendo próximo de zero) compensando a saída conforme necessário descrito no artigo(menos no tap mais alto do trafo – talvez por saturar algum parâmetro) enquanto que o 741 não faz isso direito ele parece que não funciona de forma linear e sempre mantém tensão em suas entradas porque ele não faz a compensação adequada no circuito(saída)…. por isso que sempre desconfiei dele….vivendo e aprendendo isso está sendo uma escola para mim, uma chance de aprimorar conhecimento. Irei seguir seus conselhos (estou em busca do livro que citaste), quero experimentar usar outro trafo para os enrolamentos auxiliares totalmente separado e também usar um outro 741 de outro fabricante/fornecedor pois parece que no mercado só existe uA741… Obs.: Disse que era tudo novo, esqueci que usei 1n4148 reutilizado(mas testado)…. aqui tem uma imagem do meu protótipo sofrendo para funcionar: https://computeiromaluco.tumblr.com/image/161386857942
Fábio, se teu transformador tem secundários totalmente separados, não há necessidade de outro trafo, apenas desligue todas as saídas e teste o isolamento entre elas. Pode confirmar também as tensões, lembre-se que o 741 não aguenta mais que 18V, verificaste isto?
Às vezes, desligar tudo e olhar na manhã seguinte, com cabeça fria, descansado, pode ser o que você precisa para encontrar o problema. Revise tudo, cuidadosamente, teste as tensões alguma coisa você deverá encontrar.
Por último, uma sugestão de sucata de 741:
http://produto.mercadolivre.com.br/MLB-875570533-2-placas-com-dezenas-de-triacs-ampops-741-sgs-dissipadores-_JM
Gostaria de daiquirir uma fonte dessa é possível a venda?
Olá, Felipe, no momento o blog não vende nada, é apenas informativo. É uma forma de incentivar o aprendizado de eletrônica…
Boa tarde eu tenho transformador aqui 30v 10a teria como modificar esse circuito para usar esse transformador? quando uma trilha esta em curto ela acende a luz vermelha avisando que esta em curto
Ricardo, com este transformador, creio que o circuito funcione normalmente, sem alterações, olhe o projeto original, que era de 30V máximos.
Quanto à corrente, terá que aumentar bastante a quantidade de transistores em paralelo, para poder manejar os 10A. Eu colocaria uns 6 a 9 transistores em paralelo, com ventoinha auxiliar, controlada por termostato (ligaria ela só a partir de determinada temperatura).
Olá Euzebio, eu tentei abrir os arquivos com o Kicad mais recente e não consegui, tem algúm detalhe como usar a versão correta do programa?
Sílvio, provavelmente você não carregou as bibliotecas (device0.lib e linear0.lib), ou ao menos o cache do esquema, que tem os componentes. Dê uma olhada nos arquivos, se eles estão lá. Ocorre que modifiquei diversos componentes, pelo proṕrio editor de componentes do Kicad e gravei nestas outras bibliotecas, com as alterações. O Kicad é meio chato neste ponto, por causa da excessiva liberdade, mas depois que você pega o jeito, poderá criar com facilidade componentes que não aparecem nas bibliotecas originais.
Euzebio, obrigado por responder, eu tenho trabalhado com o eagle e eu acho que ele é muito mais simples para criar componente, alterar largura de trilhas, etc, Eu comecei a fazer a pcb no eagle partindo do seu esquema, mas depois vi o layout da pcb original no artigo da Elektor que você se baseou, consegui transformar o desenho escaneado em pdf no Corel e também fiz a modificação nas trilhas para colocar capacitores radiais. Se algum colega estiver montando a fonte e tiver dificuldade de fazer o desenho eu posso compartilhar o arquivo. Forte abraço!
Sílvio, muito obrigado pelo auxílio. Você pode carregar os arquivos aqui, faça uma pasta compactada e envie pelo botão img (ele pede URL, é o caminho do seu arquivo no computador, daí o WordPress copia para os servidores e disponibiliza aqui no comentário).
Poderá também gravar os arquivos em alguma mídia de compartilhamento, como o 4Shared ou equivalente, e passar o link, também por aqui.
Assim que eu estiver com os arquivos, incluo eles no texto, para o pessoal não precisar procurar nos comentários. Valeu mesmo!
Olá Euzébio, finalmente consegui publicar o desenho pronto para impressão:https://www.4shared.com/get/EureEUfLei/Fonte_Elektor_Imprimir.html
Sílvio, muito obrigado, seria interessante também disponibilizar o lado dos componentes, porque somente o lado cobreado não é suficiente para saber o que colocar aonde…
O meu layout foi feito a partir do projeto da Revista Elektor que está no primeiro link (https://dicasdozebio.files.wordpress.com/2014/06/elektor-bras-24-fontepb.pdf ) que você postou neste artigo. Eu achei mais fácil transformar o desenho escaneado em pdf porque achei difícil fazer a placa a partir dos arquivos do Kicad que você postou, mas pelo que vejo você fez algumas melhorias. Eu só modifiquei as trilhas para se usar capacitores radiais.
Euzébio, tira mais uma dúvida pfv, no Kicad não é possível fazer o layout da PCB ja com as trilhas na largura correta? No Eagle o desenho ja fica pronto para impressão. Outra coisa, na placa que eu postei no 4shared eu acrescentei dois reguladores, um 7909 e um 7809 nas fonte auxiliar. Acredito que com isso elimina-se a necessidade de um sugundo transformador.
Sílvio, emprego mais o Kicad para desenhar esquemas, fiz muito poucas placas com ele. Mas tem uma maneira sim, se não me engano olhei no manual do próprio Kicad.
Com relação ao outro transformador, na verdade pode ser tudo num só, o que tem que ficar claro é que há secundários que devem ser isolados uns dos outros, tanto faz estarem num ou em mais de um transformador. No meu caso, tive que usar dois devido à falta de espaço no toroidal. O isolamento dos secundários garante o funcionamento do circuito, senão ele não dá certo.
Olá amigo boa tarde. Excelente suas dicas, muitas me foram úteis. Parabéns pelo trabalho. Aproveitando a oportunidade, preciso de uma sugestão de fonte de 125Vcc (+-5A). Poderia por obséquio me dar alguma informação pois não tenho encontrado nada. Grato! marcusjfribeiro@gmail.com
Marcus, você está pedindo uma fonte de 625W, neste caso é melhor partir para uma fonte chaveada, tipo 1000W, sei que há na internet bons projetos, mas eu não conheço nenhum em especial. Poderia começar por aqui: http://www.homemade-circuits.com/2014/07/adjustable-0-100v-50-amp-smps-circuit.html
Caso queira usar fonte linear, um transformador toroidal, mais ponte retificadora e capacitores de filtragem, deveriam dar conta do recado, facilmente. Mas para estabilizar esta tensão, são outros 500…
Eu realizei este projeto com algumas modificações. alterei os condensadores axiais para radiais e coloquei cis tl081 em ves dos normais lm741 e o meu lm723 é em encapsulamento metálico. No entanto a fonte nao está a entregar os 3A previstos so entrega cerca de 200mA. tem alguma ideia do que poderá ser?
Marcelo, eu apostaria na qualidade dos transistores de saída, considerando que todo o resto está correto. Há muitos transistores falsificados no comércio, recomendo comprar os 2SC5200, ou equivalentes da ON Semiconductors ou Fairchild, em fornecedores como a Digikey, Farnell, Mouser, RS Components, Mundisom, Future, que são vendedores confiáveis.
Os circuitos integrados, em princípio deveriam funcionar, mas poderia trocar os operacionais por 741, que tem entrada com transistores bipolares, não com transistores JFET. Não posso afirmar se fará diferença.
os transistores de saida que eu usei foram dois tip35c com um d304x será que há problema?
p.s. os tip35c são da st microeletronics
Marcelo, estes dois transistores para 3A irão aquecer bastante, melhor colocar mais. E o D304X como driver não é adequado, pois exibe uma corrente de coletor muito alta. Tente algum transistor com Ic máxima de 4A, como os TIP31A ou 41A, que tem ganho mais alto. Qualquer transistor utilizado como driver em amplificadores de alta potência pode fazer o serviço.
A configuração darlington com estes transistores pode ser testada como se fosse um transistor comum, pois tem base, coletor e emissor. Se você tem um multímetro que mede ganho (Hfe ou beta) de transistores, é só ligar o conjunto darlington ao instrumento e confirmar. Geralmente, esta ligação em cascata deve dar um ganho maior que 200. Meça também as tensões no circuito, quando você exige dele a corrente máxima. Pode aparecer uma queda de tensão importante em algum outro componente, como o resistor shunt, perto da saída, que faz a medição de corrente. Se a queda de tensão for entre coletor e emissor dos transistores TIP35, revise o estágio darlington (que fica fora do projeto da placa).
boas, o tip35c suporta 25 amperes por isso acho que nao deve aquecer demasiado, já o d304x vou tentar troca-lo por outro, mas como nao possuo nenhum com as caracteristicas de um tip41 vou ter que o adquirir…
Marcelo, mesmo que o transistor aguente 25A, é necessário observar a potência máxima, limitada pelo tipo de encapsulamento. Daí, pela Lei de Ohm, você verá quanto de corrente conseguirá, por exemplo, quando houver 20V entre coletor e emissor.
Imagine 25A com Vce de 20V, dá 500W, duvido que este transistor dissipe isso.
Se formos colocar em 3A com Vce de 20V, ele precisará dissipar 60W, não é pouco, por isso coloca-se vários transistores em paralelo.
Quanto mais baixa a tensão de saída, mais os transistores aquecem, pois devem absorver a diferença entre a tensão do transformador e a tensão de saída da fonte.
Nos testes dos transistores bipolares, para conduzir 25A, a tensão entre coletor e emissor é bem baixa.
Como já mencionei em comentários anteriores, estou juntando componentes para montar essa fonte (com 3 saídas), e algo que me preocupa é a alta dissipação de calor em certas circunstâncias, então estou planejando usar 3 taps nas saída assim dispondo de 4 opções diferentes de tensão na saída do trafo amenizando um pouco o problema em condições normais de uso (é claro adicionando algumas instabilidades/ruídos no momento das comutações – porém na situação de curto circuito na saída devo programar para que haja comutação para o tap menor, mas não acho muito bom comutar os taps sob curto devido ao maior centelhamento nos relés….), bom mas o fato é que em um post de um grupo de facebook relacionado a a construção de uma fonte um participante comentou que está construindo a sua e vai implementar uma melhoria para amenizar o problema da dissipação usando um projeto da revista elektor (Nov/91 em inglês) chamado “dissipation limiter” cuja finalidade é “cortar” eletronicamente (usando mosfets) a saída do trafo em partes ciclos diminuindo a tensão eficaz para um valor próximo ao valor escolhido para saída amenizando assim a dissipação e é claro fazendo o uso dos capacitores da filtragem, não sei o quanto isso vai gerar oscilações que vão parar lá na carga, mas é algo que eu pretendo testar (em um segundo momento), você já viu ou implementou algo?
Fábio, não vi o circuito, mas posso imaginar o efeito. Se você cortar o semiciclo senoidal para reduzir a tensão, terá que aumentar bastante a capacidade de filtragem, pois o ruído gerado pelo alto ripple poderá afetar a estabilidade da fonte. Mas é uma opção, sem dúvida.
Outra forma seria montar secundários separados e retificar e filtrar a tensão em cada um deles. Com o terra comum, poderia intercalar um MOSFET em série com cada linha de positivo, ligando todos no mesmo ponto, na entrada da fonte. Desligando um ou outro MOSFET, você tem a tensão desejada, sem problemas de ligar em paralelo ou não, pois todos os capacitores irão carregar pela tensão mais alta. Seria um circuito interessante para testar, inclusive com acionamento automático conforme a tensão de saída, mais a existência ou não de curto-circuito.
Obrigado por responder. Entendi é uma boa ideia, mas no meu caso acho que o toroidal que tenho não tem espaço suficiente para muitos enrolamentos individuais pois pretendo obter a tensão final de 36V (9+9+18) o que equivale a apenas um enrolamento de 36V@4A, imaginando o teu exemplo com mosfets eu precisarei de enrolamentos individuais nessa capacidade de corrente de 4A e tensões de 9, 18, 27 e 36V o que equivale a um enrolamento único de 90V@4A o que aumenta bastante o tamanho dos enrolamentos (2.5x) e acho que não cabe, mas confesso que já havia pensado nisso antes pois a ideia é muito boa. Eu pretendo usar relés de 16A e comutar automaticamente (sei que vai gerar alguns ruídos…) e aumentar a capacidade de corrente dos dois enrolamentos de 9V para poder dispor de mais corrente quando usar a fonte em uma tensão mais baixa (até 18V). Eu solicitei ao camarada que comentou no grupo do facebook que vai implementar o “dissipation limiter” para compartilhar os resultados quando estiver pronto e comento aqui se tiver informações relevantes.
Ok, aguardo os resultados. Como dica para diminuir o ruído na saída, aumente o valor do capacitor de filtragem (dobre) e coloque uma rede RC em paralelo com os contatos, algo como 10R e 100nF. Por experiência própria, reduz bastante o faiscamento e evita que os contatos colem. Procure no índice deste blog um post sobre proteção de relés, que fiz para um portão eletrônico, nunca mais troquei relés.
Eu até já comprei capacitores de 100nF para essa finalidade (circuito snubber para os relés) , quanto a filtragem também já tenho os capacitores, irei usar inicialmente 20mF por saída, mas como comentei ainda estou comprando/ sucateando componentes para a montagem…grato.
Olá Euzébio, após um longo inverno, de volta a construção da fonte. Ontem desmontei um trafo tirado de um nobreak SMS e achei curioso que ele só envernizam as placas por fora. O interior fica direto no aço. De bom é que foi facílimo retirar as placas mas demonstra a péssima qualidade de fabricantes nacionais, ou estou errado?
Odilon, pode ser que o fabricante, no momento de envernizar os transformadores, deixou o verniz exposto por muito tempo ao ar, o que aumenta a viscosidade e pode dificultar a entrada do verniz nas placas. Como o verniz é colocado depois de montar a peça, é comum transformadores com mais de 10 anos, ao serem desmontados terem as placas internas lambuzadas, pois o verniz lá dentro não entrou em contato com o ar e não secou.
E havia fabricantes que utilizavam cera (parafina, provavelmente), para montar as placas dos transformadores, o que facilitava demais desmontá-los. Era o caso da Philco, nos televisores valvulados e transistorizados deles.
Interessante, mas o certo é envernizar toda a lâmina, não é? Mudando de assunto, vou abrir um toroidal que retirei de um home theater. O primário dele já sei que é 110/220 V, e tem 2 secundários que não sei nem voltagem, nem amperagem de saída. Acha seguro aproveitar o primário, mesmo sem saber se a potencia final poderia aquecer muito o primário com carga cheia? E, só por curiosidade, eu testei alguns programas e tabelas para calculo de transformadores e todas dão valores diferentes. Fiquei com um nó na cabeça.
Odilon, a montagem pode não ser com verniz, mas com um óxido sobre a lâmina, que também é isolante. É correto isolar toda a lâmina, certamente, inclusive antes da montagem.
Sobre o toroidal mais fácil seria procurar os dados dos fabricantes, que cito no artigo sobre enrolamento de transformadores, para ter uma ideia.
O problema é que muitos artigos não comentam uma questão crucial no enrolamento dos trafos: a densidade de corrente por cm2. Quanto maior a densidade de corrente, mais o trafo aquece em repouso. O ideal é colocar uma densidade baixa, para o transformador só aquecer quando em carga máxima.
Outra forma de identificar a corrente do secundário é medir a espessura do fio esmaltado e consultar uma tabela de corrente para fios de cobre, dá uma ideia de potência.
Bom dia! Estou “estudando” a aquisição de componentes e materiais (ou reaproveitamento) para a montagem, só que fiquei com uma dúvida referente a condição específica extrema de uso, ou seja, tensão baixa com corrente máxima, quanto a dissipação. Pretendo usar 6 2sc5200 em 3 dissipadores com cooler de computador (ainda não sei se farei a fonte para 4 ou 5 amperes, na sua opinião será que da conta do recado ou terei que limitar a corrente quando a fonte for usada com a tensão baixa?
Fábio, estes transistores dissipam 150W de calor cada um (folhas de dados: https://toshiba.semicon-storage.com/la-pt/design-support/search/multiSearch.1.1.2SC5200.html).
Supondo que você compre os originais (não é fácil), que possam realmente dissipar os 150W, é possível que com 6 deles fique bem bom, especialmente se o dissipador der conta do recado. Poderia intercalar entre os transistores e o dissipador um barramento de cobre, daqueles usados em quadros elétricos, para espalhar o calor imediatamente para todo o corpo do dissipador, só não sei se mais uma camada de pasta térmica não iria dificultar tudo.
Lembre-se que no projeto original, os transistores eram TO-3, um encapsulamento metálico muito bom para dissipar calor, mais eficiente que os TO-264 dos 2SC5200. Mas os 2SC5200 são mais modernos e mais rápidos, a fonte irá funcionar melhor com eles.
Para ter certeza, só testando para saber, ainda mais que é bem comum transistores falsos por aí. Se ainda não comprou, pode tentar os da Fairchild (Motorola), comprando direto dos EUA, na Mouser, Farnell Newark, Digikey (tem muitas outras empresas). Elas podem ter também os originais da Toshiba.
Muito obrigado!
Obrigado pelas respostas, infelizmente a falsificação tomou grandes proporções, só resta a compra nas boas lojas (mouser, digikey, farnell, etc) que é bem cu$to$a pois só o frete custa de 35 a 40 dólares mais as taxas brazucas de 60% (inclusive sobre o frete) + icms tornam a montagem bem cara…
Fábio, uma solução é catar sucata de eletrônica, os equipamentos industriais usam componentes muito bons, que duram muito tempo.
Obrigado por esse excelente post, tenho intenção de fabricar a minha fonte também seguindo esse caminho, só é longo (encontrar componentes originais, gabinete, modificações, etc.) Tenho intenção de montar com 3 saídas (2 simétricas ajustáveis e uma fixa de 3,3/5V) usar um MCU para exibir a tensão e corrente no display e quem sabe com muito estudo e pesquisa fazer os ajustes de tensão e corrente usando o MCU (em um segundo momento)…. mas deixo uma pergunta, as fontes comerciais usam que sistema? (regulação linear ou chaveada -pwm?) Pergunto pois esse projeto desperdiça muita energia quando usamos uma tensão baixa com alta corrente, não seria o caso de usar uns taps menores no transformador para esses casos?(sei que isso é trabalhoso e não fica legal caso vc precise variar o valor da tensão em todo range com a fonte em uso… E quanto as fontes com controle pwm, acredito que gerem bastante ruídos e não tenho conhecimento se elas são eficientes na regulação… enfim obrigado novamente.
Fábio, tem de tudo, se você procurar nas edições da Elektor europeia, volta e meia eles publicam um projeto de fonte bem robusto, geralmente usando microcontroladores. Não acompanho mais eles, desde que saíram do Brasil, mas você pode assinar a revista em inglês.
Quanto às fontes PWM, eu creio que na bancada o problema do tamanho e peso não é tão importante, pois um trafo toroidal qualquer dá conta do recado. Porque uma fonte chaveada, para construir, tem que ter cacife, não é moleza, tem muitas variáveis envolvidas, especialmente os problemas com os núcleos dos transformadores, pois o formato do ferrite e sua composição influenciam demais no desempenho.
Os taps menores você mesmo pode implementar na sua fonte, e colocar internamente um relé porrada para chavear entre eles. Lembro que vi uma fonte profissional da HP que tinha dois taps: 0-15V e 15-30V, isso reduz muito a necessidade de transistores de potência na saída e melhora a velocidade da regulação. Não fiz na minha porque eu queria a faixa toda no botão (teimosia minha, pois agora notei que durante os trabalhos, poucas vezes utilizo uma faixa de tensões muito diferente, a maioria é até 20V).
Pelo que vi, muitas fontes estão vindo com circuitos chaveados, mas não testei nenhuma para saber da qualidade.
Só mais uma pergunta (peço desculpas se estou sendo excessivo), o uso de taps no secundário do TF com comutação usando relés (para melhorar a eficiência e gastar menos com dissipadores e transístores na etapa de regulação) causaria uma certa variação na tensão da fonte após a retificação quando houverem comutações, o quanto desse distúrbio passaria para a saída até o circuito compensar e estabilizar novamente? – Penso que para não encarecer muito o projeto ou tornar muito trabalhosa a confecção do transformador não usar mais que uns 3 taps, sei que se fossem usados mais essa variação (degraus) de tensão não seria muito grande, mas o projeto começa a ficar complexo demais sem esquecer de que quando comutamos ficaremos um breve tempo usando apenas a carga dos capacitores…
Fábio, a fonte deveria dar conta do recado durante uma variação da tensão de entrada, afinal esta é a função dela…
Só se você irá trocar a tensão de saída durante o consumo de corrente, que então talvez precise de um capacitor maior para a filtragem. Mas a fonte da HP, que falei no artigo, não tinha eletrônica para trocar a tensão, era com uma chave, o usuário tinha que determinar antes a faixa de tensão que iria usar.
Para simplificar a operação, talvez 1 só tap seria suficiente, ainda mais que você irá montar a fonte com 6 transistores na saída.
Boa noite! Excelente projeto, já fazia um bom tempo que não encontrava um projeto tão bem explicado como este! Parabéns pelo trabalho!! Amigo se não for pedir muito mas você teria a Revista Elektor Brasileira completa desta fonte? Pois estava olhando o pdf que deixou na descrição e vi que a mesma tem um carregador de baterias que também me despertou a atenção!
Wellerson, neste caso você está pedindo um trabalho adicional, peço que compre um esquema pelo ML (custa dezoito reais), que lhe enviarei a revista (e 1 esquema), pelo Wetransfer (tem mais de 400MB, não dá pra mandar por email).
O link é http://produto.mercadolivre.com.br/MLB-710443119-esquemas-quasar-e-outros-p-ajudar-sua-restauraco-_JM
Faça pergunta antes, para esclarecer tudo. Tenho diversas marcas de esquemas, escolha um que deseje (e que eu tenha) e mandarei junto com a revista.
Olá Eusébio. Parabéns pelo post e parabéns pelo site. Estou sempre de passagem para ver as novidades político-eletrônicas.
Sei que talvez seja difícil me ajudar, mas quem sabe você pode me dar uma luz.
Construí a fonte utilizando um transformador 18-0-18v sem utilizar o fio central, o que me dá 36V AC e aproximadamente 50V DC após a retificação.
Ao ligar a fonte e monitorar sua saída com o multímetro o range de tensão não varia de 0V aos cerca de 40V esperados, mas inicia em 25V e vai até 50V.
Fiz uma revisão completa na minha placa e está perfeitamente consistente com o circuito. Os potenciômetros estão ok. Substituí os 3 CIs por outros e o comportamento é o mesmo. A única coisa que não consigo testar é o arranjo Darlington dos 2N3055.
Você teria alguma sugestão para me direcionar em um diagnóstico ?
Muito obrigado !
Alexandre, supondo que o problema seja no módulo, você poderia substitui-lo por um transistor darlington, como o TIP122, mas apenas para testes, pois ele não aguenta a corrente.
O módulo é como um transistor darlington, cuide que no esquema aparecem as letras C, B, E, na conexão com a placa. Então, o módulo pode ser testado num multímetro como se fosse um transistor, para verificar o ganho. Darlington tem ganho elevado, maior que os bipolares normais. Do mesmo modo, as tensões base-coletor e base-emissor (que são maiores neste tipo de transistor), podem ser verificadas.
Verifique também as tensões sobre os amplificadores operacionais, eles são alimentados com fonte simétrica (o ramo positivo deve ter quase a mesma tensão que o negativo – com a polaridade inversa, obviamente).
Muito obrigado pela resposta. Testei com o TIP122 e continua na mesma. Vai de 25V a 50V. Detalhe: com o pot “zerado”, da 25V, depois, girando só um pouquinho já sobe rapidamente para 50V e estabiliza nessa tensão ao longo de todo o curso. Curiosamente, ao girar o pot de corrente, a leitura de tensão fica instável. obs: Estou testando a tensão diretamente no multímetro, sem nenhuma carga.
Testei as tensões nos CIs e está tudo certo (+15v e -15v). Testei também a tensão de saída do 723 e também está ok (7v)
Ao tentar fazer medição da corrente (sem carga, fechando os polos da fonte) deu uma corrente pequena com o P2 zerado e ao girar um pouco, abriu o fusível da entrada AC e, aparentemente, destriuiu o TIP122 (provavelmente por não aguentar a corrente, conforme você disse). Mas não consigo entender o porque desse comportamento.
Alexandre, a única coisa que posso lhe dizer é que tem algum erro, pode ser até uma solda que toca onde não devia. Eu montei esta fonte e funcionou de cara. A tensão de saída pode variar aleatoriamente quando o sistema de compensação de tensão não está ligado, eu comentei isso no artigo, são aqueles dois fios a mais, que ficam ligados nas extremidades das garras jacaré, junto com os fios vermelho e preto mais grossos. Parece que seu erro está nos operacionais, revise, revise, revise…
Obrigado mais uma vez. Revisarei tudo novamente !
Alexandre, mais uma coisa, conferiste o valor do potenciômetro de tensão, ele pode não estar zerando. Deixe ele no mínimo e ligue um resistor de 47 ohm entre o terminal central do pot e o negativo da fonte. Se a tensão baixar para zero, ou é o potenciômetro que não zera, ou é o R24, que tem valor acima de 47 ohm.
Finalmente encontrei o problema (depois de fritar meia dúzia de transistores). O problema estava no voltimetro/amperimetro do painel. Estou usando um modelo que tem os dois mostradores em uma só peça, com 3 fios para ligação. O que me “escapou” é que no circuito original, o ponto de ligação comum é no positivo, mas na peça que estou usando o fio comum é negativo. Então o que acontecia é que ou não media nada pois estava com a polaridade invertida ou, quando eu trocava, o amperímetro “fechava curto” nas duas saídas. Depois de perceber isso, fiz uma pequena modificação no circuito para adaptar-se a essa peça e agora está funcionando perfeitamente. Mais uma vez, muito obrigado pelas dicas e pela disposição em ajudar. Um abraço !
Alexandre, ótimo que tenha encontrado o problema, se quiser repassar a dica, pode anexar imagens clicando no botão img, que irá pedir a url do seu desenho (é só dar o caminho do arquivo no pc, que ele é copiado). Leva um tempo, mas depois aparece nos comentários.
Olá, primeiramente gostaria de agradecer a disponibilização deste tutorial e parabenizar pela riqueza de detalhes. Sou iniciante na eletrônica e estou montando este projeto utilizando um voltímetro/amperímetro de 3 fios com sendo o negativo o fio comum, igual o caso do Alexandre. Poderia me ajudar na ligação ou dar uma dica de como devo alterar o medidor para funcionar neste projeto? Desde já muito obrigado!
Silvestre, obrigado pelas palavras de apoio, seja bem vindo.
Peço que evite de modificar o circuito da fonte. Intercale o shunt do amperimetro como indica o esquema que deve ter vindo junto com este medidor.
Talvez tenha que ligar o fio de compensaçao de tensao antes do shunt do amperimetro. Dependendo do medidor, eles usam o resistor shunt no negativo.
Olá Silvestre e Eusébio.
De fato só consegui resolver o problema invertendo os fios do voltímetro/amperímetro de painel. No link abaixo tem a imagem da alteração que fiz na ligação da peça, onde identifico os fios X, Y e Z como sendo X o fio de medição da tensão, Z o da corrente e Y o fio comum (que no caso da minha peça tem polaridade negativa)
Link: https://drive.google.com/open?id=1FcQPEqN_S46CZDBEzNsfssZS_wiQ704L
(não consegui anexar a imagem ao comentário)
Espero que consiga ajudar
Abraços !
Alexandre, muito obrigado pelo retorno, é importante que outros saibam como resolver estes pequenos problemas.
Boa noite estimado Professor Pesquisador Amigo! Venho aqui deixar somente minha humilde parabenização pelo seu trabalho, que dificilmente se encontra no Brasil! Forte Abraço (73), espero ver mais!!! Alegre por ver seu trabalho!
Paulo Roberto de Queiroz
Olá, Paulo, obrigado pelos elogios, 73 pra ti também (apesar de eu não entender nada de radioamadorismo).
amigo atempo que estou manitorando esta fonte como posso transforma em simetrica e tambem aumenta amperagem
Agrinaldo, para fazer uma fonte simétrica, coloque duas destas em série e monte um controle de tensão e corrente com potenciômetros estéreo, seria a forma mais simples. A ligação central será o terra (GND).
Não garanto que funcionará bem em todas as situações, o ideal seria um projeto já nascido com a saída simétrica.
Para aumentar a corrente de saída, o artigo tem todas as explicações.
Euzébio vc poderia disponibilizar o pdf das pcb frente e verso para podermos montar uma em casa.
Marcelo, no artigo eu disponibilizo todos os arquivos do Kicad, que é onde eu fiz o projeto. O programa é gratuito e fácil de usar. Caso não queira usar o Kicad, há folhas em pdf com os esquemas, se não me engano, também tem o espelhado. A intenção é justamente possibilitar a qualquer um montar uma destas fontes em casa.
Primeiramente parabéns pelo projeto e pela forma como consegue transmitir conhecimento, hoje em dia só vemos pessoas que tomam posse do conhecimento e não a compartilham temendo que isso as prejudicaria, então muitíssimo obrigado, têm minha admiração e com certeza a de muitos leitores.Sem contar no detalhe das informações, até mesmo como fazer adaptações e explicando cada detalhe do projeto minuciosamente.
Estou montando esta fonte meu amigo, contudo surgiu dúvidas durante o processo, eu tenho um voltímetro amperímetro que são juntos 2 em 1, fiz os teste e eles não apresentam os mesmo erros de leitura que os que você utilizou, contudo como proceder com as ligações, ele tem um “Shunt” interno de 10 a, contudo depois de tantas adaptações não entendi como ligar o amperímetro, eu tenho que retirar este Shunt interno e colocar o R21 no lugar? Eu acho que não é isso pois o Shunt apresenta uma resistência muito menos é isto iria interferir na medição.
Como fazer a ligação?
O meu modelo seria mais ou menos esse
http://rs898.pbsrc.com/albums/ac182/shaving/sku_219950_4_zps46124330.jpg?w=480&h=480&fit=clip
Muito obrigado, aguardo resposta
Uriel, eu colocaria o amperímetro em série com a fonte, sem me preocupar com o circuito interno, pois shunt existente no esquema trabalha para o circuito limitador de corrente máxima. Provavelmente seu instrumento tem um pequeno manual de ligações, observe-o.
Olá Eusébio, estou atrasado dois anos para comentar, mas… Hoje em dia tem gente fazendo de tudo no youtube, tentando mostrar como consertar ou construir alguma coisa; Em meus 30 anos como Hobbista em eletrônica, (sou do tempo da revista Saber Eletrônica do professor Newton C. Braga) nunca li um artigo com tantos detalhes sobre a elaboração de um projeto como este que você fez sobre a Fonte de Alimentação, parabéns pela forma como você descreve as tarefas, e a clareza com que as explica.
Sou Fotógrafo e faço manutenção em PCs e Flashes de Estúdio Fotográfico como segunda profissão.
Um grande abraço,
A.Carlos
Antonio, seja bem vindo, obrigado pelas palavras de apoio.
amigo boa tarde para eu fazer esta fonte simétrica é preciso inverter os transistores e capacitores os diodos e outros o ci permanece na mesma psi…é verdade estou no aguardo
Agrinaldo, eu não tenho prática nesta questão, mas geralmente são feitas duas fontes idênticas e ligadas em série. O ponto central, que une o positivo de uma e o negativo de outra, seria o zero volt. As conexões restantes, cada fonte fornecerá uma das polaridades.
Caro Eusebio. Essa fonte pode ser utilizada para aquecer o fio de uma cortadora de isopor?
Sérgio, pode, sem problemas, até ela é um exagero, um circuito muito complexo. Creio que não precise mais do que 12VCC.
O controle de corrente ajuda a estabilizar a temperatura do fio de corte.
Talvez uma fonte comum de 12V, com capacidade de 3A ou mais, sem estabilização, acoplada a um controle de corrente, fosse suficiente. Olhe meu post sobre LEDs (Como ligar, sem queimar), na figura 62, se não me engano, eu mostro um esquema de controle de corrente, bem simples, talvez pudesse utilizá-lo para esse fim.
Bom dia,
Estou querendo comprar os displays digitais para funcionar com Amperímetro e Voltímetro.
O que voce acha deste acho q nao vai suportar 5A.. O que acha ?
http://www.ebay.com/itm/0-36-Blue-LED-5-Digits-Panel-Ammeter-0-3-0A-DC-Current-AMP-Meter-Built-in-Shunt-/371242209247?hash=item566fc28fdf&pt=LH_DefaultDomain_0&nma=true&si=V3P9f99n1AJ5NPrUk0oQWAqAEcc%253D&orig_cvip=true&rt=nc&_trksid=p2047675.l2557
Esse eu acha que esta ok
http://www.ebay.com/itm/0-36-LED-5-Digit-DC-0-33-000V-Red-Digital-Voltmeter-Voltage-Meter-Car-Panel-/181404654227?pt=LH_DefaultDomain_0&hash=item2a3c8f5a93
acho que consigo achar no brasil ?
obs.: estou muito empolgado com projeto. 🙂
Leandro, faz tempo que não procuro estes displays, talvez alguém já tenha eles à venda no ML, por exemplo. Ou no Alibaba. Mas as compras dos EUA vem muito rápido, as da China é que demoram.
O shunt daquele amperímetro de 3A pode aguentar a corrente de 5A, mas você deverá certificar-se do fundo de escala do amperímetro, pois poderia exibir o sinal de overflow após os 3A.
Boa noite Euzébio, tudo bem?
Preciso de uma fonte 0-50v por 5a…Daria para usar essa com pequenas alterações?
Sidnei
São Sebastião/SP
Sidnei, em princípio funcionaria, somente ajustando os controles de corrente e tensão de saída.
Obviamente, todos os componentes deverão estar aptos a trabalhar no mínimo com 70V, para evitar problemas.
Cuide principalmente dos transistores de potência, coloque uns 6 ou 7, dos modernos, como 2SC5200, pois eles irão aquecer muito mesmo, devido à diferença possível de tensão de entrada e de saída.
E atente para a tensão que os amplificadores operacionais recebem, para não exacerbar, como eu fiz no meu projeto. Poderia usar reguladores 7815 e 7915 para eles.
Boa Tarde! É necessário utilizar três transistores 2N3055 na saída?
Rodrigo, apesar de cada 2N3055 poder conduzir 15A, isso só ocorre quando a tensão entre coletor e emissor é bem baixa. No caso da fonte, onde poderá haver mais de 40V entre coletor e emissor, é essencial que sejam colocados vários transistores na saída, pois o aquecimento será muito intenso. Se desejar colocar menos transistores de saída, retire pelo menos 1 Ampére por transistor.
E atente para o fato de que existem 2N3055 por aí que são uma piada, não passam nem 5A e queimam.
Boa tarde!
Favor cotar 72pçs. – Fonte (bivolt/autorange 127/220vca) – saída 15/16vcc – 1A (algo simples e barato)
Se possível até sem trafo…
* Somente a placa, sem caixa (informar dimensões externas básicas da fonte)
Aguardo…
Alvaro – f.: 19 9 8210.7722
Alvaro, não comercializo equipamentos ou placa, a intenção do blog é apenas informar. Você poderá comprar fontes chaveadas de 12V, e ajustar o pequeno trimpot que vem nelas para ajustar a tensão de saída. Há modelos desde 2A até 5A, com um bom preço e boa qualidade. Dê uma olhada no ML, procure por fonte 12V chaveada, caixa metálica, ajustável.
Olá Euzébio!
Estou precisando projetar um carregador de baterias, baterias do tipo Gel Ciclo Profundo 6-dmz-20.
Meu projeto tem como especificações 3 baterias de 12V 24AH conectadas em série para alimentar um motor de 36V.
Pelo datasheet dessas baterias (6-dzm-20) a corrente constante de carga deve ser no máximo 3A ou até 5A para outros fabricantes.
Ou seja, o projeto do carregador que me atende deve carregar uma tensão de 36V como uma corrente fixa de 3A ou 5A, sendo este carregador conectado a tomadas de 110 ou 220V.
Você teria algum projeto com esses mesmo parâmetros, ou algum similar para me ajudar?
Obrigado pela atenção e parabéns pelo site, excelente!
Rafael, minha área não é de projetos, eu apenas divulgo as informações.
Olá Zébio, preciso construir uma fonte para bancada, que seja simétrica, e que forneça de + – 1, 1,5, 2Volts até 35volts, 3A, que também tenha ajuste variável de corrente. Vc tem alguma dica? Desde já te agradeço, vanderlei Loureiro.
Vanderlei, vi um fonte assim numa revista Elektor, mas não encontrei o número. Acho que era uma edição portuguesa, dos anos 1990, num período que a revista não foi produzida no Brasil. Lembro que utilizava acopladores ópticos para ajudar na simetria.
Olá, montei o projeto original da Elektor, mas com os mostradores digitais como a sua, mas no primeiro teste ela queimou, não se auto protegeu não. O que eu fiz de errado, pois ela funcionou certinho. E outra , o led acende junto com a fonte, ou só em sobrecarga?
Wilson, o LED de proteção só acende quando entra em modo proteção. Verifique se fizeste corretamente o ajuste de corrente máxima.
Eusebio, obrigado pela atenção e resposta as dúvidas. Para calibrar o resistor de corrente maxima eu fecho curto nas saídas com o amperimetro em série ou coloco um resistor (carga) + amperimetro em série?
Outra dúvida, depois de tudo pronto, o amperimetro me mostra a corrente selecionada pelo potenciometro sem carga (ex: quero deixar a fonte em 200ma independente da tensão) ou somente mostrara quando tiver a carga? Abraço!
Júnior, um amperímetro de 10A na saída da fonte é um curto circuito.
O amperímetro da fonte mostra a corrente que está sendo consumida, não a corrente máxima ajustada. Para saber isso, deverá fazer marcas no painel, indicando a posição do potenciômetro para determinadas correntes.
Olá, primeiramente agradecer pela explicação e projeto, muito bacana! Montei a fonte e aparentemente está tudo OK, gostaria de entender como faço o ajuste te corrente máxima, não ficou muito claro para mim. Obrigado pela atenção!
Júnior, a corrente máxima você determina no potenciômetro de corrente. Ela começa em zero, ou próximo disso e vai até 4A, como no nosso circuito.
Quando você determina que a corrente máxima seja 1A, por exemplo, a carga alimentada pela fonte poderá drenar até 1A, após isso, a tensão cai, porque o circuito entra em proteção, impedindo que a corrente suba para além de 1A.
É assim com todos os ajustes de corrente. É como você obrigar que a fonte seja de determinada capacidade de corrente e quando a carga atinge o limite, a fonte aciona a proteção contra curto-circuito. Não sei se me fiz entender.
Olá, essa parte está ok. Digo em relação ao resistor de corrente máxima, como eu faço, coloco em curto as saidas da fonte? com ou sem o sensor? como medir a corrente de saida para ajustar no resistor em 4A, não sei se ficou claro? Um forte abraço e obrigado pela atenção!
Júnior, se você quer verificar até onde a fonte aguenta, feche o curto entre o positivo e negativo e meça a corrente. Com o potenciômetro de corrente no máximo, vá alterando o resistor de ajuste, conforme o esquema. Pode colocar em vez do resistor um trimpot, para ajustar até onde deseja e depois trocar por um resistor com aquele valor ajustado. O resistor é mais confiável no uso do dia a dia, pois não tem contato móvel e não oxida facilmente.
Eu não lembro, mas creio que ajustei a corrente com uma tensão baixa, algo como 12V, porque a carga era para esta tensão. Deve dar 4A com qualquer tensão de saída.
Cuidado que com 3 transistores de saída, eles fervem se deixar mais do que alguns segundos ligado, cuide também o aquecimento do transformador, talvez tenha que testar um pouco e aguardar o resfriamento.
Você baixou o pdf do artigo original da revista? Dê uma olhada nas referências, irá ajudar bastante.
Eusébio, preciso montar uma fonte para bancada e gostei muito desse seu projeto. Tenho apenas uma pergunta: essa fonte é simétrica (0V /+40V e 0V/-40V) ou é sómente 0-40V, pergunto isso porque na foto do painel da fonte temos bornes marcados + (verm), – (preto) e Terra (verde).
Agradeço pela atenção
Vanderlei, esta fonte não é simétrica, cuide que a ligação central é o terra, é somente a carcaça do aparelho.
Muito obrigado pela resposta, e aproveitando, mais duas perguntas: posso montar 2 fontes dessa e ligar o POSITIVO de uma no TERRA da outra pra ter uma fonte simétrica de 0 +40V e 0 -40v. E nesse caso posso usar um único transformador ou tenho que montar 2 fontes totalmente separadas.
Desde já agradeço, Vanderlei Loureiro.
Sem dúvida, duas fontes totalmente separadas funcionam como uma simétrica. O problema é o controle de corrente de curto circuito, que cada uma fará de maneira diferente. Tem um outro artigo na Elektor brasileira daquela época, que mostra uma fonte simétrica com ajuste único de tensão e corrente, se não me engano é o número 23, de junho de 1988, mas não tenho certeza.
Bom dia. Onde consigo a tomada IEC com filtro de linha?
Grato,
Diogo
Diogo, se não conseguir numa fonte de PC de sucata, tente Lojas como Farnell (agora só vem dos EUA), RS components, Digikey, Mouser. Tem as brasileiras Eletropeças, Mundison. Se colocar a marca de um destes filtros de linha na internet, poderá achar muita coisa, talvez lojas desconhecidas.
Boa Tarde Sr Euzébio adorei a Fonte do Link, Parabéns pelos detalhes e a forma de transmitir aos leitores algo bem explicado e ótimo desenvolvimento e aperfeiçoamento das técnicas de construção da mesma, que DEUS lhe Abençoe grandemente.
Olá Eusébio, muito bom seu blog, bem explicado…
Sobre a fonte, para eu colocar um amperímetro, preciso usar o shunt da fonte (R21) ou posso usar outro shunt na saída e manter o original.
Hisrael, eu não substituí R21, pois considero que ele não é um shunt, mas serve para dar uma queda de tensão para o comparador de tensão de saída, de modo a compensar a tensão nas pontas de prova.
Um shunt de amperímetro tem uma resistência muito mais baixa, de poucos miliohm. Use o do amperímetro.
Boa noite Eusébio, estou precisando de uma fonte deste tipo, porém estou sem grana para comprar uma, estou planejando nesta quinzena fazer uma e encontrei este projeto ao qual vc nos apresentou (sei que vc o conheceu na revista, mas eu conheci através do seu blog) e sou grato por isso, contudo, a lista dos componentes necessário eu encontrei na edição da revista nacional elektor pag 13, disponibilizada nas referências, seria este a lista de componentes completa e correta? salvo duas alterações que vc mencionou no caso os valores de C1 e C2 e BD241 que foi substituído por TIP31A ou o TIP41A, a lista está completa ou há algo mais que falta ou deva melhorar ou complementar? desde já agradeço a atenção e a disposição!!! um forte abraço!
Olá, Insônia… A lista de material está correta, é só aquele problema com o valor do capacitor e a substituição do transistor. No meu caso, eu tive que utilizar transformadores separados, com uma pequena fonte adicional, para os mostradores digitais, que não fazem parte do projeto original.
Boa noite Euzébio.
Primeiramente, parabéns pelo trabalho e desenvolvimento deste blog.
Estava lendo o artigo e não encontrei mais citações sobre a proteção contra curto-circuito. Queria saber mais sobre a proteção e se foram realizados os testes de curto, se sim, os seus resultados e funcionamentos.
Desde já agradeço!
Hedrey, a proteção contra curtos-circuitos funciona perfeitamente. Além disso, o controle de corrente máxima é que ajuda nisto, pois podemos definir a corrente máxima que atravessará o circuito alimentado pela fonte, antes de ligá-lo.
Boa noite, Eusébio. Por favor, não vá se cansar de mim, ainda tenho muito chão pela frente até concluir a fonte! Hoje eu fiz uma calculadora para transformadores, baseada no livro do Martignoni. As que eu encontrei na internet, eu achei muito ruim, confusas e como eu queria aprender os cálculos, pus mãos a obra. Gostaria que você avaliasse o resultado. Como faço pra te enviar. É só uma planilha excel 2010. Obrigado mais uma vez!
Odilon, creio que a forma de enviar este tipo de arquivo seria você criar uma conta num provedor de conteúdo compartilhado, tipo 4Shared, e nos repassar o link.
Segue o link: http://www.4shared.com/file/RMlBgmKQce/Transformador.html. Dê uma testada e me fale se ficou legal. Abraço.
Olá de novo, Eusébio. Me desculpe pela quantidade de perguntas, mas é que a vontade de aprender é muita, assim como as duvidas! Na busca pelos cálculos do transformador, percebi que o ponto final da busca é o livro “Transformadores” do martignoni. Porem, encontrei inumeras pessoas que atribuem percentuais diferentes de perda do primario para o secundário. martignoni fala em 10% de perdas, outros 20% mas encontrei até quem estipula 50% de perda. Pela sua experiência, quanto de perda você estipula? Em relação a densidade da corrente, martignoni aponta uma tabela que indica 3 A/mm2 para trafos até 500W, mas encontrei quem coloca 4 A/mm2. O que você acha melhor? Obrigado pela atenção. Abraço.
Eu sempre escolhi 10% de perda, às vezes 15%, mas depende muito da qualidade da chapa, ferro silicioso é muito melhor e rende mais.
A densidade de corrente é sempre a menor possível, para diminuir o aquecimento do trafo. Ocorre que às vezes, tem que aumentar um pouco para caber o enrolamento que se quer fazer.
Olá Eusébio, você já conseguiu reutilizar um trafo? Existe uma maneira de desmanchar um trafo e reaproveitar as chapas? Tenho três aqui que coloquei no thinner por algum tempo, mas o verniz parece que não desgruda de jeito nenhum e a idéia é montar a fonte 100% de sucata gastando o menos possível. Abraço.
Odilon, reutilizo trafos até hoje, só não consigo fazer com aqueles que soldam as chapas…
Para desmontar um, nunca usei thinner, só esforço mesmo. Considere um trafo sem qualquer parafuso nem capa, que tenha as chapas coladas com verniz.
Prenda o trafo num torno de bancada e com um alicate de pressão, puxe a primeira lâmina, o E mais externo.
Antes, levante a aba da lâminia E para poder engatar o alicate bem no meio do E.
Esta lâmina (e talvez mais algumas) serão danificadas, não poderão ser reutilizadas.
Quando conseguir retirar umas duas ou três lâminas, comece a bater no transformador com um pedaço de madeira dura, para soltar as outras lâminas.
Não use martelo, irá danificar as chapas.
Com paciência, você conseguirá soltar os E e I aos poucos. Depois que conseguiu tirar mais algumas, o resto é barbada, mas dá trabalho.
Se o verniz ficou bastante impregnado, poderá até encontrar lâminas ainda lambuzadas, não secas, pois este verniz de transformadores seca somente com o ar.
Grande Eusébio, obrigado pelas dicas. Vou fazer exatamente assim. Depois te conto o resultado. Obrigado mais uma vez!
Olá Eusébio, hoje, graças a você, consegui desmontar meu primeiro transformador. Veja:
Tentei mandar a imagem, mas por aqui é complicado! Vamos ver se assim dá!
Odilon, é por aí, parabéns, siga em frente!!
Olá, Eusébio. Esta semana passei estudando transformadores. Pretendo fazê-los, ao invés de comprá-los. Ainda estou esbarrando na falta de informação para os cálculos, pois parece que existe uma salada russa, e como diz nosso amigo gringo, autor do Transformers and coils, nem os próprios autores se entedem bem. Ainda bem ainda existem pessoas, como você, que se dispõe a repassar boa informação. A boa notícia é que consegui um toroidal numa sucata de Home Theater e, junto com o seu tutorial, vou tentar enrolar pelo menos o trafo principal da fonte. Abraço.
Odilon, pela minha experiência em enrolar transformadores, considero que a característica mais importante é a densidade de corrente. Quanto mais baixo o valor, mais fio você irá gastar, menos corrente de saída terá, mas o transformador não irá aquecer, se ligado sem carga. Em aparelhos que ficam muito tempo ligados, ou que costumam ser utilizados a plena carga, a densidade de corrente é de suma importância, para evitar a queima. A densidade de corrente é influenciada pela qualidade do material do núcleo. Quanto melhor, mais a densidade possível, na mesma área. Por isto gosto do ferro-silício. Boa sorte na montagem!
Olá Eusebio, gostaria de saber se você fabrica para vender?
Max, a intenção deste blog é divulgar a eletrônica e algumas opiniões, por enquanto não tenho planos de montar algo para vender.
Olá Eusébio, assim como você, sou maluco por eletrônica, mas trabalho com informática. Nunca tive muito tempo pra entrar de cabeça nesse mundo, mas agora estou me dedicando um pouco mais e a primeira ideia que me veio na mente foi montar uma fonte como forma de aprendizado teórico e pratico. Pesquisando na Net, eu te encontrei e, como sinceridade, achei o projeto sensacional. O porem é que, para os meus conhecimentos, ainda existem muitas coisas que fico voando e então eu lhe pergunto, me ajuda na montagem e nas duvidas sobre essa fonte? Pretendo fazer um passo a passo e postar para que outras pessoas também possam sanar suas duvidas e como registro de primeiro projeto sério. É claro que não pretendo ocupar muito o seu tempo, eu não tenho pressa para terminar, até porque, o trabalho me ocupa ainda muito. Em todo caso, só pela atenção, eu lhe agradeço.
Odilon, tempo é o que mais me falta… Mas podemos fazer o seguinte: você vai informando as falhas no texto, que eu poderei melhorá-lo. Se eu achar que a informação não é necessária no artigo, tentarei lhe responder, mas vá com calma. Antes, peço que imprima todo o artigo e leia-o várias vezes, pois tomei muito cuidado ao escrevê-lo. Com cada releitura, você perceberá outras informações que tinham passado batido antes.
Eu já montei esta fonte. Era muito boa, mas tinha alguns detalhes que não existe em nenhuma fonte comercial.
Existia um modo de proteção para carga. A fonte não alimentava a carga sem antes o operador dar um comando com a carga desligada. Muito útil para os momentos em que se liga a alimentação com uma carga sensível ligada na saída.
Boa noite Eusébio!!! Que belo trabalho, hein!!!
Faço minha as palavras do amigo Marcus Bacellar “Digna de uma tese de mestrado”.
Minha área de atuação profissional não é a eletrônica, mas se tem uma área que mim encanta e mim fascina é a eletrônica.
Sempre que posso estou a confeccionar algum projeto em eletrônica e este com certeza é o próximo…. A partir da próxima semana….
Boa tarde senhor Eusebiop! Poderia me informar por gentileza onde comprou o medidor de corrente e tensão digital?
Paulo, foi no ML. Mas pode ser encontrado também no MiniinTheBox e AliExpress, só que pode demorar e ter que pagar a alfândega.
Jovem, meus parabéns! É assim que devemos nos dedicar e ainda por cima compartilhar. Continue com este espírito!
Amigo, parabéns pelo artigo! Digna de uma tese de mestrado, pelo alto nível de informação e detalhamento do projeto! Aprendi vários “macetes” para o dia-a-dia na Eletronica!
Forte Abraço!
Amigo Eusébio bom dia, to tentando lhe enviar umas imagens e não estou conseguindo; Como eu faço para adicionar as imagens junto do testo.
Obrigado mais uma vez por sua atenção.
Pedro, cuide esta imagem que aparece abaixo, eu cliquei no botão img que aparece logo abaixo da frase “Responder ao comentário” e colei o endereço da internet da imagem, creio ser a única forma de enviá-las.

Tem um comentário no post de conserto de fonte chaveada de 12-24V onde o usuário postou uma imagem. Olhe o link dela, clicando com o lado direito do mouse.
Eusébio, eu lhe mandei umas imagfens você já recebeu fico no aguardo!
Pedro, como é que você mandou? Não recebi no e-mail.
O melhor que eu já vi em informação! Parabéns!
Amigo, vc está de parabéns! Impressionante! Ainda não tinha encontrado em nenhum blog brasileiro alguém tão detalhista e disposto a ajudar o próximo. Seu trabalho é um exemplo! Tem minha admiração!
Caríssimo, a riqueza de detalhes me impressionou. Parabéns. Estou decidido a montar seu projeto. Posto aqui o resultado. ;D
Obrigado , eu reparei as referencias da da fonte, ajuda bastante !! Fique com Deus e tudo de bom ! Abraços
Jackson, veja no meio do artigo, há mais links para o meu projeto completo, em KiCad, que disponibilizei em uma pasta compactada no 4Shared. É um repositório de arquivos meio chato para fazer download, tem que aguardar um tempo e cuidar muito para não clicar nas propagandas, que aparecem misturadas e sacaneiam com botões falsos de Download, que vão dar em outros links, geralmente jogos e sorteios.
Parabéns, vc realmente valorizou um grande projeto de muita importância, e o legal q vc já vai verificando a tensão, e corrente através do
display! Sou músico e amo a eletrônica…Já estudei eletrônica um pouco, e, atualmente tô voltando aos estudos !! Essa fonte para bancada é uma benção…favor aonde eu encontro esse projeto ?? Ou um projeto q possa fazer a fonte variável, com multímetro e amperímetro imbuído ?? Muito obrigado e sucesso na sua trajetória profissional !!!Abraços
Jackson, veja no final do artigo, as referências, tem links lá.
Já vi em alguns blogs fontes ajustaveis feita com fonte de conputado, mas essa aí é fora de serio, bem comercial vc deveria apostar nisso.
Marcelo, obrigado pela dica, mas lembre-se que este circuito foi publicado em uma revista ainda existente, e lá está expressamente escrito que não é destinado para fins comerciais. Ou seja, só com autorização.
Excelente projeto. Parabéns por compartilhar.!
Eusébio tem a lista de componestes e o projeto pra dowload nao encontrei os links no post
aliais otimo projeto nao perde em nada para fontes de preço elevadisimos que temos no mercado
Audeorde, veja nas referências, os dois primeiros links, está tudo lá. E se você colocar no Google “Elektor bench (ou lab) power supply”, vai ver que tem muita gente que montou a fonte, alguns com modificações para mais corrente, outros em nível extremamente profissional.
Eusébio muito obrigado estou começando meu curso no instituo monitor e assim que me sentir mais preparado monto a minha e posto link
Audeorde, seja bem vindo à eletrônica! Quando tiver terminado, mande seu relato, para ajudar outros que também pretendem montar.
E uma dica para quem está começando: não desista, nunca. O que muitas vezes acontece de uma montagem não funcionar é que o técnico não verificou tudo cuidadosamente antes de ligar. A afobação de ver algo funcionando, logo após soldar a última peça, é imensa, mas deve ser controlada. Já queimei muitos componentes à toa por causa disso… E daí os problemas vão se sobrepondo, tornando a situação cada vez mais complicada. O ideal é sair um pouco, espairecer, e só voltar quando estiver calmo…
Audeorde, revisei o artigo e vi que meus links para a placa e os esquemas estavam faltando, agora estão lá, é só olhar e fazer o download. Por motivos de segurança, o WordPress não aceita arquivos zipados para upload. Por isto, o projeto completo foi para o repositório do 4Shared.
Boa tarde Eusébio, mais cedo aconteceu de queimar a fonte 110v do meu xbox
Li o tutorial de como consertar mas vou procurar assistência técnica!
Onde você trabalha?
Desde já agradeço!
Henrique, atualmente a eletrônica é meu hobby, trabalho na área de informática.
Bom dia Luiz, e um otimo ano novo, me manda seu email talvez tenha uma fonte que possa te ajudar.