Dicas do Zébio

Áudio, eletrônica, natureza e +, por Eusébio Pizutti
  • Inicial
  • Eletrônica
  • Manutenção
  • Tecnologia
  • Vivendo
Inicial > FILAMENTO LED – Conheça e compare – Parte 2 > Fig91-BulboUshioLED-US200901864618

Fig91-BulboUshioLED-US200901864618

Deixe um comentário Go to comments

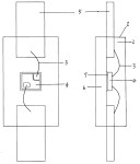
Figura 91 – Lâmpada de filamento LED da Ushio, comparar com a lâmpada Ushio da figura 64. Fonte: J-Plat-Pat [263].

Figura 91 – Lâmpada de filamento LED da Ushio, comparar com a lâmpada Ushio da figura 64. Fonte: J-Plat-Pat [263].

Fig90-ParecidoFLED-CN201007995Y
Fig92-UshioFLED-US200901864618
Comentários (0) Deixe um comentário
  1. Nenhum comentário ainda.
  1. No trackbacks yet.

Colabore para melhorar este texto Cancelar resposta

Este site utiliza o Akismet para reduzir spam. Saiba como seus dados em comentários são processados.

FILAMENTO LED – Conheça e compare – Parte 2
RSS feed
  • Google
  • Youdao
  • Xian Guo
  • Zhua Xia
  • My Yahoo!
  • newsgator
  • Bloglines
  • iNezha

Posts & páginas populares

  • DICA – XBOX ligado em fonte ATX
  • TÉCNICA – Conserto de fonte bivolt XBOX compatível
  • TÉCNICA – Plásticos VII – Conserto de interruptor de parede, de embutir
  • TÉCNICA – Reparo de capacitores variáveis
  • TÉCNICA – Conserto da fonte de XBOX 360 S (Slim) que foi ligada em 220V
  • DICA – Como endereçar cartas e encomendas
  • TÉCNICA – Conserto e funcionamento de raquete mata-mosquitos
  • TÉCNICA – Como transformar uma torradeira 110V para 220V
  • PROJETO – Fonte de alimentação CC profissional 0-40V, 0-4A
  • DICA - Conheça e conserte os ventiladores de teto

Estatísticas do blog

  • 3.849.227 cliques

Quadrinhos

Quadrinhos

  • Avatar de eusebiop eusebiop
Topo
Blog no WordPress.com.
  • Comentário
  • Assinar Assinado
    • Dicas do Zébio
    • Junte-se a 661 outros assinantes
    • Já tem uma conta do WordPress.com? Faça login agora.
    • Dicas do Zébio
    • Assinar Assinado
    • Registre-se
    • Fazer login
    • Copiar link curto
    • Denunciar este conteúdo
    • Ver post no Leitor
    • Gerenciar assinaturas
    • Esconder esta barra