PROJETO – Carregador de uma, duas ou + baterias seladas
Este post trata de um modo não convencional para carregamento e utilização de baterias seladas (figura 1). É demonstrada a técnica para carga e utilização de duas ou mais baterias, evitando a interferência mútua. Além disso, estão agrupadas informações para conhecer melhor as baterias seladas e a forma de tirar melhor proveito delas.
A origem deste artigo foi a necessidade de carregar duas baterias de 6V e 4Ah, que foram as únicas encontradas no comércio para substituir uma maior, de 6V e 7Ah, de um brinquedo (carrinho elétrico) motorizado.
Além do mais, o artigo possibilita a reciclagem de componentes encontrados em fontes de computadores, comentado em post anterior.
Características das baterias seladas de chumbo-ácido
- Estas baterias são iguais às tradicionais de chumbo-ácido, só que possuem o eletrólito gelatinoso, ou líquido embebido num suporte de fibra de vidro, fazendo com que não vazem ao serem utilizadas em posições “incomuns”
- Uma bateria de 6V tem 3 células, e uma de 12V tem 6 células
- A tensão de uma célula descarregada é aproximadamente 1,9V
- A tensão de uma célula completamente carregada fica ao redor de 2,2V
- Evitando um nível de descarga maior que 50% da capacidade total da bateria, ela durará mais tempo
- Para manter a capacidade de descarga, baterias de chumbo devem ser carregadas logo após o uso
- Estas baterias duram mais se forem guardadas com carga
- A carga total é atingida entre 16 e 20 horas, mesmo com corrente inicial mais alta.
- A corrente de carga máxima fica entre 25 a 40% de sua capacidade total em A, para evitar danos
- Para carga de manutenção (permanente) a tensão de carga (a 20ºC) deve estar entre 2,25 a 2,30V por célula
- Para carga cíclica (a 20ºC) a tensão deve estar entre 2,40 a 2,50V por célula
- A tensão de carga deve ser constante, mas deve diminuir conforme o aumento da temperatura (ver dados do fabricante da bateria)
- Este tipo de bateria contém muito chumbo (Pb), um metal pesado e tóxico, portanto deve ser dado o destino adequado quando a bateria chegar ao fim de sua vida útil (RECICLAR SEMPRE)
Um carregador para várias baterias
Podemos carregar mais de uma bateria com um só carregador, mas devemos estar atentos a certas limitações. Primeiramente, todas elas devem ter as mesmas características de corrente e tensão – devem ser iguais mesmo.
Outra limitação é a descarga mútua, que acontece numa ligação paralela pura e simples. A descarga mútua faz com que, durante sua utilização, a bateria com tensão mais elevada sempre forneça carga à bateria com menor tensão.
Além disso, a carga pode acontecer somente em uma das baterias, quando as outras todas estão carregadas. Neste caso, só uma bateria irá receber toda a corrente de carga do carregador. Pos isto, deve-se assegurar uma corrente máxima de carregamento que não ultrapasse 40% da capacidade individual.
Consequentemente, para evitar sobrecarga, quanto mais baterias forem associadas a um só carregador, mais a carga delas tenderá a ser lenta.
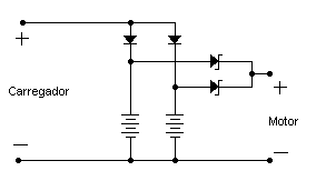
Uma forma de fazer com que uma bateria “não enxergue a outra”, quando em carga, é ligando um diodo em série entre o carregador e cada bateria, como na figura 2. Os diodos devem suportar com folga a tensão e a corrente de carga.
Esta ligação fará com que a corrente de carga seja dividida igualmente pelo número de baterias. Assim que uma bateria chegar à carga máxima, a corrente de carga será dividida pelas baterias restantes do conjunto, sucessivamente.
Neste projeto, utilizo um carregador para carregar duas baterias. Caso elas estejam com a mesma tensão, a corrente de carga será dividida por dois.
O que nos leva a uma regrinha simples e prática: acertando a limitação de corrente do carregador para 40% da capacidade de cada bateria, teremos carga de 20% nas duas. Neste projeto, utilizei duas baterias de 6V – 4Ah, e limitei a corrente de carga em 1A (40%).
Reiterando: devemos ter em mente que a corrente máxima do carregador nunca poderá ultrapassar a corrente de carga para uma só bateria. Isto evitará a sobrecarga, no caso bem real de uma bateria completar sua carga antes da outra.
Curto-circuito interno da bateria
No caso de ocorrer curto circuito numa só célula de uma das baterias, a carga máxima admissível será a tensão sobre as células restantes daquela bateria. As outras não receberão carga completa, por causa da queda de tensão resultante.
Mas se o carregador, por fornecer corrente de carga muito elevada, não baixar a tensão de carga, a bateria danificada ficará “fervendo” e poderá vazar. E os diodos mostrados na figura 2 resolvem só o problema da descarga mútua.
A queda de tensão prejudica o desempenho, pois “nivela por baixo” o conjunto, limitando a tensão máxima de carga às características da bateria com a menor tensão.
O empecilho da queda de tensão de carregamento poderia ser resolvido com um resistor no ramo de carga em cada bateria, calculado para não baixar demais a tensão total, como mostra a figura 3. Se uma bateria curto-circuitar, o resistor dissipará a carga destinada a ela, preservando a tensão do carregador.
Neste projeto, evitou-se a utilização dos resistores, por causa da limitação de corrente imposta ao próprio carregador. Com a corrente de carga mantida em níveis baixos, é possível preservar por mais tempo as baterias.
Baterias em paralelo?
Se a necessidade de corrente dum circuito é superior à capacidade de determinada bateria, pode-se colocar várias delas em paralelo. Cada bateria fornecerá uma parte da corrente demandada.
Com o circuito esboçado na figura 2, já temos como carregar conjuntamente duas ou mais baterias, mas como utilizá-las? Já que elas “não se enxergam”, daquele modo cada bateria poderia alimentar somente circuitos independentes, com o pólo negativo em comum.
Se quisermos colocá-las em paralelo para alimentar o mesmo circuito, a dica é a mesma: diodos nelas! Neste caso, utilizei diodos Schottky retirados de fontes de PC – são os diodos que retificam os 5V.
O modelo da figura 4 (CTB-34) foi obtido durante a desmontagem de uma fonte Seventeam, objeto de outro post. Aqui está um exemplo de verdadeira RECICLAGEM!
Os diodos Schottky das fontes de computadores tem caracterísitcas interessantes. Possuem alta capacidade de corrente – 15A, neste caso – e tensão reversa de 40V, em média. Diodos Schottky apresentam queda de tensão de 0,14V, causando perdas de apenas 2,33% em 6V.
Já os diodos com junta de silício tem uma queda de tensão direta de 0,6V, o que causa uma perda de 10% em 6V. Com a ligação sugerida na figura 5, cada bateria “não sabe” que a outra existe durante o uso.

Figura 5 – Utilização de duas baterias em paralelo para alimentar o mesmo circuito, sem descarregarem-se mutuamente.
A corrente de carga é dividida igualmente, bem como a corrente de descarga. Os diodos proporcionam uma proteção extra durante o ciclo de descarga (período em que as baterias fornecem energia).
Quando uma bateria descarrega-se mais que a outra, a bateria com a maior tensão passará a fornecer mais corrente e a outra ficará na espera. É mais ou menos como uma gangorra: ora um lado é mais alto, ora outro.
Carregador de Baterias Seladas 6V ou 12V
- Pode carregar baterias de 6 ou 12V com poucas alterações
- Corrente máxima de carga de 1,5 A, que pode ser alterada mudando um resistor
- Tem compensação térmica (diminui a corrente de carga se a temperatura aumenta)
- Utiliza peças que podem ser aproveitadas de sucata de fontes de computadores
- Pode carregar mais de uma bateria independentemente
- Tem proteção contra inversão de polaridade da bateria
Que confusão, não? É, mas enquanto não tenho tempo de desenhar o circuito elegantemente, vai esta cópia do papel e com direito a todas as anotações de praxe. Vai necessitar de um certo esforço do leitor, pois ainda faltam algumas peças que estão no projeto da placa, como os fusíveis.
O circuito da figura 6 foi projetado para carregar 2 baterias de 6V seladas para uso em um carrinho de criança motorizado. Originalmente, o brinquedo possuía uma bateria de 6V grande, mas como não foi encontrada no comércio local, decidi pela montagem de um circuito que pudesse utilizar duas baterias, sem prejuízo para o desempenho. Aliás, o cliente comentou que o desempenho melhorou após a modificação.
O dispositivo funcionou muito bem, sem estresse, pois o motor do brinquedo consome 2A e cada bateria fornece apenas 1A (25% de sua capacidade de carga total de 4Ah). Desta forma, é provável que as baterias durem bastante tempo – mais ou menos 1300 ciclos de carga/descarga.
Um cuidado que devemos ter ao ajustar a tensão de carga do aparelho é o de somar a queda de tensão do diodo série bateria-carregador à tensão fornecida pelo LM317T, para que a bateria receba exatamente a tensão planejada para sua carga. Para esse ajuste, considerar uma única bateria. Notar que os diodos utilizados neste projeto para a carga das baterias também são tipo Schottky, mas podem ser de silício se a tensão da fonte for alta o suficiente para compensar esta perda.
No nosso exemplo, o diodo em série com a bateria tinha uma tensão direta de 0,14V (medida com um multímetro digital na função diodo). Como a tensão recomendada para carga cíclica (no nosso caso) é de 2,45V por célula, é só multiplicar 2,45 por 3 (são 3 células em 6V) e somar 0,14V, o que totaliza 7,49V na saída do LM317T (medida sem as baterias, apenas com um resistor de 1K no lugar delas). Retire o resistor, ligue as baterias e pronto, o circuito está pronto para operar!
Lista de material
- 1 CI regulador LM317T
- 1 transistor 2N2222 ou BC547
- 1 resistor 240 ou 220 ohm
- 1 resistor 390 ohm (para carga de 6V)
- 1 resistor 100 ohm
- 1 resistor 0,56 ohm de fio, 5W (para corrente de 1A)
- 1 trimpot 470 ohm
- 4 diodos 1N4002
- 3 diodos 1N4148 (para carga de 6V)
- 1 diodo silício 3A (proteção contra inversão de polaridade)
- 2 diodos silício ou tipo Schottky 3A (1N5401 ou SB340, de fontes de PC)
- 1 diodo duplo ou dois diodos de 20 a 30A, 40V (sucata de fontes de PC: STPS3045CP, B82004, etc)
- 2 capacitores de poliéster, 100n/63V ou mais
- 1 capacitor eletrolítico 2200uF/25V ou mais
- 1 transformador 12+12V, 2A ou mais (a tensão deve ser pelo menos 3V maior que a tensão de carga)
- Dissipador de calor para o LM317T (prefira os de cobre ou de alumínio anodizado preto), fios, porta-fusíveis, fusíveis, conectores para baterias, solda, etc.
Alterações para funcionar em baterias de 12V
Para carregar baterias de 12V, o resistor que fica em série com os 3 diodos 1N4148 deverá ter seu valor dobrado, e também deverão ser colocados mais três diodos 1N4148 em série com os existentes.
Atenção: estes diodos servem para a compensação de temperatura, por isso é interessante colocá-los o mais próximo possível das baterias, se possível encostado nelas.
Mudando a corrente máxima de carga
Corrente igual a 1,5A: Como o LM317T limita por si mesmo a corrente em 1,5A, se quisermos deixar esta corrente de carga é só eliminar o transistor 2N2222 e seus dois resistores (100 ohm e 0,56 ohm). Unem-se os fios no lugar do resistor de 0,56 ohm. O pino de ajuste do LM317T fica somente com as outras ligações (240 ohm, 1N4002, 330 ohm).
Correntes menores que 1,5A: É só calcular a queda de tensão no resistor de fio (atualmente 0,56 ohm). Calcula-se o valor do resistor para que apareça sobre ele a tensão de 0,6V quando é atingida a corrente desejada. Ver a Lei de Ohm. É este valor que deverá ser colocado no lugar do resistor de 0,56 ohm. Lembre-se de calcular também a potência dissipada pelo resistor, para evitar fritura de componentes…
Correntes maiores que 1,5A: Aí o leitor ou leitora terá de olhar as referências e realizar as modificações.
Lembre-se que a corrente máxima do transformador também deverá ser alterada em função da corrente de carga. Sempre é bom deixar uma folga, para evitar aquecimento excessivo do transformador, ainda mais sabendo que ele ficará ligado por muitas horas a fio.
Uma boa regra é comprar um transformador com capacidade 50% maior que da corrente de carga. A tensão de saída do transformador também é importante. Adquirindo um transformador que em uso possua de 3 a 6V de diferença em relação à tensão de carregamento, o aquecimento do LM317 será menor.
De qualquer maneira, faça testes com o aparelho, para garantir que o aquecimento dos componentes fique dentro de limites aceitáveis (se tiver um termômetro, o valor máximo aceitável é por volta de 40 graus).
SEGURANÇA só existe quando há PREVENÇÃO.
Placa de circuito impresso
A figura 7 mostra uma sugestão de placa (lado dos componentes), com as dimensões aproximadas de 8 x 4 cm. Assustado com o colorido? Em futuro artigo, você encontrará as dicas de como e porque eu faço desta maneira os projetos de placas de circuito impresso. São idéias simples e práticas, às quais me adaptei e ainda hoje continuo utilizando em placas pouco complexas, como essa.
Também não estão marcados os nomes dos componentes, mas isso deverá receber um certo esforço do leitor para o entendimento do que está oculto.
Os diodos que ligam as baterias com o motor foram deixados fora da placa, de modo a reduzir a resistência da fiação entre o pedal de acionamento, chave de reversão, motor e as baterias. Olhando melhor a figura 1, nota-se que os diodos 1N4148, para compensação de temperatura também foram montados externamente à placa. Eles ficaram dentro de um espaguete, junto às duas baterias.
Na figura 8 aparece o carrinho por baixo, onde está instalado o carregador. As fotos 1, 8 e 9 foram tiradas 6 anos após a instalação, feita em 2006. E o circuito ainda está funcional. Como era esperado, as baterias não estufaram e não há qualquer sinal de vazamento ou oxidação.
A ligação está um pouco bagunçada, pois foi mexida posteriormente. Os diodos das baterias estão isolados naquela maçaroca de fios no canto inferior esquerdo da foto. Por baixo delas, aparece a fiação dos diodos de compensação de temperatura, dentro de um espaguete preto.
As baterias, de cor cinza, na parte inferior da imagem, foram montadas deitadas, para não reduzir a altura livre entre o carrinho e o solo. Elas são montadas numa bandeja de alumínio, isolada internamente, que foi retirada para mostrar as baterias. A bandeja é presa por uma haste, trespassada entre as baterias. A haste pode ser vista à direita da mesma foto.
A colocação do circuito do carregador dentro do carrinho permite que seja utilizada qualquer fonte de alimentação externa, simples, sem estabilização, de 15 V até 30 V em corrente contínua, que fica conectada através de uma tomada na traseira do veículo. A tomada pode ser vista na parte superior da figura 8, é o triângulo preto montado na estrutura. Na figura 9 é mostrado o carrinho (marca Bandeirante) onde foi montado o carregador e na figura 10, o tipo de bateria utilizado no projeto.
Referências
- Elektor eletrônica & microinformática, Nº 42, edição brasileira, “Baterias de chumbo herméticas”
- National Semiconductor – CD-ROM Technical Literarture Database – Disc 1 – Datasheets and Physical Dimensions – LM317T
- Foto da figura 10 – Bateria selada do fabricante http://www.barasch.com.br/bateriasseladas/indexbateriasseladas.html
Evite repassar este artigo com modificações. Antes, avise-me para melhorá-lo.
Mencione este link em seu meio, propiciando que outros também tenham acesso ao mesmo conhecimento que você está recebendo.
\ep/








Olá, o que acontece se você apenas ligar uma fonte simples de 6v 900ma sem este circuito acima na bateria selada?
Paulo, o que acontecerá é que a bateria será permanentemente carregada, estressando-a. O que geralmente leva à sulfatação e consequente inchaço das placas. Ou seja, a bateria poderá aguentar aí um ano no máximo e daí terá que ser trocada.
Mesmo cargas lentas fazem isso, falo por experiência própria. Pois montei um circuito de luz de emergência para um Shopping, há vários ano e liguei uma fonte estabilizada para carregar a bateria, sem me preocupar com o desligamento do circuito quando a carga estivesse completa. Resultado: a bateria de 12V, de automóvel, aguentou só um ano e meio, estufou um absurdo.
Comprei uma Motinha para meu neto mas ficou muito tempo sem usar agora fui arrumar ela para o outro nete mas a bateria funcionou uns cinco minutos e parou como eu faço para carregar eu não uma vez que não tenho carregador como e esse carregador
Eliseu, o artigo acima tem explanação completa sobe o modo de carregar estas baterias. Caso você esteja procurando um carregador, cuide que deve haver no comércio um modelo simples de carregador de baterias.
Olá amigos, estou em manaus Am. preciso de um esquema de um carregador com flutuação para 24 volts. seria possivel?
obrigado se puderem me ajudar. agradeço desde já.
Legal o texto! Reformei um triciclo e a bateria selada pelo formato fino e comprido (6 volts x 8,5 ah, só pôde ser instalada em pé, ou seja, com os terminais alinhados na vertical e não na horizontal. Pelo que entendi não há problema em usar e principalmente recarregar a bateria nessa posição. É isso mesmo?
Ivan, sem dúvida, a posição vertical é a melhor, pois os furos de ventilação do gel trabalham melhor desta forma.
Exelente materia sobre bateria seladas; Aproveitando possuo uma bike eletrica com motor 1000w e 48v, 04 baterias de chumbo ácido de 12v por 12ah ligadas em série; quero colocar a seguinte configuração: 04 baterias seladas de chumbo ácido ciclo profundo com 12v e 07ah, ligadas em série e paralela para obter 48v e 14ah, é possível fazer esta ligação para obter este resultado sem afetar no carregamento das baterias e o desempenho da bike? pois as baterias de 12v por 07ah são menores e mais leves.
Cid, 4 baterias de 12V em série, elas formarão 48V (em série as tensões das baterias somam). Assim, você terá 48V com 7Ah de capacidade, menos que as originais.
Agora, se colocar mais 4 baterias de 12V ligadas em série entre si e em paralelo com o outro jogo de 4 baterias, você teria então 48V sob 14Ah.
Daí, teria que utilizar os diodos como mostro no artigo.
Olá, estou querendo implementar seu carregador, mas estou com uma dúvida, este carregador ficará ligado a uma bateria 24horas por dia, então preciso que ele entra em modo flutuação, é possível este carregador ter esta função ?
Luiz, este carregador não é flutuante, para ter esta função, teria que refazer o projeto. Tenho um esquema de um carregador flutuante para antigos sistemas de alarme com bateria de chumbo-ácido, da Spark. Funcionava com SCR e lâmpada piloto de 6V… Mas ainda não tive tempo de postar ele.
Oi eusebiop
Quando o receptor(es) estiver(em) carregado(s), o que acontece com a corrente vinda da fonte? Ela continua passando pelo receptor ou este se comporta como um circuito aberto?
Obrigado.
Abs.
João Carlos, o que você chama de receptor seriam as baterias?
O carregador não tem um modo de desligamento, o que acontece é uma redução da corrente de carga, apenas. Se o circuito ficar ligado, as baterias sempre estarão recebendo alguma energia da fonte.
primeiramente parabéns pela matéria… pesquisando a solução de um problema parecido, conclui que este circuito se encaixaria perfeitamente em minhas necessidades…. pergunto? vc tem este sistema pronto pra fornecer?
Olá, Rafael, eu não estou produzindo placas para isto, desculpe.
Eusébio, Excelente artigo! Mas fiquei com uma dúvida. Qual é o aspecto negativo de não utilizar os diodos na ligação paralela? No meu caso, vou usar duas em paralelo apenas para aumentar o meu tempo de descarga. As baterias servirão de fonte de 12V em campo. portanto farei a ligação em paralela para ter meu tempo aumentado. Mas ainda não consegui entender o que ocorreria se eu fizesse uma ligação paralela simples!
Bruno, o que acontece é que não existem duas baterias perfeitamente iguais, elas tem diferenças que nestes casos ficam evidentes. Na descarga, uma pode descarregar-se mais rápido que a outra, daí o que ocorrerá é que uma bateria, com tensão mais alta, fornecerá energia para a outra, não apenas para o circuito. Além disso, se uma bateria tem um problema de sulfatação em uma célula, por exemplo, baixando sua tensão de trabalho, ela obrigará a outra a ficar nesta tensão também, pois uma está enxergando a outra, diretamente. Na carga, a bateria com tensão mais baixa não deixará a outra carregar-se com a tensão ideal. Os diodos fazem uma espécie de “biombo” entre elas, onde uma não pode influenciar a outra, tanto na carga quanto na descarga. Não sei se me fiz entender.
Sensacional! O meu projeto depois te passo o link ( que, claro mencionará o seu) onde será uma maleta de carregadores de bateria!
Ou seja as baterias alimentarão os carregadores em um momento e em um segundo momento, os carregadores carregarão as baterias !
Certo, floydbh, fico no aguardo, obrigado.
Amigo, show de bola! Meu projeto está divulgado em http://www.eletricosdosul.com/t3817-brincando-com-eletronica-carregador-de-baterias-movel
Claro que mencionei você! Se quiser continuar ajudando por lá… fique à vontade!
Excelente a matéria sobre o Carregador de Baterias Seladas 6V ou 12V. No momento esou com o mesmo problema, ou seja, a moto de brinquedo do meu filho uiliza bateria de 6V 4A que não se encontra mais para vender, somente de 4,5A. Vc quer me vender uma dessas? Cairá como uma luva na utilização da moto do meu garoto. Aguardo resposta. Obrigado
Olá, obrigado pelo comentário. Quanto à venda de baterias, não poderei lhe ajudar, pois eu não as comercializo. De todo modo, em sua cidade deve ter lojas de material elétrico, que certamente vendem baterias para alarmes. Pode ser uma possibilidade. Inclusive, atualmente o modelo mais facilmente encontrado no comércio é justamente 6V / 4Ah que procuras.
Aqui em BH vende essa bateria… http://www.eletronicaguarani.com.br/
Artigo conciso, preciso e prático. De tudo que andei pesquisando considero o mais completo e de grande valia.
Parabens.