TÉCNICA – Conserto de fonte chaveada com saída variável de 12 até 24V
As fontes chaveadas pequenas tornaram-se muito populares, desde que seu preço reduziu a ponto de custarem, atualmente, menos que as fontes lineares, que utilizam transformador com núcleo de ferro-silício e trabalham a 50 ou 60Hz.
O baixo preço, aliado ao pequeno peso e tamanho, faz destas fontes uma opção atraente para os mais diversos usos, especialmente as que tem potência abaixo de 150W.
Mas as fontes genéricas, de marcas desconhecidas, tem projetos simplificados ao máximo, a qualidade da montagem costuma ser sofrível, além de empregarem componentes de qualidade duvidosa, utilizados muito perto de seus limites. Tudo para manter o custo baixo. Isto as torna muito frágeis e geradoras de interferências, já que os fabricantes negligenciam as proteções eletromagnéticas.
Neste post, abordo o conserto e a melhoria – dentro do possível – de uma destas fontes (figura 1), que tem saída estabilizada, em passos de 12 a 24V, selecionáveis em 7 posições. A potência varia conforme a tensão de saída (a corrente máxima é 4,5 ou 5A). Em 12V, fornece 54W, ao passo que com 24V, chega a 120W. Ela pode alimentar notebooks.
Avaliação inicial
Esta fonte tinha queimado vários componentes, provavelmente por causa duma falha na solda do transistor MOSFET de chaveamento. Como se vê, a solda foi esmerilhada (figura 2) para reduzir sua altura e poder caber no invólucro. Isto pode ter piorado a qualidade da união, pois aparecem trincas entre os terminais do transistor e as outras gotas de solda.
Além disso, a figura 3 mostra a tampa da fonte, onde a mancha esbranquiçada, causada por fumaça, está localizada exatamente sobre aquela solda defeituosa, do transistor MOSFET.
Numa avaliação inicial, estavam queimados o fusível, o transistor MOSFET e respectivo resistor de supridouro (figura 4).
Após trocados estes componentes e ligada a fonte, através de uma lâmpada incandescente em série, de 40W (figura 5), verificou-se que ainda havia curto-circuito. A lâmpada ficava acesa, pois a ponte retificadora BR1 estava queimada. Por descuido, esta peça não tinha sido verificada.
O teste com lâmpada em série é importante para evitar a queima dos componentes recém colocados. Mesmo sem poder garantir que não haverá dano, pois depende do tipo de defeito, é mais sensato utilizar este circuito auxiliar. Deve-se deixar a potência da lâmpada sempre bem menor que a potência do equipamento sob teste. Se o teste for satisfatório, pode-se aumentar a potência da lâmpada em série. Se novamente estiver tudo bem, só então proceder ao teste definitivo: alimentar um equipamento.
Olhando melhor
Após a troca da ponte retificadora, a fonte continuou inoperante. Isto nos obrigou a aprofundar a análise, de modo a compreender a extensão do defeito. O equipamento emprega a topologia flyback, com o circuito integrado UC3843, que controla o regime de chaveamento de Q1.
Conversores com esta arquitetura tem a entrada isolada galvanicamente da saída e utilizam indutores acoplados, que ora conduzem num enrolamento, ora noutro, mantendo o fluxo de corrente. Apesar da semelhança física, os indutores da arquitetura flyback não compõem um transformador.
Este artigo não pretende detalhar o funcionamento da fonte chaveada. Para conhecê-las melhor, há um excelente material disponibilizado pelo professor José Antenor Pomilio, da Unicamp [1]. O capítulo 2 da apostila da disciplina de Fontes Chaveadas, trata das topologias [2]. Na referência [3], há um livro completo sobre Eletrônica de Potência, do mesmo autor, também disponível gratuitamente.
Outra página, do professor peruano Armando W. Cavero Miranda [4], disponibiliza uma quantidade absurda de conteúdo na área de eletrônica de potência. E o sítio Faíscas [5] tem uma ótima apresentação sobre a evolução das fontes de alimentação.
De volta ao nosso problema, na figura 6 temos o diagrama esquemático do estágio primário da fonte, que é o lado “vivo” do circuito (por onde entra a energia da rede elétrica). O contato com qualquer conexão deste estágio poderá causar um perigoso choque elétrico. Deve-se manusear o circuito somente algum tempo depois de desligá-lo da rede elétrica, para os capacitores descarregarem-se suficientemente. Em caso de defeitos, pode ocorrer do capacitor principal da fonte (C1 em nosso caso) não se descarregar, portanto deve-se precaver contra esta possibilidade.
Mais adiante, será abordado o estágio secundário, que é o setor de saída, de 12 a 24V. A fonte foi separada em estágio primário e secundário porque, apesar de haver dependência entre eles, as etapas podem ser entendidas mais facilmente quando vistas de forma isolada.
As peças queimadas estão destacadas em vermelho, o que ajuda a formar um caminho de falha. Se pensarmos que o defeito começou pelo transistor Q1, por causa da solda ruim, é possível imaginar a trilha do estrago.
Começando com Q1 em curto-circuito, o supridouro (S) e a porta (G) recebem 300V CC. Temos, a partir deste ponto, dois trajetos para esta tensão: a porta e o supridouro de Q1.
Pela porta de Q1, o surto de energia chega ao UC3843 (U1) até o pino 6, através de R6/D2 e R9, danificando antes o zener ZD1 (18V) de proteção da porta. Pelo lado do supridouro de Q1, a corrente é tão intensa que queima R3, de 0,33 ohm, ligado ao terra. Com R3 aberto, o transiente segue para o pino 3 (sensor de corrente) do UC3843, através de R5, de 150 Ohm.
A razão de utilizar resistor de filme metálico para a posição de R3 é que estes resistores abrem como um fusível, quando queimam. Outros tipos, como os de carvão, podem aguentar mais tempo uma sobrecarga, e só então abrir, o que poderia causar um princípio de incêndio.
Então, o circuito integrado U1, com 300V nos pinos 3 e 6, não aguenta e queima. Apesar da sobrecarga, R5 e D2 não queimaram e R6 ficou apenas chamuscado.
Além disso, o optoacoplador (U2) também danificou-se, provavelmente por causa de U1. Na figura 7, podemos ver o diagrama interno do UC3843. Pode-se inferir que U1 causou a queima de U2 pela linha interna de Vcc (pino 7). Como entrou 300V no pino 6, que tem um transistor ligado diretamente a Vcc, isto talvez tenha causado a queima de U2, mas é mera suposição. O próprio chip, internamente, devido ao tamanho e/ou aquecimento interno, pode ter levado a tensão adiante e queimado U2.
Continuando pela nossa trilha de falha, estes componentes queimados apresentam, então, uma carga muito grande para a ponte retificadora BR1 e ela queima. Daí o fusível abre, só para não pegar fogo em tudo, pois o estrago já está feito. O tempo decorrido entre a queima de Q1 e a abertura do fusível é, certamente, menor do que meio segundo.
Esta linha da raciocínio foi a mais plausível para esta fonte e dá uma vaga ideia do tipo de defeito que ocorreu. Mas são hipóteses, não certezas. Cada caso (e circuito) tem que ser analisado detalhadamente e a abordagem poderá ser feita de outra maneira.
O que foi trocado
A fonte só conseguiu ser revivida após trocar mais 3 componentes: um diodo zener, o integrado de chaveamento e o optoacoplador. Segue a lista de todos os componentes queimados – à esquerda está a referência de cada peça, escrita na placa de circuito impresso:
- FUSE – fusível 2A;
- BR1 – ponte retificadora KBP206G;
- Q1 – transistor MOSFET de chaveamento SW7N60;
- R3 – resistor de supridouro, de filme metálico, 0,33 ohm – 2W;
- U1 – integrado de chaveamento KA3843 ou UC3843;
- ZD1 – zener 18V;
- U2 – optoacoplador PC817.
O fusível substituto (FUSE) é verde, com formato parecido com um resistor (figura 8). Ele é do tipo rápido (F). O ideal, nestas fontes, seria um fusível tipo T, que tem um certo retardo até queimar. Isto evita que ele danifique-se no momento da carga do capacitor C1. Mas como o valor deste capacitor é baixo (22uF) e a fonte tem um termistor na entrada, que também alivia o pico inicial de corrente, o fusível foi mantido igual.
A ponte retificadora BR1 é um componente comum em fontes de PC, onde costumam ser mais robustas, pois manejam mais potência. Se a forma e a distância entre os terminais for semelhante, pode ser montada sem problemas. Apenas deve-se atentar para a polaridade.
Não é de bom alvitre guiar-se pelo chanfro do encapsulamento, pois pontes retificadoras mais antigas, como as da Semikron, tinham a marca para o pólo negativo, o inverso das atuais. Para exemplificar, no canto superior esquerdo da figura 9, está a ponte retificadora da Semikron e logo abaixo, a original da fonte. As pontes ali mostradas operam entre 2 e 4A, sob tensões de 600 a 1000V, exceto a verdinha BY164 [6], que é para 1,5A, 80VCA e fontes lineares.
A KBP206G pode suportar até 2A e 600V [7]. Ela foi trocada por outra ponte de 2A e 800V, a PBS208GU, mas não foi possível descobrir algum datasheet.
O transistor MOSFET de chaveamento Q1 era o Samwin SW7N60. Se for absolutamente impossível colocar um MOSFET igual ao original, é necessário atentar para algumas características importantes ao escolher um substituto, como foi nosso caso. O transistor poderá ter, eventualmente, alguns parâmetros melhores, mas nunca diferentes demais, pois poderia precisar de ajustes em outros componentes da fonte.
Apesar destes cuidados, há também imprecisões dos fabricantes. Encontramos datasheets diferentes para o mesmo transistor SW7N60. Em Semipower [8], a folha de dados está na revisão 3.0, ao passo que o datasheet proveniente de Dianyuan [9], está na revisão 0.2. Comparando-se os dois documentos, são encontradas várias características desiguais, o que faz pensar que os transistores não seriam os mesmos. Será utilizada a versão mais recente como referência, quando não houver comentário especificando isto.
Então, o SW7N60 maneja até 7A sob 600V e tem uma Rds máxima de 1,3 ohm (ou 1 ohm, conforme o datasheet da revisão 0.2 – [9]). Rds ou Rds(on) é a resistência entre dreno e supridouro que o transistor apresenta quando está conduzindo. Na prática, quanto menor esta resistência, menos o transistor aquecerá, pois haverá menos queda de tensão entre o dreno e o supridouro. Tensões de trabalho mais altas geralmente implicam em Rds maior.
Para escolher o novo componente, foi definido que a tensão de trabalho (Drain to Source Voltage – Vdss) deveria ser a mesma, a corrente de dreno (Id) deveria ser igual ou maior, e Rds deveria ser igual ou menor. Obviamente, também deveria ter o mesmo encapsulamento isolado (TO-220F).
O transistor encontrado na sucata, que preencheu os requisitos, foi o 2SK3569. Ele tem Vdss de 600V, maior capacidade de corrente (Id =10A) e menor Rds (0,54 ohm), conforme a Toshiba [10]. Mas há mais alguns detalhes a observar, para podermos aceitá-lo como equivalente.
Por exemplo, a tensão de porta mínima (Gate Threshold Voltage – Vgs(th) ou Vth) para fazê-lo conduzir. O substituto deve ter este limiar de disparo semelhante ao transistor anterior, ou muito próximo disso. O original disparava entre 2 e 4V, o mesmo que o 2SK3569. Mas, no datasheet da versão 0.2 do SW7N60 [9], consta um Vth entre 2 e 5V.
A diferença não é muito grande, pois os dois conseguem ser ativados por níveis lógicos. Pode haver alguma alteração no início da condução, mas os valores, em princípio, estão dentro da tolerância dos transistores e são pequenos o suficiente para o circuito compensar. Mas se colocássemos no lugar um MOSFET que necessitasse tensões mais altas para chavear, o circuito poderia não funcionar.
Outra questão é a capacitância de entrada (Ciss), que no SW7N60 era de 960pF (mínimo) e no substituto é 1500pF. Diferenças neste valor resultam no atraso ou adiantamento do acionamento do MOSFET e podem comprometer a eficiência do circuito. Na versão antiga da ficha técnica do SW7N60, consta 1500pF.
Os tempos de chaveamento indicam até qual frequência o componente pode ser utilizado. São definidos com 4 parâmetros. Os valores à direita de cada item referem-se ao MOSFET original e substituto, respectivamente.
- O tempo de retardo até o início da condução (Turn-on Delay Time – Td(on) ou Ton): 15 a 50ns, contra 50ns;
- O tempo de subida (Rise Time – tr): 30 a 80ns, contra 22ns;
- Tempo de retardo no desligamento (Turn-off Delay Time – Td(off) ou Toff): 100 a 150ns, contra 36ns;
- Tempo de decaimento (Fall Time – tf): 38 a 100ns contra 180ns.
Nota-se que o 2SK3569 é mais veloz, perdendo apenas no tempo de decaimento. Quando montado na fonte, o transistor pareceu aquecer-se, mas ainda não foram feitos testes conclusivos, nem é possível a comparação com o anterior. Em princípio, tudo funcionou adequadamente.
Como curiosidade, na excelente página da Elektroda [11], há um esquema de uma fonte Dell, utilizando o 2SK3569. O sítio é em polonês, mas tem opção em inglês. Deve-se estar logado para acessar os arquivos.
O resistor de supridouro (ou resistor sensor) R3 era, originalmente, de 0,33 ohm. Como não havia outro resistor idêntico, de filme metálico, foi colocado um de 0,39 ohm. Este resistor vai ligado ao pino 3 do UC3483 e tem a função de informar a corrente que passa pelo MOSFET. A tensão sobre o resistor é monitorada constantemente e deve ficar dentro de um limite mínimo e outro máximo. Quando ultrapassados estes limites, o circuito de chaveamento modifica a forma de onda de chaveamento do MOSFET, compensando a falta ou o excesso de energia.
A consequência de utilizar um resistor de valor mais alto como sensor de corrente é a redução da potência disponível pela fonte (em torno de 18%). Mas isto também poderá proteger o equipamento e evitar nova queima. Se houvesse necessidade de toda a potência, poderia ser colocado outro resistor de 2,2 ohm em paralelo com R3, o que manteria o valor original do resistor (0,33 ohm). Mas por segurança, considero melhor utilizar um só componente como resistor sensor, que irá queimar rapidamente, caso ocorra uma sobrecarga.
O circuito integrado com a lógica de chaveamento U1 é o bem conhecido KA3843, ou UC3843. A denominação original é Switch Mode Power Supply (SMPS) controller. O modelo utilizado nesta fonte tem 8 pinos, em formato DIL (Dual In Line) e vários fabricantes o produzem. Ele trabalha com frequência fixa e sua folha de dados está nas referências [12], [13] e [14].
Há também extensa documentação para o dispositivo, proveniente da Texas [15]. Nestas notas de aplicação, há um projeto de fonte de 25W, muito semelhante a este com que trabalhamos.
E no Blog PWM [16], há várias aplicações para o UC4843, como carregador de baterias, elevador de tensão e fonte a 80KHz.
O diodo zener ZD1, de 18V, foi substituído por outro de mesma tensão e potência (18V – 0,25W).
O optoacoplador (ou isolador óptico) U2, por sua vez, é figurinha fácil: é o PC817 [17]. É encontrado em praticamente todas as fontes chaveadas: carregadores de celulares, aparelhos de DVD e CD, além das fontes de notebooks e PCs.
Pela quantidade de peças queimadas, obviamente que o tempo gasto não compensaria o conserto, ainda mais considerando o custo das peças. Mas os componentes aqui utilizados vieram todos da sucata, exceto o fusível. Para uso particular, ou para compreender o funcionamento, pode valer o esforço.
Os componentes “opcionais” da fonte
Na figura 10, tem-se uma visão geral da placa da fonte, já consertada. Nota-se que faltam vários componentes, tanto no estágio primário, quando no secundário. Estas peças melhoram a qualidade da fonte, mas, se não existirem, não a impedem de funcionar. São componentes dedicados à filtragem contra interferências eletromagnéticas (IEM), além de incrementar a proteção ao usuário e ao próprio equipamento.
A placa tem espaço reservado para estas peças, que só são montadas pelos fabricantes quando obrigados por normas de desempenho. Como na Europa, que tem requisitos relativamente severos de compatibilidade eletromagnética (EMC – ElectroMagnetic Compatibility) para os equipamentos eletrônicos vendidos por lá.
Nos países emergentes, que não conseguem efetivamente controlar o comércio irregular, ou onde não há uma clara definição da obrigatoriedade, ocorrem estas “economias”, em que todos saimos perdendo – menos a indústria.
Além de não empregarem estes filtros IEM na quantidade necessária, os fabricantes projetam os circuitos para extrair o máximo de cada componente, de forma a otimizar os custos. São produtos baratos, mas frágeis, pois não costumam aguentar uma sobrecarga qualquer, já que as tolerâncias a falhas são muito pequenas. E são equipamentos geradores de ruídos eletromagnéticos.
Aliás, se tivéssemos que escolher entre duas fontes aparentemente idênticas, muito provavelmente a melhor seria a que tivesse mais componentes, e portanto seria mais pesada. É que os filtros e proteções sempre adicionam alguma massa ao equipamento, pois são relativamente grandes e utilizam bastante cobre e ferrite.

Figura 10 – Placa da fonte vista de cima, já consertada, onde se nota a falta de vários componentes para filtragem de interferências.

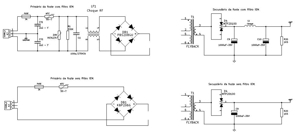
Figura 11 – Diagrama esquemático do que foi encontrado (desenhos de baixo) e o que deveria ter na fonte chaveada (desenhos de cima).

Figura 12 – Vista superior da placa da fonte, com destaque para o estágio primário (entrada de rede CA).

Figura 13 – Vista superior da placa da fonte, com destaque para o estágio secundário (saída da alimentação).
Na figura 11, divididos em 4 desenhos, são mostrados os componentes de filtragem contra IEM. Nos 2 desenhos de cima, estão os circuitos idealizados, que poderiam estar implementados na placa. Abaixo, os outros 2 desenhos indicam o que o fabricante montou. O circuito de filtragem do primário está no lado esquerdo e na direita, os componentes do estágio secundário (saída de alimentação).
Vemos que faltam, no lado primário (figura 12): R1, CX, LF1, ZVR, CY1 e CY2. O termistor (NTC) e o fusível (FUSE) foram montados em locais diferentes do projeto.
No secundário, estão ausentes L2 e C10 (fig. 13), e R20 está posicionado no lugar de C10.
Porque são necessários filtros eletromagnéticos
Toda fonte chaveada causa interferência eletromagnética. Isto é inerente a elas por causa, principalmente, do chaveamento da tensão de entrada e da retificação da saída. Estas interferências ficam concentradas especialmente na frequência de trabalho da fonte, que, conforme o projeto, vai desde o final da faixa audível até poucas centenas de KHz.
Mas as interferências estendem-se até alguns MHz, por causa das trocas de estado dos semicondutores, que entram em condução ou bloqueio em tempos muito curtos, na casa dos nanossegundos [18].
Estes sinais indesejados podem ser bastante atenuados com a utilização de componentes de filtragem. Filtros passivos, que são utilizados na maioria dos equipamentos, são compostos por capacitores e indutores, principalmente.
O indutor tende a bloquear as altas frequências que passam por ele, ao passo que o capacitor é transparente a elas. Como um tem o comportamento oposto do outro, a associação deles forma filtros com boa eficácia.
Colocando-se uma bobina em série e um capacitor em paralelo com a entrada da rede elétrica, por exemplo, temos um filtro LC para atenuar as altas frequências vindas da rede elétrica para a fonte, bem como as geradas na fonte, em direção à rede elétrica.
Obviamente, um bom filtro é mais complexo do que um simples circuito LC. Não pretendo aprofundar a abordagem dos filtros contra IEM, isto será tratado separadamente em futuro post, pois o assunto é extenso.
Mas eles deveriam estar presentes em qualquer equipamento com fonte chaveada. Inclusive nos modelos de baixo consumo, pois cada produto contribui com sua pequena parcela para o total de poluição eletromagnética ou Electrosmog – ver referência 19].
Para quem quiser um bom material de consulta sobre filtragem eletromagnética, é interessante ver o material disponibilizado pelos professores já citados, José Antenor Pomilio [1] e Armando W. Cavero Miranda [4].
Colocação das peças faltantes
Voltando à nossa fonte, os componentes que faltavam foram montados com peças retiradas de uma sucata de outra fonte de notebook, de potência semelhante e alta qualidade, e estavam bem preservados. Todos foram testados antes da montagem.
Apesar da intenção de reduzir as interferências, nem sempre a utilização de componentes de outras fontes dará totalmente certo. Ocorrerá alguma diminuição dos sinais interferentes, mas se os filtros fossem calculados, seria possível aumentar sua eficácia.
A razão é que, se o equipamento sucateado do qual foram retiradas as peças, utilizava uma frequência maior do que a frequência de chaveamento da fonte sob conserto, os seus filtros tinham como foco suprimir frequências além da frequência atual de trabalho. A troca, pura e simples, reduz a capacidade de supressão de interferências, mas é melhor que nada. Vejamos a lista dos itens colocados na fonte.
No primário:
- CY1 e CY2 – 2nF/2kV – capacitores tipo Y, que escoam para o aterramento surtos de tensão;
- CX – 100nF/275VCA – capacitor tipo X2, que é montado em paralelo com a entrada de CA, e bloqueia a passagem de RF;
- R1 – resistor 330K ohm. Utilzado para descarregar CX;
- ZVR – varistor 275VCA – limitador de tensão. Apresenta-se como um circuito aberto até a tensão de trabalho. Acima desta tensão – que caracteriza uma sobrecarga – transforma-se em um curto-circuito, causando a queima do fusível (e do próprio varistor);
- LF1 – bobina com dois enrolamentos independentes, cada um ligado em oposição, em série com a entrada da rede elétrica. É um filtro de espúrios de CA (LF1), que deixa passar livremente a tensão CA (de baixa frequência) e atenua as frequências altas.
No secundário:
- capacitor C10, que deveria ser igual a C9 (1000uF/35V, classe 105°C), mas por falta de espaço foi colocado um de 220uF/35V;
- bobina L2, que forma um eficiente filtro П (Pi, a letra grega) com C9 e C10, muito eficiente na remoção de sinais espúrios. Esta bobina também é chamada de “choque de RF”. A palavra original é inglesa (choke) e significa abafar, silenciar, sufocar, obstruir.
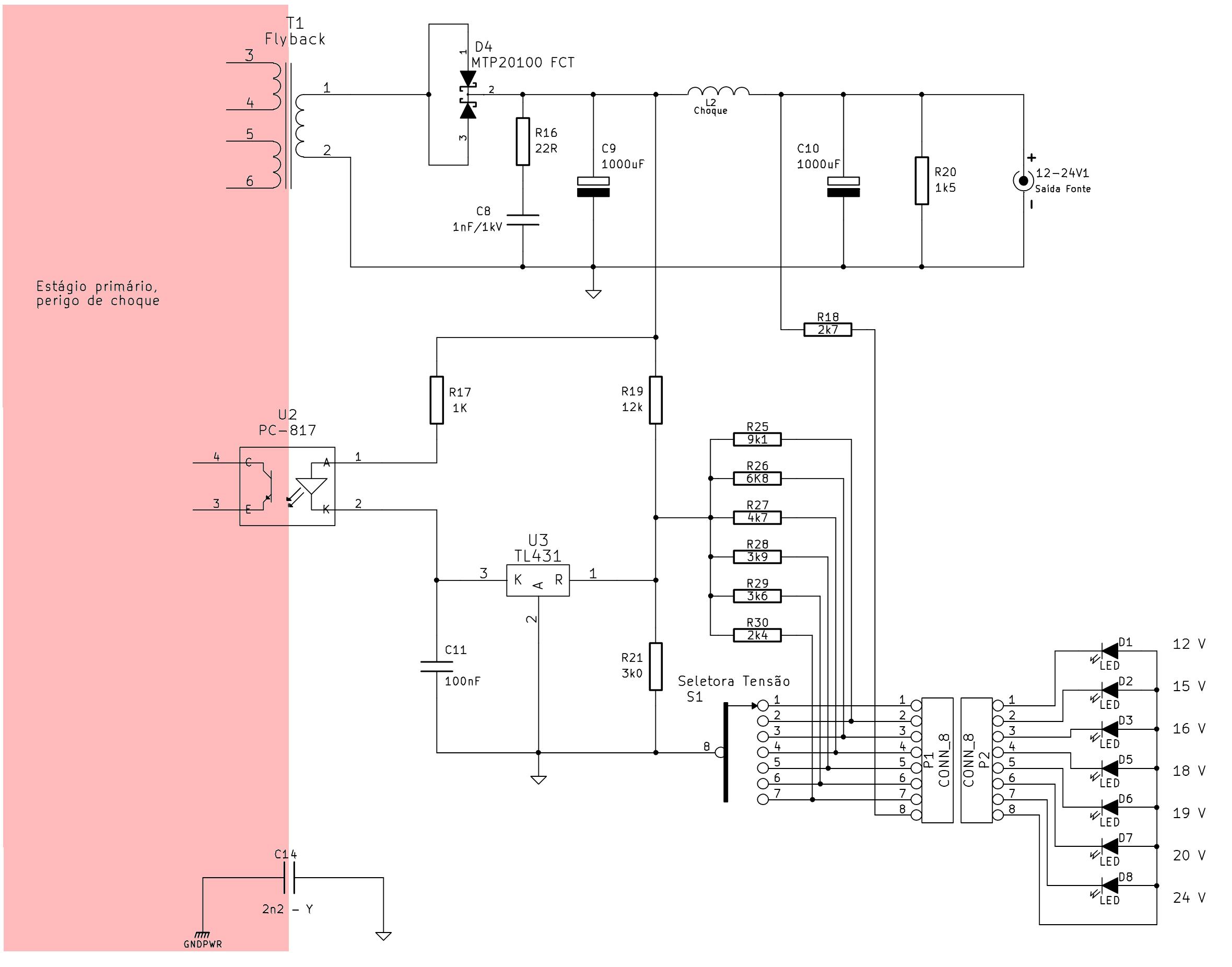
O termistor (NTC) e o fusível (FUSE), foram realocados para os lugares corretos. Observar, na figura 14, que o resistor R1 fica embaixo de CX. A figura 15 mostra o estágio primário com todos os componentes de filtragem eletromagnética.
O resistor R1 é imprescindível, pois descarrega CX após retirar-se o plugue da tomada. O valor foi definido para que, com menos de um segundo depois do desligamento, a tensão sobre o capacitor fique muito baixa, evitando choques elétricos no plugue de entrada.
No secundário, pode-se comparar as figuras 13 e 16, que mostram o antes e o depois da colocação das peças.
Infelizmente, não foi possível fazer uma bateria de testes, que mostrassem o que e quanto a fonte melhorou após estas modificações. Numa próxima oportunidade, pretendo fazer um teste completo de uma fonte de PC e poderei demonstrar o “antes” e o “depois”.
O funcionamento do secundário da fonte
Uma coisa que chamou a atenção para esta fonte foi a possibilidade de variar sua tensão de saída, de maneira simples, numa arquitetura de fonte chaveada. Inclusive, foi o motivo para escrever este artigo, pois é um circuito com muitas utilidades.
Na figura 17 aparece o secundário desta fonte. O primário foi mostrado mais acima (figura 6). Agora, interessa saber o funcionamento deste estágio.
Se a tensão de saída diminui por causa da carga, esta informação deve chegar ao estágio de chaveamento, pois o consumo aumentou e há necessidade de mudar o ciclo de trabalho (alargar os pulsos de chaveamento). Se a carga diminui, aumentando a tensão de saída, vale o inverso.
Este método é mais eficiente quando a monitoração da tensão é feita mais próxima da carga (ponto de saída da alimentação). A informação é, então, retornada ao estágio primário. O circuito responsável por isso exerce a função de realimentação (ou feedback).
É interessante lembrar que, em princípio, toda fonte chaveada tem estabilização. Aliás, toda fonte chaveada que tem alguma espécie de realimentação. O circuito de realimentação equilibra o comportamento da fonte em torno de uma corrente ou tensão de saída pré-determinada.
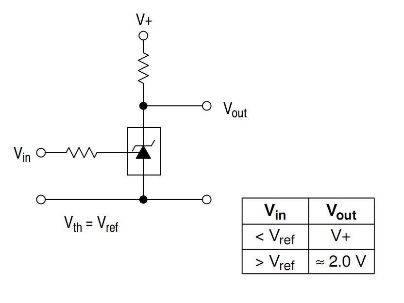
![Figura 18 – Simbologia, diagrama de blocos e encapsulamentos do TL431. Fonte: On Semiconductor [21].](https://dicasdozebio.com/wp-content/uploads/2013/06/fig18-tl431-simbolo-encaps.jpg?w=595&h=253)
Figura 18 – Simbologia, diagrama de blocos e encapsulamentos do TL431. Fonte: On Semiconductor [21].
![Figura 19 – Circuito comparador de tensão, com compensação de temperatura. Fonte: On Semiconductor [21].](https://dicasdozebio.com/wp-content/uploads/2013/06/fig19-tl431-circuitobasico.jpg?w=595&h=447)
Figura 19 – Circuito comparador de tensão, com compensação de temperatura. Fonte: On Semiconductor [21].
Nesta fonte que consertamos, a realimentação é produzida pelo TL431, denominado Referência Programável de Precisão, conforme a Texas Instruments [20]. Este componente, quando sob encapsulamento TO-92, parece um transistor, pois tem somente 3 terminais (figura 18). Ele tornou-se comum em fontes de alimentação, já que fornece uma referência precisa para o controle da tensão de saída.
Nas notas de aplicação – referências [21], [22] e [23] – também são encontrados outros usos do componente, como fonte de corrente de precisão ou até amplificador! A figura 19 mostra a configuração básica como comparador de tensão, a mesma utilizada na fonte.
No esquema da figura 17, percebemos que o TL431 (U3) recebe no pino 1 (referência) a tensão de saída da fonte, através do divisor de tensão formado por R19 e R21. Esta tensão é transformada, proporcionalmente, em corrente através dos pinos 3 e 2 (shunt). Conforme o datasheet [20], o TL431 pode drenar entre 1 e 100 mA no pino 3. O pino 2 é o ponto comum, ou linha de 0V. Trocando em miúdos, o pino 3 do TL431 modula, conforme a tensão de referência presente no seu pino 1, a corrente do LED do optoacoplador U2.
Por sua vez, U2 isola galvanicamente o primário do secundário, mas mantém comunicação ótica entre os estágios. O brilho do LED interno, ligado ao secundário, modula a condução do transistor do optoacoplador, ligado ao estágio primário. Lá, U1 (UC3843) interpreta esta informação e modifica o comportamento de sua saída (pino 6), ligada diretamente ao transistor MOSFET de chaveamento. Mas isso é outra história. Para quem quiser aprofundar-se no conhecimento do UC3843, consultar as referências [24], [25] e [26].
Como mudar a tensão do secundário
A polarização feita pelo divisor de tensão de R19 e R21, junto ao pino 1 do TL431, é alterada através de uma chave seletora de 7 posições que, conforme a tensão escolhida, coloca um resistor em paralelo com R21. O valor resultante da associação faz o TL431 mudar a referência da alimentação para o primário e, consequentemente, a tensão da saída. A posição de 12V não utiliza resistor na chave seletora.
Foi montada uma tabela comparativa entre as tensões de saída e os resistores associados.
Seguindo da esquerda para a direita, as colunas indicam a tensão nominal, a tensão medida na saída e o valor da associação que se apresenta sobre R21.
Tabela 1 – Tensão de saída estimada e real, com referência ao valor final de R21.
-
Tensão nominal Tensão real (V) Valor em R21 12 V 12,5 3k0 15 V 15,6 2k24 16 V 16,6 2k07 18 V 18,6 1k82 19 V 19,8 1k68 20 V 20,5 1k8 24 V 24,4 1k33
A chave seletora, além de modificar o divisor de tensão de U3, também indica visualmente sua posição, através da energização do LED correspondente à tensão escolhida. Assim, o invólucro da fonte tem 7 LEDs indicadores em linha, como se nota na figura 20.
Notas finais
Para quem quiser observar melhor o esquema da fonte chaveada, aqui encontrará o arquivo em PDF completo, com 3 páginas: FonteChaveada-12-24V-CompletaCorr
Um detalhe, que foi observado nesta fonte, foram os grânulos de oxidação espalhados por toda a superfície da placa. Nada indica que os pontos de óxido tenham vindo do meio externo. O mais provável é que a parte metálica da chave seletora oxidou – pois é a única peça que fica próxima a uma abertura externa – e a sujeira tenha se espalhado internamente. O equipamento era utilizado em área litorânea.
Mais uma vez, a qualidade dos componentes fica evidente quando expostos a condições mais rudes. É uma característica que não se percebe ao comprar o produto, só podemos confiar na reputação da loja.
Referências
[1] UNICAMP – Prof. José Antenor Pomilio – página principal – http://www.dsce.fee.unicamp.br/~antenor/
[2] José Antenor Pomilio – Apostila da disciplina Fontes Chaveadas – http://www.dsce.fee.unicamp.br/~antenor/fontchav.html
[3] José Antenor Pomilio – Apostila da disciplina Eletrônica de Potência – Pós-graduação – http://www.dsce.fee.unicamp.br/~antenor/elpot.html
[4] Armando W. Cavero Miranda – Professor UFSC – Material sobre eletrônica de potência – http://www.caveromiranda.galeon.com/index1.html
[5] Faíscas – Panorama da evolução das fontes de alimentação – http://www.faiscas.net/Fontes%20chaveadas.pdf
[6] All Datasheet – Ponte retificadora BY164 – http://www.alldatasheet.com/datasheet-pdf/pdf/91332/DIOTEC/BY164.html
[7] Datasheet Catalog – Ponte retificadora KBP206G – http://www.datasheetcatalog.com/datasheets_pdf/K/B/P/2/KBP206G.shtml
[8] Semipower – Folha de dados do transistor Samwin SW7N60 – versão 3.0 – http://www.semipower.com.cn/uploadfile/cp/mos/SW7N60.pdf
[9] Dianyuan – Folha de dados do transistor Samwin SW7N60 – versão 0.2 – http://bbs.dianyuan.com/bbs/u/40/1144400229.pdf
[10] Toshiba Semiconductors – Folha de dados do transistor 2SK3569 – http://www.semicon.toshiba.co.jp/eng/product/transistor/mosfet_detail/1317305_13587.html
[11] Elektroda – Diagramas esquemáticos de diversas fontes de computador, com informações sobre componentes para reutilização e manutenção – http://www.elektroda.pl/rtvforum/viewtopic.php?p=9834734#9834734
[12] Fairchild – Folha de dados do controlador SMPS KA3843 – http://www.fairchildsemi.com/ds/KA/KA3843B.pdf
[13] Texas – Folha de dados do controlador SMPS UC3843 – http://www.ti.com/lit/ds/symlink/uc3843.pdf
[14] CYT – Folha de dados do controlador SMPS UC3843 – http://www.szcyt.com/uploadfiles/file/ic/UC3843/UC3843.pdf
[15] Texas – Documentos técnicos com o UC3843 – http://www.ti.com/product/uc3843#technicaldocuments
[16] Blog pwm – Circuitos com UC3843 – http://pwm.blogcu.com/uc3843-pwm/3504395
[17] Elektroda – PC817 Sharp – ftp://ftp.elektroda.net/pub/Karty%20katalogowe/pc817xx.pdf
[18] TDK Epcos – EMI Application notes – http://www.epcos.com/web/generator/Web/Sections/ProductCatalog/Inductors/EMCComponents/Filters/Page,locale=en.html
[19] Electrosmog – Sítio francês dedicado à poluição eletromagnética – http://www.electrosmog.info/
[20] Texas Instruments – TL431 – Folha de dados – http://www.ti.com/lit/ds/symlink/tl431.pdf
[21] On Semiconductor – TL431 – Folha de dados com notas de aplicação – http://www.onsemi.com/pub_link/Collateral/TL431-D.PDF
[22] Diodes – TL431 – Folha de dados e notas de aplicação – http://www.diodes.com/datasheets/TL431_432.pdf
[23] Texas Instruments – TL431 – Documentos e notas de aplicação – http://www.ti.com/product/tl431#doctype1
[24] SV1BSX – Conversor 12V para 24V com UC3843 –http://sv1bsx.50webs.com/dc2dc/dc2dc.html
[25] Webpages – SMPS controllers – http://webpages.charter.net/dawill/tmoranwms/Elec_SMPS2.html
[26] Tech Blog – Placa SMPS 80W com UC3843 e placa de circuito impresso – http://technoblogin.blogspot.com.br/2009/02/switching-power-supply.html
\ep/














Boa tarde! Li atentamente, os problemas apresentados e placa telefone sem fio e fixo, gostei das respostas do técnico, tenho um telefone sem fio panasonic modelo KX-4410 que está com a membrana do teclado danificada, o aparelho está funcionando,porém com a membrana tecladocom este problema. Favor me informar endereço e tefefone de contato, quero levar este fone para conserto,pois se trata de um aparelho com secretária eletronica e muito bom. Aguardo retorno.
Israel, a única maneira de conseguir trocar o teclado de membrana é em uma oficina autorizada da Panasonic, porque o técnico pode ter algum estoque disso. Além disso, eu só faço posts para explicar as técnicas de manutenção, a minha prática de eletrônica hoje é somente hobby.
Achei isso no youtube, você descobre o que fazer com isso…
César, obrigado pela informação, mas o vídeo explica pouco sobre o transformador utilizado. Se o fabricante do componentes trocar a posição dos enrolamentos, o circuito não vai funcionar.
Excelente trabalho, parabéns.
Seria possível alterar o sistema de chavemento no caso a seleção das tensão de saída com um trânsitor?
Hyonattan, observe que o ajuste de tensão é feito pelo regulador U3 (TL431), que parece um transistor.
Se colocar a chave na posição 2 (ou substitui-la por uma ponte de fio, o que será mais confiável), já é meio caminho andado para ter uma fonte continuamente ajustável. Daí, substitua R25, de 9k1, por um potenciômetro de 10K linear.
Está feita sua fonte ajustável.
Boa noite amigo!
Estava fazendo uma pesquisa a respeito do funcionamento de fontes chaveadas e descobri esse site do senhor, nessa pesquisa ate o presente momento não encontrei a resposta e por isso gostaria de saber se o senhor pode me tirar essa duvida, se puder pode me dizer por favor qual a função desses resistor da posição R1 da figura 6? .
Des de já eu agradeço a atenção.
Aécio, R1 fica em paralelo com a entrada da rede elétrica, serve para descarregar CV1, CV2 e CX, este último o mais importante, pois pode armazenar uma boa quantidade de energia e cauxar choque se alguém tocar os terminais do plugue, mesmo tendo desligado a fonte muito tempo antes.
A carga de CX ocorre quando o desligamento é feito no instante em que o valor da tensão senoidal está perto do máximo.
Isso é bem frequente, pois o único momento em que CX não será carregado é quando a senoide passa por zero.
EXCELENTE artigo. Parabéns. Com sua autorização posso repassar ao site Scribd, Forum do Hardware e Host Mega ?
Costa, eu não autorizo a colocação de meu conteúdo em outras mídias, por uma razão muito simples: eu perco acessos ao meu blog e deixo de auferir aquela pequena receita que paga o domínio e a hospedagem. Observe, apesar de muitos acessos diários, eu ganho cerca de 100 dólares a cada 6 meses, só paga a hospedagem e o domínio.
Excelente o trabalho desenvolvido por você! Meus parabéns! Tenho um problema e se puder ajudar eu agradeço: Tive um defeito parecido com esse – em uma fonte do mesmo modelo. Entretanto, depois que troquei os componentes queimados, as tensões na saída não passam dos 14,6V (na chave com 12v, sai os 12v; das chaves de 15 até 24v, só sai 14,6v). Já testei – creio eu – todos os componentes. Só falta testar o flyback (transformador – PQ2625). Você tem alguma sugestão para esse defeito? Atenciosamente,
Danilo, eu apostaria na chave… Pode haver alguma oxidação escondida, que faz a chave manter uma resistência mais baixa, daí não aumenta mesmo. Retire a chave e revise cuidadosamente a placa com uma lente, nos dois lados.
Se não der em nada, troque o TL431, ele é a referência de tensão, os resistores só fazem uma divisão de tensão, para obter um valor exato na saída.
O transformador, acho que não seria o caso, pois se a fonte fornece a corrente nominal até os 12V, o circuito deve estar bom. Ah, e o capacitor eletrolítico após a retificação, não está com o valor diminuído?
Parabéns meu amigo pela postagem esta ótimo é muito esclarecedor
Excelente artigo! Parabéns.
Olá Zebio, suas dicas são excelentes!!! Vc poderia incrementar com vídeos, mostrando no multímetro em qual faixa se medeme os componentes, na além de mostrando o próprios componentes, seria de grande ajuda para quem não sabe ainda usar as escalas do multímetro!.Que tal?? Grande abraço. Verí
Olá, Veridiana, obrigado pela dica, está anotado!! Talvez eu faça uma série de posts sobre instrumentos (já tinha pensado em uso de ferramentas), depois poderia citar em outros posts, conforme fosse necessário.
Excelente. Eu ganhei uma fonte dessa de um amigo que acabou comprando outra pois essa não tinha um conector adaptador que desse certo no notebook dele.
Se ele me mostra antes eu dava um jeito.
Desmontei ela (essa é fácil desmontar, pois tem umas que são seladas).
Essa minha é um pouco mais moderna. Os resistores e capacitores em sua maioria são tipo smd. Soldados por baixo da placa. O Mosfet tem uma “presilha” no lugar de parafuso e ainda colocaram a presilha ao contrário.
Enfim, a minha já é mais “bonitinha” por causa dos resistores, capacitores serem do tipo smd, mas falta as mesmos componentes que você mostrou e colocou.
Eu trabalhei com eletrônica há uns 20 anos. Hoje trabalho com computação (servidores, rede essas coisas), mas gosto de “brincar” montando, desmontado, programando PIC, 8051, Arduino, RaspberryPI, essas coisas. Admito que sou bem iniciante. Me divirto nas horas de folga. Pretendo aprofundar mais. Já estou reforçando meu conhecimento em eletrônica digital. Esses 20 ou mais anos que fiquei na área de informática me fez esquecer muitas coisas de eletrônica, mas a base a gente nunca esquece e ao mexer de novo as coisas vão chegando aos poucos.
Você faz um ótimo trabalho.
Muito obrigado por espalhar o conhecimento.
Ganhou mais um seguidor.
Boas explicações Zébio. Valeu !
Eu tenho uma fonte chaveada Hayama de 12VDC 2A para ligar um teclado YAMAHA E423. mas recentemente percebi que em todas as vezes que a ligo na tomada sai umas faíscas isso é normal? Agradeço desde já pela atenção!
Carlos, todas as fontes chaveadas tem uma corrente inicial elevada, devido à necessidade de carregar o capacitor (ou capacitores) logo após a ponte retificadora. Quanto maior o valor do capacitor, mais forte a corrente inicial. Assim, é natural que ocorra uma faísca, devido a este surto inicial. Fontes mais elaboradas incorporam um termistor (NTC) em série com a ligação da rede elétrica, para evitar este problema. O termistor inicialmente tem uma resistência alta, que vai diminuindo conforme vai aquecendo. O termistor aquece quando o circuito é ligado na rede elétrica. Assim, o surto inicial é atenuado.
Mas se a fonte for desligada por uns instantes e religada, haverá faiscamento, pois o termistor continuará quente, não teve tempo de esfriar.
Sua fonte, Hayama, é uma marca reconhecida, na época que eu comprava fontes a transformador, era uma das melhores, não sei como anda hoje. Muitas lojas vendem a Sagemcom, também gosto desta fonte, tem um circuito bom, com proteções eletromagnéticas e com o termistor. Para reconhecer o termistor nas fontes, geralmente é uma peça em forma de disco, na cor verde fosca, com dois terminais. Algumas marcas produzem na cor preta.
Estava procurando um post sobre esta fonte, comprei para um cliente, mas com poucos dias de uso parou de funcionar. O Led n acende, n entrada está chegando energia, mas na saída n, o q pode ser? Como meu forte n é eletrônica vou pedir para um amigo dar uma olhada. Mas parabéns pelo post, muito bem explicado!!
Levi, como regra, eu procuraria primeiro lugares aquecidos e soldas ruins. Se tiver algum capacitor estufado, tem que trocar.
Caro amigo estou com uma fonte dessa um pouco diferente pois não tem alguns capacitores que vc posta no esquema, verifiquei que só chega 170 volts na saida dos diodos, testando em cima do capacitor,ja troquei o ci o fet o diodo zener de 18 volts o resistor de 033 ja vi tudo e não consigo fazer ela armar até o acoplador da troquei, gostaria de alguma dica grato.
Anselmo, se sua fonte dá somente 170VCC após os diodos, poderia haver algumas situações:
– você liga a fonte em 127VCA, que após retificação e filtro resultam em aproximadamente 150VCC ou um pouco mais.
– você liga a fonte em 127VCA, mas ela não faz o efeito de dobrador de tensão, que elevaria a saída a 300VCC. Para isto dar certo, a fonte deveria ter uma chave 110/220V, que chaveia um capacitor na entrada da ponte retificadora. Eu detalho um pouco isso no post sobre reatores eletrônicos de fluorescentes, é só fazer usar o mecanismo de busca do próprio blog para encontrar o texto.
– Você liga em 220VCA e não obtém a tensão de 300VCC. Poderia verificar a ponte retificadora (cada um dos 4 diodos) e os capacitores de filtragem, talvez tenha alguma coisa aí. Ou pode haver trilhas rompidas no circuito impresso.
Boa noite realmente a fonte e quase idêntica ao esquema que postou,tem algumas diferenças que não consta alguns capacitores,mais já verifiquei os diodos estão todos bons, mas agradeço sua resposta acho que vou desistir está dando muito trabalho.
tenha uma boa semana vou continuar a acompanhar seu blog abraço.
Boa tarde zebio,primeiramente parabenizar pelo post
Tenho essa mesma fonte.O problema dela é que ela liga normal tem todas as tensões na saída de 12 a 24v verifiquei com multimetro ,o problema que quando coloco uma carga o led começa a piscar por exemplo coloquei uma lampada de carro 12v a mesma começa a pisca ela não fica estável fica piscando.
Se puderem ajudar agradeço
Rafael, eu apostaria que os capacitores eletrolíticos estão com pouca capacitância, ou tem algum problema com as soldas dos diodos no secundário, ou no próprio transformador. Dê uma revisada cuidadosa onde a placa estiver aquecida e onde as soldas são grandes (carregam mais corrente).
Boa tarde Zebio ja troquei o capacitor e optacloptador so nao verifiquei o tranformador e as soldas nos diodos
Olá, Euzébio. Gostaria de parabenizá-lo pelo excelente post! Me ajudou muito no entendimento de fontes chaveadas. Parabéns de verdade!
Aproveitando, gostaria de tirar algumas dúvidas. No caso de um carga composta por uma associação de LED (150, por exemplo) de forma que tivesse uma tensão e corrente fixa, esse estágio de controle de carga que altera oscilação do flyback seria necessário? Fiz um simulação com fonte linear em um software e tensão de alimentação caia conforme colocava mais LED.
Haroldo, esta fonte linear é estabilizada? Se é, você atingiu a capacidade máxima de corrente e ela começou a limitá-la. Se não é, a queda de tensão é natural e ocorre mais facilmente, só depende da capacidade do transformador.
Cuide que a associação de LEDs não estabiliza corrente, ela irá aceitar o que você fornecer. Por isto é necessário um circuito limitador de corrente, senão os LEDs queimarão, pouco a pouco, por causa do surto inicial de corrente, ao ligar o circuito. O LEDs que ligam primeiro receberão o surto – coisa de microssegundos.
E numa fonte chaveada, o circuito de controle do chaveamento é essencial para que ela funcione, pois é a largura do pulso de chaveamento, em alta frequência, que possibilita a indução de determinada tensão no secundário. O circuito também serve para modular o pulso de acordo com o consumo de corrente.
Olá
A fonte do meu notebook fica oscilando ela é de 19V e fica caindo e subindo bem rápido vi no multímetro analógico pois no digital não dava para notar, caia de 19v para 17 a 18 e volta para 19v sem consumir nenhuma carga, troquei todos capacitores e não resolveu, troquei o transistor ,acoplador óptico, e nada, Coloquei o ouvido bem perto da fonte escutei uns “estalos” vindo do indutor do primário que cada “estalo” a voltagem caia no ritmo desse indutor. O que poder ser?
Diego, acredito que possa ser algum problema de solda, especialmente junto aos indutores. Verifique se há alguma região aquecida, também pode ser causa de soldas ruins. E por último, as soldas dos conectores, costumam dar problemas.
gostei da bela apresentação me ajudou muito gostaria de saber mas muito obrigado
Bom dia gostaria de saber se vc faz reparo em fonte atx ? grato Nando Gomes
Olá, Fernando, não faço, até estou brigando com uma fonte Corsair de 500W (minha), sem sucesso. É um problema porque dificilmente se consegue os esquemas de fontes de PC.
Bom dia, estou com uma fonte chaveada de 12v 50A ela foi ligada em 220v estando em 110v, estorou os capacitores principais e um outro de 10/400v ligado no C.I PWM, troquei eles, a fonte funciona porém a saída principal que seria de 12v esta saindo 24v,
Franke, verificaste se a fonte tem algum acoplador óptico? Ele poderia estar com defeito, pois não repassaria a informação da tensão existente no secundário.
Outra possibilidade seria o circuito de referência de tensão, ou os resistores acoplados a ele. Utiliza-se geralmente um TL431, parece um transistor BC, mas é um circuito integrado de estabilização de tensão. Ele utiliza um divisor resistivo para comparar a tensão da saída da fonte com a referência dele. A diferença é repassada ao circuito do primário, geralmente através de um acoplador óptico.
Cara, muito bom!!! parabéns pela explicação.
muito bom amigo
é possível alimentar uma fonte chaveada saída 12 vcc 1 A com 24 vcc?
Fábio, depende da fonte. Se a fonte está habilitada a funcionar com tensões entre 90 e 240VCA, não dará certo, pois abaixo de 90VCA a fonte não consegue funcionar. Por isto há uma etiqueta nos aparelhos que indica a faixa de tensões admissíveis.
No caso de pretender alimentar um circuito de 12V a partir de 24VCC, o que você precisa é somente de um conversor de tensão, muito simples de fazer.
Para 1A, um integrado 7812, mais dois capacitores e um diodo para evitar inversão de pólos, já estaria apto a sua situação.
Por exemplo, este circuito da ibytes, se você só utilizar um dos diodos, desconsiderando o transformador, já terá o seu circuito:
http://www.ibytes.com.br/circuito-eletronico-de-fonte-estabilizada-sem-protecao-contra-curtos/
O nome do link diz fonte estabilizada sem proteção, mas é o contrário…
Este circuito aguenta, se não me engano, até uns 27 VCC na entrada, teria que olhar o datasheet do 7812.
Além disso, com mais um transistor e poucos componentes, o circuito poderia tornar-se uma fonte de 3A ou mais.
ola zébio muito obrigado pela resposta e adorei sua pagina parabens vou compartilhar
Obrigado pela dica!
Tenho uma dúvida, caso se eu tenha um transistor olho a nome dele e não acho para comprar. Para eu conseguir arranjar outro substituto preciso olhar basicamente o “Vdss”, “Id” e o Rds? ou precisa-se de mais alguma coisa?
André, tensão máxima, corrente máxima, resistência quando ligado, são questões críticas para transistores MOSFET. Duas outras características poderiam ser somadas à lista: a capacitância de porta e a velocidade de resposta. São mais importantes até que a Rds, pois podem levar a uma instabilidade de funcionamento. Capacitância alta é inimiga de altas velocidades, ao passo que velocidade de resposta baixa implica em aquecimento excessivo do componente quando em uso, se ele substitui outro transistor que era mais rápido.
Ótimo post,
Estou com 2 fontes iguais a da foto, mais nenhum componente queimou visualmente, as trilhas estão inteiras, entendo pouco de eletrônica, o que notei é que não chega tensão na bobina lado primário, sei que o post faz dois anos e vi que a fonte é bem simples, queria arrumar elas, tem alguma sugestão, fusíveis inteiros, tem cheiro de queimado mas nada queimado, capacitores inteiros, a bobina não esta em curto entre elas, não sei se a bobina esta em curto nela mesmo pois não sei qual resistência. Possuo muitas fonte de pc teria alguma componente que pode ser retirado para arrumar a fonte?
Desde ja agradecido, pois foi o unico site que fala desta fonte parabéns!!
Thiago, se o primário não recebe tensão, eu verificaria o estado dos 4 diodos da ponte retificadora, o transistor chaveador (geralmente um MOSFET), o fusível e talvez alguma trilha interrompida. E as soldas e qualquer capacitor eletrolítico estufado. Se isto tiver ocorrido, deve lavar a placa com água fervente, escoar bem e deixar secar ao sol, umas 3 horas.
Como reparar fonte atx de 24 pinos que não tem tenção no pino de 12 volts
obrigado por sua atenção.
Deus é fiel!!!
Regis, se a fonte não tem saída de 12V somente, provavelmente algum diodo da saída de 12V abriu, retire-os e teste-os.
Se não há nenhuma tensão de saída, a proteção está ativada, aí podem haver muitas possibilidades.
De todo modo, eu começaria com os capacitores eletrolíticos. Troque imediatamente qualquer um que estiver estufado ou vazado.
E algum dos diodos de saída pode estar em curto. Verifique também as soldas, pois se a placa tem marcas de aquecimento em certos locais, podem existir maus contatos.
muito legal o seu blog.
parabens
lembre-se de me enviar dicas
José, obrigado por seguir o meu blog, as dicas que irá receber são os posts que publico, lá de vez em quando. Tem alguns saindo do forno nas próximas semanas.
tenho uma mesa de som behringer xenix 1202 e a fonte original queimou ela e de 3 pinos e tenho uma universal de 2 pinos da pra adaptar?
Daniel, as fontes da Behringer precisam das duas tensões e da conexão central. Se não fizer isso, até poderá queimar o equipamento. É que os circuitos de áudio analógicos são alimentados geralmente por tensões simétricas (+15V e -15V).
Qual é a numeração do diodo que está no primário desta foto próximo ao transformador ao mosfet?
José, nos esquemas, em duas partes, constam todas as informações necessárias. Se não tem nada lá, é porque os componentes não tinham nenhuma identificação, infelizmente.
Boa noite.
Comprei uma fonte power 12v a 24v no mercadolivre e queimou pelo que parece um diodo de retificação de meia onda que está ligado a um resistor de 15k(marron, verde, laranja, marron). O diodo esta escrito apenas 0C. Como faço para consertar? Qual outro posso colocar no lugar deste?
José não tenho ideia, a solução destes problemas sempre é pegar um equipamento igual e comparar.
Muito bom artigo.
Tentei simular usando o proteus o funcionamento do circuito regulador com TL431 juntamente com o optoacoplador, porém não pude observar “…a tensão é transformada, proporcionalmente, em corrente através dos pinos 3 e 2…” após a referência do TL431 receber tensão acima de 2,5V o TL431 “dispara” e após isso aumentando-se a tensão em sua referência a corrente em seu catodo praticamente não varia (fica em torno dos 20mA e 1,15V), acredito que o simulador seja limitado a ponto de não poder simular isso…
Outra questão, comprei uma fonte no ML (http://produto.mercadolivre.com.br/MLB-611562200-fonte-chaveada-12v-5a-60w-p-cftv-fita-led-som-automotivo-_JM), ela possui o esquema bastante similar com essa que foi apresentada no artigo, porém com alguns componentes a mais (mesmo assim está faltando varistor, capacitores Y…, CI sem numeração) o fato é que percebi que ela tem nos dados de placa: (100-120V 60Hz 200-220V 50Hz) ela não é para 220-60Hz, estranho, acredito que a limitação seja apenas o capacitor filtro após o retificador primário que não seja suficiente para estabilizar a tensão. Trata-se de uma fonte automática, o que acontece se eu alimenta-la com por exemplo uma tensão entre essas duas? Ex.: 150V ?
Eu comprei essa fonte para tentar modifica-la para que funcione na faixa de 13,5 a 13,8V (mantendo a potência de 60W mas reduzindo a corrente de saída de 5A), pelo que estou estudando o circuito, acredito que modificando apenas a referência eu posso aumentar a tensão de saída sem ter que modificar o transformador com mais espiras no secundário ou na pior da hipóteses enrolar mais umas espiras no secundário do transformador além da modificação do divisor de tensão da saída. O meu único receio é de que se eu apenas modificar o divisor de tensão a fonte ao atingir certa carga chegue ao limite da largura dos pulsos no mosfet e não consiga atingir mais os 60W até desarmando…O que você acha?
Só para finalizar essa fonte é “xing ling” tenho certo receio da qualidade de alguns componentes, não seria o caso trocar os eletrolíticos só por precaução?
Esquema da fonte feito em cima do esquema da fonte do artigo (parcial, pois faltam os capacitores SMD, alguns diodos e demais componentes que não foi possível ler sem remoção) >>>>> http://computeiromaluco.tumblr.com/image/109584375022
Grato
OBS.: Modifiquei a referência do regulador e consegui ajustar a tensão dentro dos valores que queria (ficou de 12 a 14V), só não realizei testes. A propósito qual a finalidade daquele capacitor entre o lado quente e frio da fonte?
Fábio, não tenho certeza absoluta, mas é algo como um ponto de referência para o circuito de chaveamento.
Fábio, fontes chaveadas não se importam com a frequência da rede, seja 50 ou 60Hz. Isto só serve para os motores de indução, que alteram sua velocidade conforme a frequência da rede.
Sugiro, no caso do TL431, estudar os datasheets e application notes que podem lhe informar melhor.
Uma fonte automática de 90-240VCA irá compensar a tensão, diferente de uma fonte com circuito comutador 110/220V, que precisa ser trocado (por uma chave manual ou eletrônica).
A troca da referência geralmente é suficiente, ainda mais se a diferença é pequena em relação à tensão original. A potência da fonte será mantida, só que ao aumentar a tensão de saída, certamente irá diminuir a corrente máxima, para manter a potência igual: P=VI, a Lei de Ohm deve ser obedecida.
A troca de eletrolíticos, só se tiver outros de marca reconhecida pela qualidade, caso contrário, se são novos, melhor deixar assim, por enquanto. Depois de um tempo, se algum começar a estufar, troque.
Eusébio, obrigado pelas respostas.
Bom dia Eusébio, amigo vc poderia me ajudar é que comprei uma fonte de alimentação regulável (FONTE DE BANCADA) da long wei chinesa e me mandaram uma 110V más minha rede e 220V háveria a possibilidade de modifica-la para 220 ela é ENT110V SAÌDA 0-30V 10A desde já agradeço sua atenção.
Pedro, não conheço a fonte, mas se não tiver como devolver à loja, abra-a e olhe dentro, muitas vezes o transformador pode ter a ligação adequada. Se for uma fonte chaveada, dê uma olhada no meu post sobre reatores de lâmpadas fluorescentes, os esquemas mostram claramente como é a diferença entre a ligação 110 e 220V, mas pode ser mais difícil de dar certo.
grato pela ajuda já tinha feito isso mas o unico equivalente tambem não consigo encontrar ok.
Jacson, ainda assim, seria possível trocar por um transistor com características superiores, só que talvez o encapsulamento mude. Poderia consultar a Farnell, que tem um estoque confiável, sem falsificações. Outras lojas poderiam ter componentes da linha industrial. Conheço duas brasileiras, de renome: a Eletropeças, de Caxias do Sul e a Mundison, de São Paulo.
olá amigo parabens pelo post. amigo tenho uma fonte chaveada da marca voyager de 50a que queimou devido a solda mal feita na fabrica que resultou em diversas esferas de estanho grudadas na placa pelo verniz sendo que uma delas se soltou e fechou curto no transistor ( c3714 deve ser o 2sc3714) porem não consigo esse modelo de transistor por gentilesa o amigo pode me informar um que possa ser usado no lugar? dez de já muito obrigado.
Jacson, transistores muito específicos podem ser difíceis de encontrar, mas eu começaria procurando um equivalente, se na Farnell não tem. Faça uma pesquisa no Google com os termos 2SC3714 cross reference, ou 2SC3714 equivalence, deve retornar alguma coisa. Ou procure o datasheet do transistor e veja um parecido pelas características técnicas.
Muito bom seu artigo e seu Blog, me ajudou MUITO!!! Muitissimo obrigado! Parabe´ns e muito boa sorte!
Olá

Parabéns pelo tutorial, fantástico!
Tenho uma fonte-adaptador de uma antiga secretária eletrônica com OUTPUT: DC 2V – 500mA
Será que posso usar a fonte numa Mini TV antiga 5″ Preto e Branco, tipo esta da foto:
Desde já agradeço muito pela atenção
🙂
correção OUTPUT: DC 12V – 500mA 🙂
Maria, que eu me lembre estas tevezinhas necessitam de um transformador de 1,5A, e a que você tem é apenas um terço disto. Não pode ser empregada para alimentar a TV, só se você ligar apenas o rádio.
Também tem que cuidar a polaridade, muitos plugues tem os pólos invertidos, não há padrão. Tem um símbolo, com uma bolinha dentro e um semicírculo por fora, cada um ligado a um pólo específico (+ ou -). As inscrições da fonte e do aparelho devem ser iguais.
Eu tenho uma da mesma marca mais a placa é um pouco deferente o modelo é Model: jt-120, Power é quase igual muda um pouco em comparação a esta você pode me manda o esquema obrigado
Márcio, não tem como enviar qualquer esquema, pois o que está no artigo foi extraído por mim, olhando a placa e depois desenhando no computador. Você terá que fazer o mesmo, não conheço nenhum lugar onde existam estes esquemas.
Amigo, Parabéns pela postagem, o texto é bastante esclarecedor.
Estou com um probleminha aqui, trata-se de um ruído. Funcionei um modulo de som com uma fonte chaveada que tenho ( http://produto.mercadolivre.com.br/MLB-522545645-fonte-chaveada-estabil12v-30a-bivolt-pcmera-cftv-fita-led-_JM ), ela o alimenta muito bem, porém o sistema está com um ruido que só diminui (90%) quando conecto a fonte numa tomada aterrada.
Percebi também (na tomada sem aterramento) que quando encosto o dedo na entrada RCA do módulo, a frequencia mais grave do ruido aumenta e no momento em que com a outra mão eu encosto a carcaça da fonte, o ruido desaparece completamente.
Ao conectar o cabo RCA na entrada do modulo, parece que o mesmo funciona como uma “antena” e amplifica ainda mais o ruido. Já utilizei um filtro supressor de ruido no RCA, mas não adiantou muita coisa.
Apesar deste inconveniente, dá para escutar musica (num volume um pouco mais alto) tranquilamente, o problema maior é quando tento conectar algum microfone ou instrumento na mesa de som, o ruido aumenta muito (lembrando que quando utilizo tomada aterrada o resultado é bem melhor).
Logo, se possível, preciso saber se você pode me orientar em algo que posso fazer para resolver isso (alguma espécie de filtro ou coisa parecida), já que a ideia é ter um som portátil e como faço parte de uma banda pop rock, as vezes o utilizamos para ensaio e infelizmente quase nunca encontramos tomadas aterradas onde vamos.
Desde já agradeço sua atenção.
Jeffeson
Jeffeson, teu problema é com o aterramento. Toda fonte chaveada de potência deve ser aterrada, pois há um capacitor entre o lado vivo, conectado à rede elétrica e o ponto de zero Volt da fonte. Você poderá levar um choque muito sério se não aterrar o sistema.
Você deve montar todo o circuito em uma caixa metálica, com a fonte chaveada em outra caixa metálica interna, de preferência. Somente assim poderá resolver o problema de ruídos.
Sua questão é mais de áudio, não tanto de fonte chaveada.
Valeu pela dica!
Abraço!
Muito bom! Parabéns pelo artigo.